Operation CHARM: Car repair manuals for everyone.
Manuals through 2025 now available!

Our trusted friends have launched a new website named LEMON, which has newer manuals. It also contains all the CHARM manuals.

LEMON is the spiritual successor to CHARM, I recommend you try it!

Link: lemon-manuals.la or lemon-manuals.org.ua

(Some people have issue connecting. LEMON is investigating. For now, use Firefox or change your DNS server)

Or, hide this message: temporarily or permanently

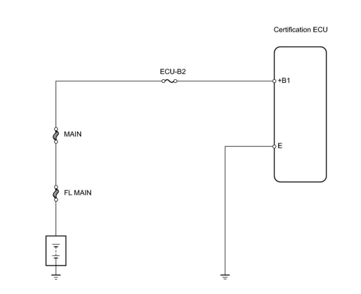
Certification ECU Power Source Circuit








ENGINE IMMOBILISER: ENGINE IMMOBILISER SYSTEM (w/ Smart Key System): Certification ECU Power Source Circuit

Certification ECU Power Source Circuit

DESCRIPTION

This circuit provides power to operate the certification ECU.

WIRING DIAGRAM





INSPECTION PROCEDURE

PROCEDURE

1. INSPECT FUSE (ECU-B)
(a) Remove the ECU-B2 fuse from the engine room No. 2 relay block.
(b) Measure the resistance of the fuse.
Standard Resistance:
Below 1 Ohms
NG -- REPLACE FUSE
OK -- Continue to next step.

2. CHECK HARNESS AND CONNECTOR (CERTIFICATION ECU - BATTERY AND BODY GROUND)




(a) Disconnect the E84 ECU connector.
(b) Measure the resistance and voltage of the wire harness side connector.
Standard Resistance:






Standard Voltage:






NG -- REPAIR OR REPLACE HARNESS OR CONNECTOR
OK -- PROCEED TO NEXT CIRCUIT INSPECTION SHOWN IN PROBLEM SYMPTOMS TABLE