Operation CHARM: Car repair manuals for everyone.
Manuals through 2025 now available!

Our trusted friends have launched a new website named LEMON, which has newer manuals. It also contains all the CHARM manuals.

LEMON is the spiritual successor to CHARM, I recommend you try it!

Link: lemon-manuals.la or lemon-manuals.org.ua

(Some people have issue connecting. LEMON is investigating. For now, use Firefox or change your DNS server)

Or, hide this message: temporarily or permanently

Security Indicator Light Circuit








ENGINE IMMOBILISER: ENGINE IMMOBILISER SYSTEM (w/o Smart Key System): Security Indicator Light Circuit

Security Indicator Light Circuit

DESCRIPTION

When the transponder key is registered, the transponder key ECU indicates the key registration condition by lighting up, blinking or turning off the security indicator.

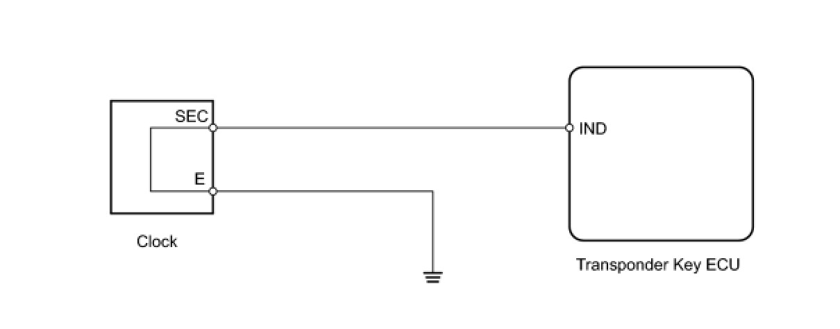
WIRING DIAGRAM





INSPECTION PROCEDURE

PROCEDURE

1. PERFORM ACTIVE TEST USING TECHSTREAM (SECURITY INDICATOR LIGHT)
(a) Select the Active Test, use the Techstream to generate a command, and then check that the security indicator light operation is normal.

Immobiliser:





OK:
Security indicator light turns ON / OFF.

Result





B -- INSPECT TRANSPONDER KEY ECU (OUTPUT)
A -- Continue to next step.

2. CHECK HARNESS AND CONNECTOR (TRANSPONDER KEY ECU - SECURITY INDICATOR LIGHT)




(a) Disconnect the E46 ECU connector.
(b) Disconnect the E22 light connector.
(c) Measure the resistance of the wire harness side connectors.
Standard Resistance:






NG -- REPAIR OR REPLACE HARNESS OR CONNECTOR
OK -- Continue to next step.

3. INSPECT TRANSPONDER KEY ECU (OUTPUT)




(a) Remove the transponder key ECU with its connectors still connected.
(b) Measure the voltage of the ECU.
Standard Voltage:






NG -- REPLACE TRANSPONDER KEY ECU
OK -- REPLACE CLOCK SUB-ASSEMBLY