Operation CHARM: Car repair manuals for everyone.
Manuals through 2025 now available!

Our trusted friends have launched a new website named LEMON, which has newer manuals. It also contains all the CHARM manuals.

LEMON is the spiritual successor to CHARM, I recommend you try it!

Link: lemon-manuals.la or lemon-manuals.org.ua

(Some people have issue connecting. LEMON is investigating. For now, use Firefox or change your DNS server)

Or, hide this message: temporarily or permanently

Center Airbag Sensor Communication Stop Mode








CAN COMMUNICATION: CAN COMMUNICATION SYSTEM: Center Airbag Sensor Communication Stop Mode

Center Airbag Sensor Communication Stop Mode

DESCRIPTION





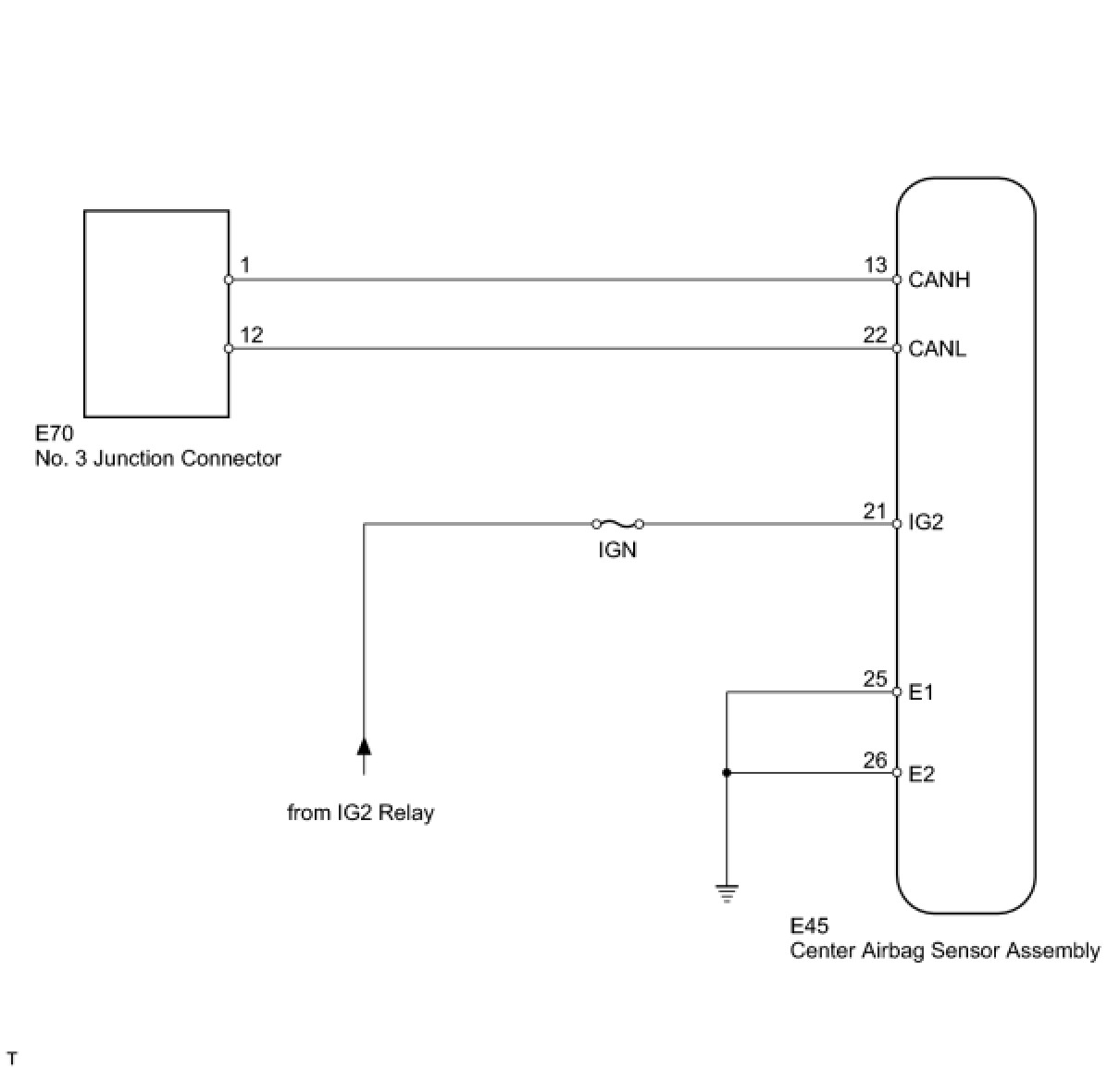
WIRING DIAGRAM





INSPECTION PROCEDURE
NOTICE:
- Turn the ignition switch off before measuring the resistance of the main wire and the branch wire.
- After the ignition switch is turned off, check that the key reminder warning system and light reminder buzzer are not in operation.
- Before measuring the resistance, leave the vehicle for at least 1 minute and do not operate the ignition switch, any switches or doors. If doors need to be opened in order to check connectors, open the doors and leave them open.
HINT: Operating the ignition switch, any switches or any doors triggers related ECU and sensor communication with the CAN, which causes resistance variation.

PROCEDURE

1. DISCONNECT CABLE FROM NEGATIVE BATTERY TERMINAL
(a) Disconnect the cable from the negative (-) battery terminal before measuring the resistance of the main wire and the branch wire.
CAUTION: Wait at least 90 seconds after disconnecting the cable from the negative (-) battery terminal to disable the SRS system.
NOTE: When disconnecting the cable, some systems need to be initialized after the cable is reconnected.

NEXT -- Continue to next step.

2. CHECK FOR OPEN IN CAN BUS WIRE (CENTER AIRBAG SENSOR BRANCH WIRE)




(a) Disconnect the E45 center airbag sensor assembly connector.
(b) Measure the resistance according to the value(s) in the table below.
Standard Resistance:






NG -- REPAIR OR REPLACE CENTER AIRBAG SENSOR ASSEMBLY BRANCH WIRE OR CONNECTOR (CANH, CANL)
OK -- Continue to next step.

3. CHECK HARNESS AND CONNECTOR (CENTER AIRBAG SENSOR ASSEMBLY - BATTERY AND BODY GROUND)
(a) Connect the cable to the negative (-) battery terminal.
NOTE: When disconnecting the cable, some systems need to be initialized after the cable is reconnected.




(b) Disconnect the E45 center airbag sensor connector.
(c) Measure the resistance according to the value(s) in the table below.
Standard Resistance:





(d) Measure the voltage according to the value(s) in the table below.
Standard Voltage:






NG -- REPAIR OR REPLACE HARNESS OR CONNECTOR
OK -- REPLACE CENTER AIRBAG SENSOR ASSEMBLY