Operation CHARM: Car repair manuals for everyone.
Manuals through 2025 now available!

Our trusted friends have launched a new website named LEMON, which has newer manuals. It also contains all the CHARM manuals.

LEMON is the spiritual successor to CHARM, I recommend you try it!

Link: lemon-manuals.la or lemon-manuals.org.ua

(Some people have issue connecting. LEMON is investigating. For now, use Firefox or change your DNS server)

Or, hide this message: temporarily or permanently

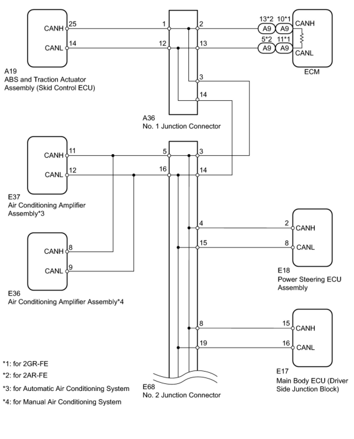
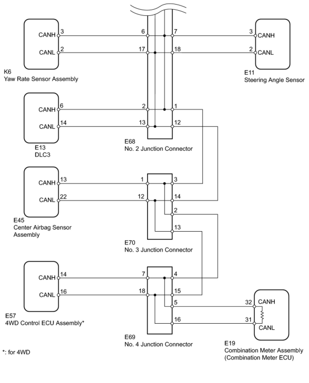
Short to B+ in CAN Bus Line








CAN COMMUNICATION: CAN COMMUNICATION SYSTEM: Short to B+ in CAN Bus Line

Short to B+ in CAN Bus Line

DESCRIPTION

There may be a short circuit between the CAN bus line and B+ when the resistance between terminals 6 (CANH) and 16 (BAT) or terminals 14 (CANL) and 16 (BAT) of the DLC3 is below 1 Ohms.






*: for 4WD

WIRING DIAGRAM









INSPECTION PROCEDURE
NOTICE:
- Turn the ignition switch off before measuring the resistance of the main wire and the branch wire.
- After the ignition switch is turned off, check that the key reminder warning system and light reminder buzzer are not in operation.
- Before measuring the resistance, leave the vehicle for at least 1 minute and do not operate the ignition switch, any switches or doors. If doors need to be opened in order to check connectors, open the doors and leave them open.
HINT: Operating the ignition switch, any switches or any doors triggers related ECU and sensor communication with the CAN, which causes resistance variation.

PROCEDURE

1. DISCONNECT CABLE FROM NEGATIVE BATTERY TERMINAL
(a) Disconnect the cable from the negative (-) battery terminal before measuring the resistance of the main wire and the branch wire.
CAUTION: Wait at least 90 seconds after disconnecting the cable from the negative (-) battery terminal to disable the SRS system.
NOTE: When disconnecting the cable, some systems need to be initialized after the cable is reconnected.

NEXT -- Continue to next step.

2. CHECK FOR SHORT TO B+ IN CAN BUS WIRE (DLC3 BRANCH WIRE)




(a) Disconnect the E68 No. 2 junction connector.
(b) Measure the resistance of the DLC3.
Standard Resistance:






NG -- REPAIR OR REPLACE CAN BRANCH WIRE CONNECTED TO DLC3 (CANH, CANL)
OK -- Continue to next step.

3. CONNECT CONNECTOR
(a) Reconnect the E68 No. 2 junction connector.
NEXT -- Continue to next step.

4. CHECK FOR SHORT TO B+ IN CAN BUS WIRE (NO. 1 JUNCTION CONNECTOR SIDE)




(a) Disconnect the A36 No. 1 junction connector.
(b) Measure the resistance of the DLC3.
Standard Resistance:






OK -- CHECK FOR SHORT TO B+ IN CAN BUS WIRE (NO. 1 JUNCTION CONNECTOR - ECM)
NG -- Continue to next step.

5. CONNECT CONNECTOR
(a) Reconnect the A36 No. 1 junction connector.
NEXT -- Continue to next step.

6. CHECK FOR SHORT TO B+ IN CAN BUS WIRE (NO. 3 JUNCTION CONNECTOR, NO. 4 JUNCTION CONNECTOR SIDE)




(a) Disconnect the E70 No. 3 junction connector.
(b) Measure the resistance of the DLC3.
Standard Resistance:






NG -- CONNECT CONNECTOR
OK -- Continue to next step.

7. CONNECT CONNECTOR
(a) Reconnect the E70 No. 3 junction connector.
NEXT -- Continue to next step.

8. CHECK FOR SHORT TO B+ IN CAN BUS WIRE (NO. 4 JUNCTION CONNECTOR SIDE)




(a) Disconnect the E69 No. 4 junction connector.
(b) Measure the resistance of the DLC3.
Standard Resistance:






OK -- CHECK FOR SHORT TO B+ IN CAN BUS WIRE (NO. 4 JUNCTION CONNECTOR - 4WD CONTROL ECU)
NG -- Continue to next step.

9. CONNECT CONNECTOR
(a) Reconnect the E69 No. 4 junction connector.
NEXT -- Continue to next step.

10. CHECK FOR SHORT TO B+ IN CAN BUS WIRE (NO. 3 JUNCTION CONNECTOR - CENTER AIRBAG SENSOR ASSEMBLY)




(a) Disconnect the E70 No. 3 junction connector.
(b) Measure the resistance according to the value(s) in the table below.
Standard Resistance:






OK -- REPAIR OR REPLACE CAN MAIN WIRE OR CONNECTOR (NO. 3 JUNCTION CONNECTOR - NO. 4 JUNCTION CONNECTOR)
NG -- Continue to next step.

11. CONNECT CONNECTOR
(a) Reconnect the E70 No. 3 junction connector.
NEXT -- Continue to next step.

12. CHECK FOR SHORT TO B+ IN CAN BUS WIRE (CENTER AIRBAG SENSOR)




(a) Disconnect the E45 center airbag sensor assembly connector.
(b) Measure the resistance of the DLC3.
Standard Resistance:






NG -- REPAIR OR REPLACE CAN BRANCH WIRE CONNECTED TO CENTER AIRBAG SENSOR ASSEMBLY (CANH, CANL)
OK -- REPLACE CENTER AIRBAG SENSOR ASSEMBLY
13. CHECK FOR SHORT TO B+ IN CAN BUS WIRE (NO. 1 JUNCTION CONNECTOR - ECM)




(a) Disconnect the A36 No. 1 junction connector.
(b) Measure the resistance according to the value(s) in the table below.
Standard Resistance:






NG -- CONNECT CONNECTOR
OK -- Continue to next step.

14. CHECK FOR SHORT TO B+ IN CAN BUS WIRE (NO. 1 JUNCTION CONNECTOR - ABS AND TRACTION ACTUATOR)




(a) Measure the resistance according to the value(s) in the table below.
Standard Resistance:






NG -- CONNECT CONNECTOR
OK -- REPAIR OR REPLACE CAN MAIN WIRE OR CONNECTOR (NO. 1 JUNCTION CONNECTOR - NO. 2 JUNCTION CONNECTOR)
15. CONNECT CONNECTOR
(a) Reconnect the A36 No. 1 junction connector.
NEXT -- Continue to next step.

16. CHECK FOR SHORT TO B+ IN CAN BUS WIRE (ECM)




(a) Disconnect the A9 ECM connector.
(b) Measure the resistance of the DLC3.
Standard Resistance:






Result





C -- REPAIR OR REPLACE CAN MAIN WIRE CONNECTED TO ECM (NO. 1 JUNCTION CONNECTOR - ECM)
B -- REPLACE ECM
A -- REPLACE ECM
17. CONNECT CONNECTOR
(a) Reconnect the A36 No. 1 junction connector.
NEXT -- Continue to next step.

18. CHECK FOR SHORT TO B+ IN CAN BUS WIRE (ABS AND TRACTION ACTUATOR)




(a) Disconnect the A19 ABS and traction actuator (skid control ECU) connector.
(b) Measure the resistance of the DLC3.
Standard Resistance:






NG -- REPAIR OR REPLACE CAN BRANCH WIRE CONNECTED TO ABS AND TRACTION ACTUATOR ASSEMBLY (CANH, CANL)
OK -- REPLACE ABS AND TRACTION ACTUATOR ASSEMBLY (SKID CONTROL ECU)
19. CONNECT CONNECTOR
(a) Reconnect the E70 No. 3 junction connector.
NEXT -- Continue to next step.

20. CHECK FOR SHORT TO B+ IN CAN BUS WIRE (NO. 2 JUNCTION CONNECTOR - YAW RATE SENSOR)




(a) Disconnect the E68 No. 2 junction connector.
(b) Measure the resistance according to the value(s) in the table below.
Standard Resistance:






NG -- CONNECT CONNECTOR
OK -- Continue to next step.

21. CHECK FOR SHORT TO B+ IN CAN BUS WIRE (NO. 2 JUNCTION CONNECTOR - POWER STEERING ECU)




(a) Measure the resistance according to the value(s) in the table below.
Standard Resistance:






NG -- CONNECT CONNECTOR
OK -- Continue to next step.

22. CHECK FOR SHORT TO B+ IN CAN BUS WIRE (NO. 2 JUNCTION CONNECTOR - MAIN BODY ECU)




(a) Measure the resistance according to the value(s) in the table below.
Standard Resistance:






NG -- CONNECT CONNECTOR
OK -- Continue to next step.

23. CHECK FOR SHORT TO B+ IN CAN BUS WIRE (NO. 2 JUNCTION CONNECTOR - AIR CONDITIONING AMPLIFIER)




(a) Measure the resistance according to the value(s) in the table below.
Standard Resistance:






NG -- CONNECT CONNECTOR
OK -- Continue to next step.

24. CHECK FOR SHORT TO B+ IN CAN BUS WIRE (NO. 2 JUNCTION CONNECTOR - STEERING ANGLE SENSOR)




(a) Measure the resistance according to the value(s) in the table below.
Standard Resistance:






NG -- CONNECT CONNECTOR
OK -- REPAIR OR REPLACE CAN MAIN WIRE OR CONNECTOR (NO. 2 JUNCTION CONNECTOR - NO. 3 JUNCTION CONNECTOR)
25. CONNECT CONNECTOR
(a) Reconnect the E68 No. 2 junction connector.
NEXT -- Continue to next step.

26. CHECK FOR SHORT TO B+ IN CAN BUS WIRE (YAW RATE SENSOR)




(a) Disconnect the K6 yaw rate sensor assembly connector.
(b) Measure the resistance of the DLC3.
Standard Resistance:






NG -- REPAIR OR REPLACE CAN BRANCH WIRE CONNECTED TO YAW RATE SENSOR ASSEMBLY (CANH, CANL)
OK -- REPLACE YAW RATE SENSOR ASSEMBLY
27. CONNECT CONNECTOR
(a) Reconnect the E68 No. 2 junction connector.
NEXT -- Continue to next step.

28. CHECK FOR SHORT TO B+ IN CAN BUS WIRE (POWER STEERING ECU)




(a) Disconnect the E18 power steering ECU assembly connector.
(b) Measure the resistance of the DLC3.
Standard Resistance:






NG -- REPAIR OR REPLACE CAN BRANCH WIRE CONNECTED TO POWER STEERING ECU ASSEMBLY (CANH, CANL)
OK -- REPLACE POWER STEERING ECU ASSEMBLY
29. CONNECT CONNECTOR
(a) Reconnect the E68 No. 2 junction connector.
NEXT -- Continue to next step.

30. CHECK FOR SHORT TO B+ IN CAN BUS WIRE (MAIN BODY ECU)




(a) Disconnect the E17 main body ECU connector.
(b) Measure the resistance of the DLC3.
Standard Resistance:






NG -- REPAIR OR REPLACE CAN BRANCH WIRE CONNECTED TO MAIN BODY ECU (CANH, CANL)
OK -- REPLACE MAIN BODY ECU (DRIVER SIDE JUNCTION BLOCK)
31. CONNECT CONNECTOR
(a) Reconnect the E68 No. 2 junction connector.
NEXT -- Continue to next step.

32. CHECK FOR SHORT TO B+ IN CAN BUS WIRE (AIR CONDITIONING AMPLIFIER)




(a) Disconnect the E37*1 or E36*2 air conditioning amplifier assembly connector.

- *1: for Automatic Air Conditioning System
- *2: for Manual Air Conditioning System
(b) Measure the resistance of the DLC3.
Standard Resistance:






NG -- REPAIR OR REPLACE CAN BRANCH WIRE CONNECTED TO AIR CONDITIONING AMPLIFIER ASSEMBLY (CANH, CANL)
OK -- REPLACE AIR CONDITIONING AMPLIFIER ASSEMBLY
33. CONNECT CONNECTOR
(a) Reconnect the E68 No. 2 junction connector.
NEXT -- Continue to next step.

34. CHECK FOR SHORT TO B+ IN CAN BUS WIRE (STEERING ANGLE SENSOR)




(a) Disconnect the E11 steering angle sensor connector.
(b) Measure the resistance of the DLC3.
Standard Resistance:






NG -- REPAIR OR REPLACE CAN BRANCH WIRE CONNECTED TO STEERING ANGLE SENSOR (CANH, CANL)
OK -- REPLACE STEERING ANGLE SENSOR
35. CHECK FOR SHORT TO B+ IN CAN BUS WIRE (NO. 4 JUNCTION CONNECTOR - 4WD CONTROL ECU)
NOTE: For vehicles without 4WD, go to "Check for Short to B+ in CAN Bus Wire (No. 4 Junction Connector - Combination Meter)".




(a) Measure the resistance according to the value(s) in the table below.
Standard Resistance:






NG -- CONNECT CONNECTOR
OK -- Continue to next step.

36. CHECK FOR SHORT TO B+ IN CAN BUS WIRE (NO. 4 JUNCTION CONNECTOR - COMBINATION METER)




(a) Measure the resistance according to the value(s) in the table below.
Standard Resistance:






NG -- CONNECT CONNECTOR
OK -- Continue to next step.

37. CONNECT CONNECTOR
(a) Reconnect the E69 No. 4 junction connector.
NEXT -- Continue to next step.

38. CHECK FOR SHORT TO B+ IN CAN BUS WIRE (4WD CONTROL ECU)




(a) Disconnect the E57 4WD control ECU assembly connector.
(b) Measure the resistance of the DLC3.
Standard Resistance:






NG -- REPAIR OR REPLACE CAN BRANCH WIRE CONNECTED TO 4WD CONTROL ECU ASSEMBLY (CANH, CANL)
OK -- REPLACE 4WD CONTROL ECU ASSEMBLY
39. CONNECT CONNECTOR
(a) Reconnect the E69 No. 4 junction connector.
NEXT -- Continue to next step.

40. CHECK FOR SHORT TO B+ IN CAN BUS WIRE (COMBINATION METER ECU)




(a) Disconnect the E19 combination meter assembly (combination meter ECU) connector.
(b) Measure the resistance of the DLC3.
Standard Resistance:






NG -- REPAIR OR REPLACE CAN MAIN WIRE CONNECTED TO COMBINATION METER ASSEMBLY (CANH, CANL)
OK -- REPLACE COMBINATION METER ASSEMBLY (COMBINATION METER ECU)