Operation CHARM: Car repair manuals for everyone.
Manuals through 2025 now available!

Our trusted friends have launched a new website named LEMON, which has newer manuals. It also contains all the CHARM manuals.

LEMON is the spiritual successor to CHARM, I recommend you try it!

Link: lemon-manuals.la or lemon-manuals.org.ua

(Some people have issue connecting. LEMON is investigating. For now, use Firefox or change your DNS server)

Or, hide this message: temporarily or permanently

Starting - Smart Key System















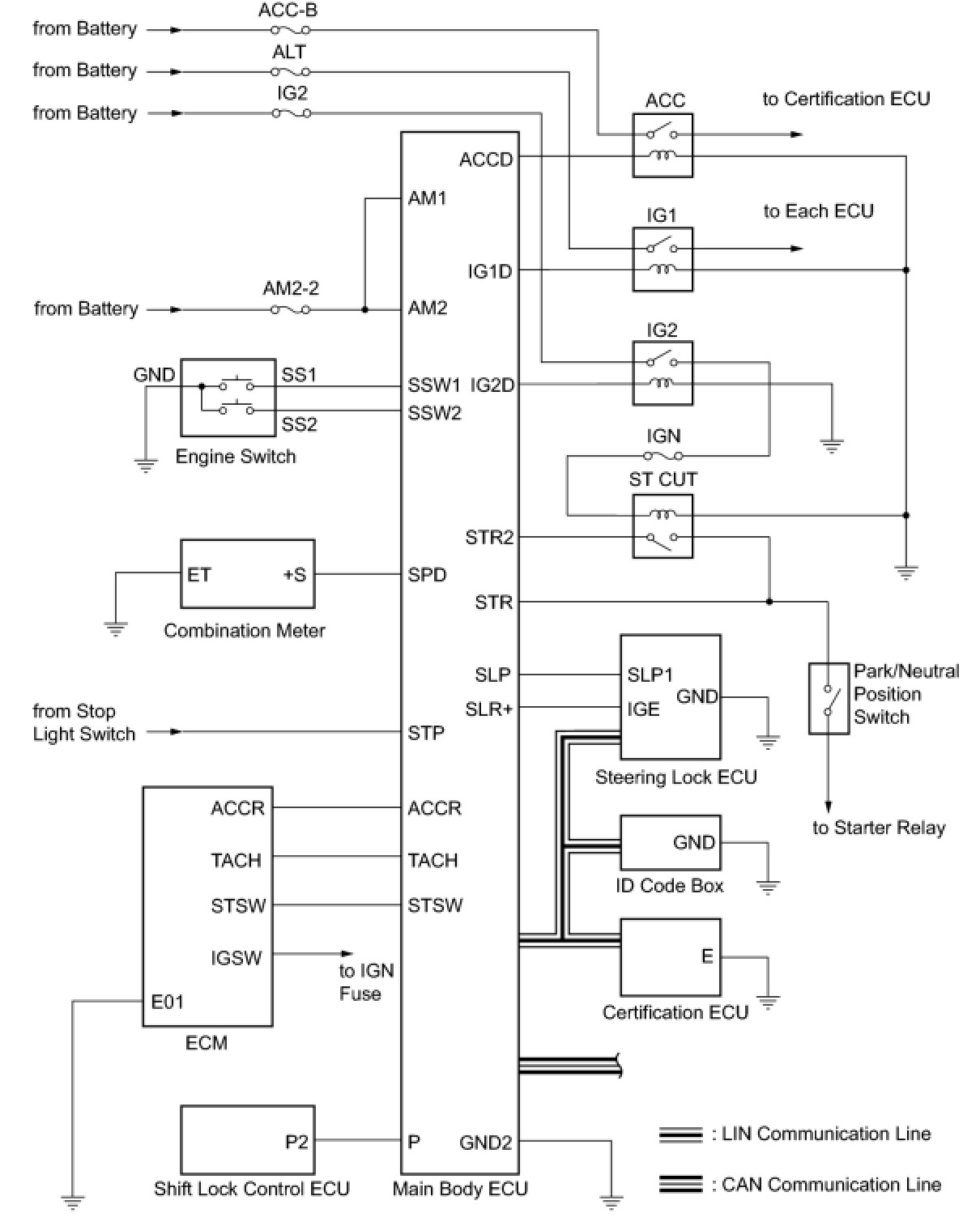
2AR-FE STARTING: SMART KEY SYSTEM: SYSTEM DIAGRAM

SYSTEM DIAGRAM





Communication Table






2AR-FE STARTING: SMART KEY SYSTEM: SYSTEM DESCRIPTION

SYSTEM DESCRIPTION

1. PUSH-BUTTON START DESCRIPTION
(a) The push-button start uses a push-type engine switch, which the driver can operate by merely carrying the key. This system consists primarily of the main body ECU, engine switch, ID code box, steering lock ECU, key, ACC relay, IG1 relay, IG2 relay and certification ECU. The main body ECU controls the system. This function operates in cooperation with the smart key system. The table below shows the transition of the engine switch state, which depends on whether the brake pedal is depressed or released.
(b) This system has different power source mode patterns depending on the brake pedal condition.





When the battery of the key is low, the push-button start function can be operated by holding the key against the engine switch.
2. FUNCTION OF COMPONENT






3. SYSTEM FUNCTION
The electric controls of the push-button start function are described below:










4. CONSTRUCTION AND OPERATION
(a) Engine switch:
The engine switch consists of a momentary type switch, color (amber, green) LEDs and the transponder key amplifier.
- The amber LED is for illumination.
- The amber and green LEDs are for the indicator light. The driver can check the present power source mode and whether the engine can start or not by checking the illumination state of the indicator light.
- When the main body ECU detects an abnormality in the smart key system, it makes the amber indicator light flash. If the engine stops in this state, it might not be possible to restart it.

(b) Indicator light condition:






(c) Main body ECU:
The main body ECU consists of the IG1 and IG2 relay actuation circuits and CPU.





5. WHEN KEY BATTERY IS LOW
(a) To operate the push-button start function when the key battery is low, touch the TOYOTA mark of the key to the engine switch while depressing the brake pedal with the shift lever in P or N.
(b) The main body ECU transmits a key verification request signal from the stop light switch to the certification ECU.
(c) The certification ECU does not receive an ID code response from the door control receiver, so it actuates the transponder key amplifier built into the engine switch.
(d) The transponder key amplifier outputs an engine immobiliser radio wave to the key.
(e) The key receives the radio wave, and returns a radio wave response to the transponder key amplifier.
(f) The transponder key amplifier combines the key ID codes with the radio wave response and transmits it to the certification ECU.
(g) The certification ECU judges and verifies the ID code, and transmits a key verification OK signal to the main body ECU. The buzzer in the combination meter sounds at the same time.
(h) After the buzzer sounds, with the shift lever in P or N, if the engine switch is pressed within 5 seconds with the brake pedal not depressed and the shift lever in P or N, the power source mode changes to on (ACC) or on (IG), which is the same as under normal operation.

6. DIAGNOSIS
The main body ECU can detect malfunctions in the push-button start function when the power source mode is on (IG).
When the ECU detects a malfunction, the amber indicator light of the engine switch flashes to warn the driver. At the same time, the ECU stores the 5-digit DTC (Diagnostic Trouble Code) in memory.

- The indicator light warning continues for 15 seconds even after the power source mode is changed to off.
- The DTCs can be checked by connecting the intelligent tester to the DLC3.
- The push-button start function cannot be operated if a malfunction occurs.