Operation CHARM: Car repair manuals for everyone.
Manuals through 2025 now available!

Our trusted friends have launched a new website named LEMON, which has newer manuals. It also contains all the CHARM manuals.

LEMON is the spiritual successor to CHARM, I recommend you try it!

Link: lemon-manuals.la or lemon-manuals.org.ua

(Some people have issue connecting. LEMON is investigating. For now, use Firefox or change your DNS server)

Or, hide this message: temporarily or permanently

Installation








SUPPLEMENTAL RESTRAINT SYSTEM: CENTER AIRBAG SENSOR ASSEMBLY: INSTALLATION

INSTALLATION
CAUTION: Be sure to read the precautionary notices concerning the SRS airbag system before servicing it Service Precautions.





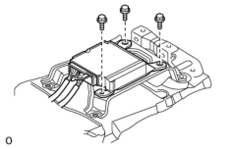
1. INSTALL CENTER AIRBAG SENSOR ASSEMBLY
(a) Install the airbag sensor with the 3 bolts.
Torque: 17.5 Nm (179 kgf-cm, 13 ft-lbf)
NOTICE:
- If the airbag sensor has been dropped, or there are any cracks, dents or other defects in the case, bracket or connector, replace it with a new one.
- When installing the airbag sensor, be careful that the SRS wiring does not interfere with other parts and that it is not pinched between other parts.

(b) Connect the airbag sensor connectors.
2. INSTALL REAR CONSOLE BOX ASSEMBLY Installation
3. INSTALL NO. 1 INSTRUMENT PANEL BRACKET COVER INNER LH Installation
4. INSTALL NO. 1 INSTRUMENT PANEL BRACKET COVER INNER RH Installation
5. INSTALL CONSOLE REAR END PANEL Installation
6. INSTALL UPPER REAR CONSOLE PANEL SUB-ASSEMBLY Installation
7. INSTALL CONSOLE CUP HOLDER BOX Installation
8. INSTALL SWITCH BASE Installation
9. INSTALL UPPER CONSOLE PANEL SUB-ASSEMBLY Installation
10. INSTALL NO. 2 CONSOLE UPPER PANEL GARNISH Installation
11. INSTALL NO. 1 CONSOLE UPPER PANEL GARNISH Installation
12. CONNECT CABLE TO NEGATIVE BATTERY TERMINAL
13. CHECK SRS WARNING LIGHT
(a) Check the SRS warning light Problem Symptoms Table.