Distance Control Switch Circuit
CRUISE CONTROL: DYNAMIC LASER CRUISE CONTROL SYSTEM: Distance Control Switch Circuit
Distance Control Switch Circuit
DESCRIPTION
The distance control switch sets the vehicle-to-vehicle distance mode. The distance control switch is installed in the steering pad switch. The vehicle-to-vehicle distance set value can be changed by operating the steering pad switch (distance control switch) while the dynamic laser cruise control system is in operation.
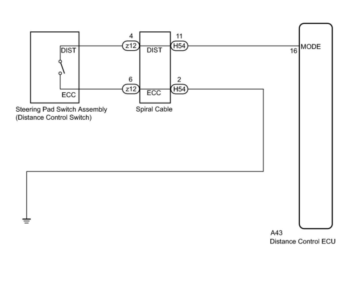
WIRING DIAGRAM
INSPECTION PROCEDURE
PROCEDURE
1. INSPECT STEERING PAD SWITCH ASSEMBLY
(a) Remove the steering pad switch assembly Removal.
(b) Measure the resistance according to the value(s) in the table below.
Standard Resistance:
HINT: When a malfunction is detected in the distance control switch, replace the steering pad switch assembly.
NG -- REPLACE STEERING PAD SWITCH ASSEMBLY
OK -- Continue to next step.
2. INSPECT SPIRAL CABLE
NOTE: The spiral cable is an important part of the SRS airbag system. Incorrect removal or installation of the spiral cable may cause airbag deployment.
HINT:
- Removal Removal
- Installation Installation
(a) Remove the spiral cable.
(b) Measure the resistance according to the value(s) in the table below.
Standard Resistance:
HINT: The spiral cable makes a maximum of approximately 5 rotations.
NG -- REPLACE SPIRAL CABLE
OK -- Continue to next step.
3. CHECK HARNESS AND CONNECTOR (DISTANCE CONTROL ECU - SPIRAL CABLE)
(a) Disconnect the A43 distance control ECU connector.
(b) Measure the resistance according to the value(s) in the table below.
Standard Resistance:
NG -- REPAIR OR REPLACE HARNESS OR CONNECTOR
OK -- Continue to next step.
4. CHECK HARNESS AND CONNECTOR (SPIRAL CABLE - BODY GROUND)
(a) Measure the resistance according to the value(s) in the table below.
Standard Resistance:
NG -- REPAIR OR REPLACE HARNESS OR CONNECTOR
OK -- Continue to next step.
5. INSPECT DISTANCE CONTROL ECU
(a) Remove the distance control ECU with the connector.
(b) Turn the ignition switch to ON.
(c) Measure the voltage according to the value(s) in the table below.
Standard Voltage:
NG -- REPLACE DISTANCE CONTROL ECU
OK -- PROCEED TO NEXT CIRCUIT INSPECTION SHOWN IN PROBLEM SYMPTOMS TABLE