Operation CHARM: Car repair manuals for everyone.
Manuals through 2025 now available!

Our trusted friends have launched a new website named LEMON, which has newer manuals. It also contains all the CHARM manuals.

LEMON is the spiritual successor to CHARM, I recommend you try it!

Link: lemon-manuals.la or lemon-manuals.org.ua

(Some people have issue connecting. LEMON is investigating. For now, use Firefox or change your DNS server)

Or, hide this message: temporarily or permanently

System Specifications

SURFACE VARIATION & CYLINDER BORE











CRANKSHAFT

Insert the main bearing cap by hand until the clearance between the main bearing cap and cylinder block is less than 6 mm (0.236 in.) by marking the 2 internal bearing cap bolts as a guide.

Bolt length 91 mm (3.58 in.)





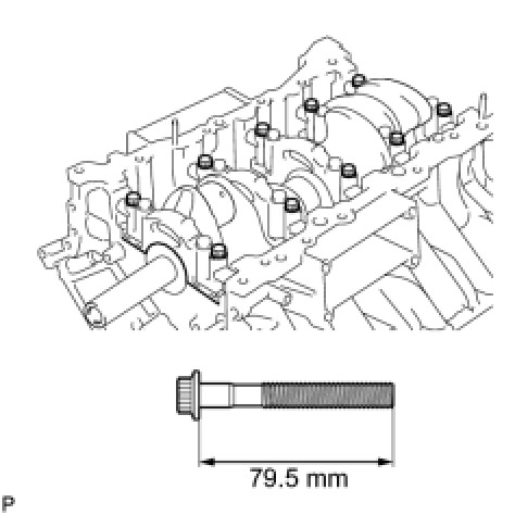
Temporarily install the 10 main bearing cap bolts to the outside positions.

Bolt length 79.5 mm (3.13 in.)

The main bearing cap bolts are tightened in 2 progressive steps.





Uniformly tighten the 20 main bearing cap bolts in the sequence shown in the illustration.

Inside Position
Torque 61 Nm (622 kgf-cm, 45 ft-lbf)

Outside Position
Torque 27 Nm (275 kgf-cm, 20 ft-lbf)





Mark the front of the bearing cap bolts with the paint.
Further tighten the cylinder head bolts 90° as shown in the illustration.
Check that the paint mark is now at a 90° angle from the front.
Check that the crankshaft turns smoothly.





Install and uniformly tighten the 10 main bearing cap bolts and 10 new seal washers in several steps, in the sequence shown in the illustration.

Torque 45 Nm (459 kgf-cm, 33 ft-lbf)

Check that the crankshaft turns smoothly




















There are 6 standard bearing sizes. For the No. 1 and No. 5 position bearings, use bearings marked 4, 5, 6, 7, 8 and 9. For other bearings, use bearings marked 3, 4, 5, 6, 7 and 8.





Example:
Cylinder block "07" + Crankshaft "06" = Total number 13 (Use upper bearing "6" and lower bearing "7")

A = Cylinder block number mark
B = Crankshaft number mark

Standard Bearing Center Wall Thickness:

No. 1 and No. 5 Journals





Other Journals:





CONNECTING ROD














Each bearing's standard thickness is indicated by a 1, 2, 3 or 4 mark on its surface.
Select the correct bearing by adding together the number marks imprinted on the connecting rod big end and crank pin.

Example:
Connecting rod "1" + Crank pin "2" = 3 (Use bearing "3")

Reference:

Standard Sized Bearing Center Wall Thickness:





Connecting Rod Big End Inside Diameter:





Crankshaft Pin Diameter:





PISTON AND CONNECTING ROD





Install and alternately tighten the bolts of the connecting rod cap in several steps.

Torque 40 Nm (408 kgf-cm, 30 ft-lbf)





Mark the front of the connecting rod cap bolts with paint.
Further tighten the connecting rod cap bolts 90° as shown in the illustration.
Check that the paint mark is now at a 90° angle from the front.
Check that the crankshaft turns smoothly

PISTON








PISTON RING GAP & GROOVE CLEARANCE





CRANKSHAFT PULLEY

Torque 300 Nm (3059 kgf-cm, 221 ft-lbf)