Operation CHARM: Car repair manuals for everyone.
Manuals through 2025 now available!

Our trusted friends have launched a new website named LEMON, which has newer manuals. It also contains all the CHARM manuals.

LEMON is the spiritual successor to CHARM, I recommend you try it!

Link: lemon-manuals.la or lemon-manuals.org.ua

(Some people have issue connecting. LEMON is investigating. For now, use Firefox or change your DNS server)

Or, hide this message: temporarily or permanently

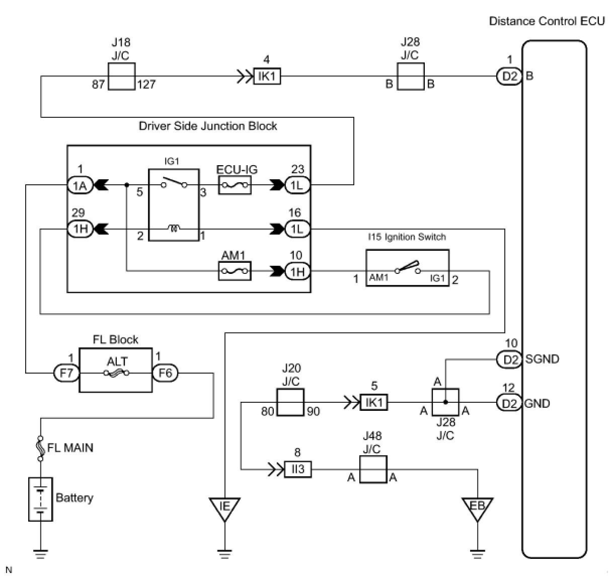
Distance Control ECU Power Source Circuit








CRUISE CONTROL: DYNAMIC LASER CRUISE CONTROL SYSTEM: Distance Control ECU Power Source Circuit

Distance Control ECU Power Source Circuit

DESCRIPTION

This circuit provides power to operate the distance control ECU. The distance control ECU determines information about the vehicle in front based on data from the laser sensor, and then decides how much acceleration and/or deceleration is needed to maintain the set distance. The distance control ECU also requests the skid control ECU to apply braking and to sound the buzzer.

WIRING DIAGRAM





INSPECTION PROCEDURE

PROCEDURE

1. CHECK HARNESS AND CONNECTOR




(a) Disconnect the D2 distance control ECU connector.
(b) Measure the voltage according to the value(s) in the table below.
Standard Voltage:





(c) Measure the resistance according to the value(s) in the table below.
Standard Resistance:






NG -- REPAIR OR REPLACE HARNESS OR CONNECTOR
OK -- PROCEED TO NEXT SUSPECTED AREA SHOWN IN PROBLEM SYMPTOMS TABLE