Operation CHARM: Car repair manuals for everyone.
Manuals through 2025 now available!

Our trusted friends have launched a new website named LEMON, which has newer manuals. It also contains all the CHARM manuals.

LEMON is the spiritual successor to CHARM, I recommend you try it!

Link: lemon-manuals.la or lemon-manuals.org.ua

(Some people have issue connecting. LEMON is investigating. For now, use Firefox or change your DNS server)

Or, hide this message: temporarily or permanently

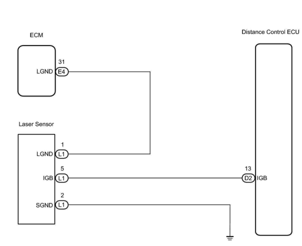
Laser Sensor Power Source Circuit








CRUISE CONTROL: DYNAMIC LASER CRUISE CONTROL SYSTEM: Laser Sensor Power Source Circuit

Laser Sensor Power Source Circuit

DESCRIPTION

This circuit provides power to the laser sensor. The laser sensor emits radio waves towards an object in front and measures the distance and direction of the object by receiving the beam reflections. Based on the reflections, the sensor calculates the difference in speed between the vehicle and the object in front. This data is transmitted to the distance control ECU. The ECM recognizes the laser sensor via terminals LGND. If an open circuit occurs in the wire harness between terminals LGND, the ECM cannot recognize the laser sensor. The ECM will stop the control of the vehicle-to-vehicle distance control mode and only the constant speed control mode can be used.

WIRING DIAGRAM





INSPECTION PROCEDURE

PROCEDURE

1. CHECK DISTANCE CONTROL ECU (IGB VOLTAGE)




(a) Disconnect the laser sensor connector.
(b) Measure the voltage according to the value(s) in the table below.
Standard Voltage:






NG -- CHECK HARNESS AND CONNECTOR (LASER SENSOR - DISTANCE CONTROL ECU)
OK -- Continue to next step.

2. CHECK HARNESS AND CONNECTOR (LASER SENSOR - ECM AND BODY GROUND)




(a) Disconnect the ECM connector.
(b) Measure the resistance according to the value(s) in the table below.
Standard Resistance:






NG -- REPAIR OR REPLACE HARNESS OR CONNECTOR
OK -- PROCEED TO NEXT SUSPECTED AREA SHOWN IN PROBLEM SYMPTOMS TABLE
3. CHECK HARNESS AND CONNECTOR (LASER SENSOR - DISTANCE CONTROL ECU)




(a) Disconnect the distance control ECU connector.
(b) Measure the resistance according to the value(s) in the table below.
Standard Resistance:






NG -- REPAIR OR REPLACE HARNESS OR CONNECTOR
OK -- REPLACE DISTANCE CONTROL ECU