Operation CHARM: Car repair manuals for everyone.
Manuals through 2025 now available!

Our trusted friends have launched a new website named LEMON, which has newer manuals. It also contains all the CHARM manuals.

LEMON is the spiritual successor to CHARM, I recommend you try it!

Link: lemon-manuals.la or lemon-manuals.org.ua

(Some people have issue connecting. LEMON is investigating. For now, use Firefox or change your DNS server)

Or, hide this message: temporarily or permanently

Installation








AIR CONDITIONING: COMPRESSOR AND MAGNETIC CLUTCH: INSTALLATION

INSTALLATION

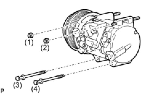
1. INSTALL COMPRESSOR AND MAGNETIC CLUTCH





(a) Using a "TORX" socket wrench (E8), install the compressor and magnetic clutch with the 2 stud bolts.
Torque: 10 Nm (102 kgf-cm, 7.4ft-lbf)
HINT: Tighten the stud bolts in the order shown in the illustration.





(b) Install the compressor and magnetic clutch with the 2 bolts and the 2 nuts.
Torque: 25 Nm (255 kgf-cm, 18ft-lbf)
HINT: Tighten the bolts and nuts in the order shown in the illustration.

(c) Connect the 2 clamps and wire harness.
(d) Connect the connector.
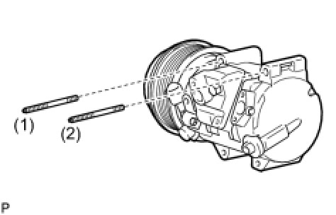
2. INSTALL SUCTION HOSE SUB-ASSEMBLY
(a) Remove the attached vinyl tape from the hose.
(b) Apply sufficient compressor oil to a new O-ring and the fitting surface of the compressor and magnetic clutch.
Compressor oil:
ND-OIL 8 or equivalent
(c) Install the O-ring onto the suction hose sub-assembly.





(d) Install the suction hose sub-assembly onto the compressor and magnetic clutch with the bolt.
Torque: 5.4 Nm (55 kgf-cm, 48in-lbf)
3. INSTALL DISCHARGE HOSE SUB-ASSEMBLY
(a) Remove the attached vinyl tape from the hose.
(b) Apply sufficient compressor oil to a new O-ring and the fitting surface of the compressor and magnetic clutch.
Compressor oil:
ND-OIL 8 or equivalent
(c) Install the O-ring onto the discharge hose sub-assembly.





(d) Install the discharge hose sub-assembly onto the compressor and magnetic clutch with the bolt.
Torque: 5.4 Nm (55 kgf-cm, 48in-lbf)
4. INSTALL RADIATOR AND FAN ASSEMBLY Installation
5. INSTALL V-RIBBED BELT Installation
6. INSTALL FRONT FENDER APRON SEAL RH Installation
7. INSTALL FRONT WHEEL RH
8. CHARGE WITH REFRIGERANT Removal and Replacement
9. WARM UP ENGINE
10. INSPECT FOR REFRIGERANT LEAK Removal and Replacement