Operation CHARM: Car repair manuals for everyone.
Manuals through 2025 now available!

Our trusted friends have launched a new website named LEMON, which has newer manuals. It also contains all the CHARM manuals.

LEMON is the spiritual successor to CHARM, I recommend you try it!

Link: lemon-manuals.la or lemon-manuals.org.ua

(Some people have issue connecting. LEMON is investigating. For now, use Firefox or change your DNS server)

Or, hide this message: temporarily or permanently

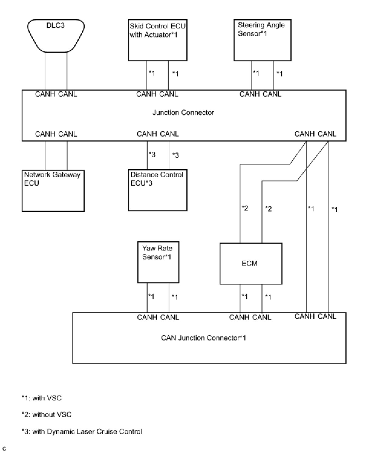
CAN Communication System








CAN COMMUNICATION: CAN COMMUNICATION SYSTEM: TERMINALS OF ECU

TERMINALS OF ECU

1. JUNCTION CONNECTOR
(a) Junction connector





with VSC





HINT:
*1: with Dynamic laser cruise control

without VSC





(b) CAN junction connector (with VSC)





with VSC





(c) The connection diagram of the components which are connected to the CAN junction connector.









2. DLC3
(a) Measure the resistance according to the value(s) in the table below.

Standard resistance






3. ECM





(a) Disconnect the connector from the ECM.
(b) Measure the resistance according to the value(s) in the table below.

Standard resistance





4. NETWORK GATEWAY ECU





(a) Disconnect the connector from the network gateway ECU.
(b) Measure the resistance according to the value(s) in the table below.

Standard resistance





5. SKID CONTROL ECU WITH ACTUATOR





(a) Disconnect the connector from the skid control ECU with actuator.
(b) Measure the resistance according to the value(s) in the table below.

Standard resistance





6. STEERING ANGLE SENSOR





(a) Disconnect the connector from the steering angle sensor.
(b) Measure the resistance according to the value(s) in the table below.

Standard resistance









7. YAW RATE SENSOR
(a) Disconnect the connector from the yaw rate sensor.
(b) Measure the resistance according to the value(s) in the table below.

Standard resistance






8. DISTANCE CONTROL ECU





(a) Disconnect the connector from the distance control ECU.





(b) Measure the resistance according to the value(s) in the table below.

Standard resistance