Operation CHARM: Car repair manuals for everyone.
Manuals through 2025 now available!

Our trusted friends have launched a new website named LEMON, which has newer manuals. It also contains all the CHARM manuals.

LEMON is the spiritual successor to CHARM, I recommend you try it!

Link: lemon-manuals.la or lemon-manuals.org.ua

(Some people have issue connecting. LEMON is investigating. For now, use Firefox or change your DNS server)

Or, hide this message: temporarily or permanently

Malfunction Indicator Lamp: Testing and Inspection








2GR-FE ENGINE CONTROL SYSTEM: SFI SYSTEM: MIL Circuit

MIL Circuit

DESCRIPTION

The MIL (Malfunction Indicator Lamp) is used to indicate vehicle malfunctions detected by the ECM. When the ignition switch is turned to the ON position, power is supplied to the MIL circuit, and the ECM provides the circuit ground which illuminates the MIL.
The MIL operation can be checked visually. When the ignition switch is first turned to the ON position, the MIL should be illuminated and should then turn off. If the MIL remains illuminated or is not illuminated, conduct the following troubleshooting procedure using the Techstream.

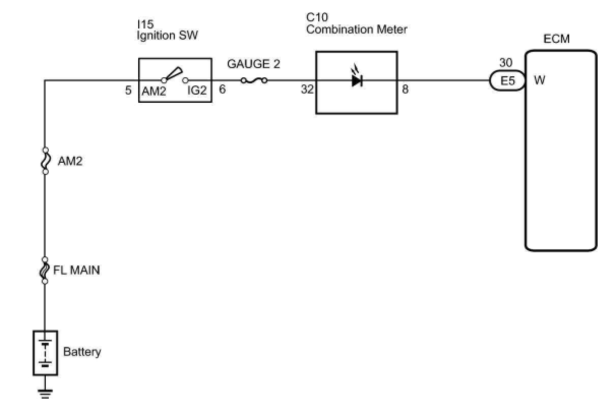
WIRING DIAGRAM





INSPECTION PROCEDURE

PROCEDURE

1. CHECK THAT MIL IS ILLUMINATED
(a) Turn the ignition switch to the ON position.
(b) Check the illumination of the MIL.
Result:






C -- SYSTEM OK
B -- CHECK THAT ENGINE STARTS
A -- Continue to next step.

2. CHECK WHETHER MIL TURNS OFF
(a) Connect the Techstream to the DLC3.
(b) Turn the ignition switch to the ON position and turn the tester on.
(c) Select the following menu items: Powertrain / Engine and ECT / Trouble Code.
(d) Check if any DTCs have been stored. Note down any DTCs.
(e) Clear the DTCs DTC Check / Clear.
(f) Check if the MIL goes off.
Standard:
MIL goes off.
OK -- REPAIR CIRCUITS INDICATED BY OUTPUT DTCS
NG -- Continue to next step.

3. CHECK HARNESS AND CONNECTOR (CHECK FOR SHORT IN WIRE HARNESS)




(a) Disconnect the E5 ECM connector.
(b) Turn the ignition switch to the ON position.
(c) Check that the MIL is not illuminated.
OK:
MIL is not illuminated.
(d) Reconnect the ECM connector.
OK -- REPLACE ECM
NG -- Continue to next step.

4. CHECK HARNESS AND CONNECTOR (COMBINATION METER - ECM)




(a) Disconnect the E5 ECM connector.
(b) Disconnect the C10 combination meter connector.
(c) Measure the resistance according to the value(s) in the table below.
Standard resistance (Check for open):






Standard resistance (Check for short):





(d) Reconnect the ECM connector.
(e) Reconnect the combination meter connector.
OK -- REPLACE COMBINATION METER ASSEMBLY
NG -- REPAIR OR REPLACE HARNESS OR CONNECTOR (COMBINATION METER - ECM)
5. CHECK THAT ENGINE STARTS
(a) Turn the ignition switch to the ON position.
(b) Start the engine.
Result:





HINT: *: The Techstream cannot communicate with the ECM.

B -- GO TO VC OUTPUT CIRCUIT
A -- Continue to next step.

6. CHECK HARNESS AND CONNECTOR (COMBINATION METER - BODY GROUND)




(a) Disconnect the E5 ECM connector.
(b) Turn the ignition switch to the ON position.
(c) Measure the voltage according to the value(s) in the table below.
Standard voltage:





(d) Reconnect the ECM connector.
OK -- REPLACE ECM
NG -- Continue to next step.

7. CHECK HARNESS AND CONNECTOR (COMBINATION METER - ECM)




(a) Disconnect the E5 ECM connector.
(b) Disconnect the C10 combination meter connector.
(c) Measure the resistance according to the value(s) in the table below.
Standard resistance (Check for short):






Standard resistance (Check for Short):





(d) Reconnect the ECM connector.
(e) Reconnect the combination meter connector.
NG -- REPAIR OR REPLACE HARNESS OR CONNECTOR (COMBINATION METER - ECM)
OK -- REPLACE COMBINATION METER ASSEMBLY