Operation CHARM: Car repair manuals for everyone.
Manuals through 2025 now available!

Our trusted friends have launched a new website named LEMON, which has newer manuals. It also contains all the CHARM manuals.

LEMON is the spiritual successor to CHARM, I recommend you try it!

Link: lemon-manuals.la or lemon-manuals.org.ua

(Some people have issue connecting. LEMON is investigating. For now, use Firefox or change your DNS server)

Or, hide this message: temporarily or permanently

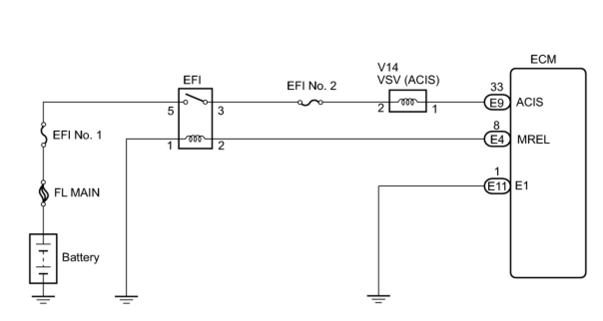
ACIS Control Circuit








2GR-FE ENGINE CONTROL SYSTEM: SFI SYSTEM: ACIS Control Circuit

ACIS Control Circuit

DESCRIPTION

This circuit opens and closes the Intake Air Control Valve (IACV) in response to changes in the engine load in order to increase the intake efficiency (ACIS: Acoustic Control Induction System).
When the engine speed is between 0 and 4450 rpm and the throttle valve opening angle is 60° or more, the ECM supplies current to the VSV (ON status), to close the IACV. Under other conditions, the VSV is usually OFF and the IACV is open.





WIRING DIAGRAM





INSPECTION PROCEDURE

PROCEDURE

1. PERFORM ACTIVE TEST USING TECHSTREAM (OPERATE VSV FOR ACIS)
(a) Connect the Techstream to the DLC3.
(b) Start the engine and turn the Techstream on.
(c) Select the following menu items: Powertrain / Engine and ECT / Active Test / Activate the VSV for Intake Control. Operate the VSV for ACIS.
OK:
Operational noise can be heard.
OK -- PROCEED TO NEXT CIRCUIT INSPECTION SHOWN IN PROBLEM SYMPTOMS TABLE
NG -- Continue to next step.

2. CHECK INTAKE AIR CONTROL VALVE (OPERATION)




(a) Disconnect the V14 VSV for ACIS connector.
(b) Apply battery voltage between the terminals of the air intake valve connector.
(c) Check the air intake valve operation.
OK:
Operational noise can be heard.
(d) Reconnect the VSV for ACIS connector.
NG -- REPLACE INTAKE AIR SURGE TANK
OK -- Continue to next step.

3. CHECK HARNESS AND CONNECTOR (VSV FOR ACIS - ECM)




(a) Check the wire harness and connectors between the VSV for ACIS and ECM.
(1) Disconnect the V14 VSV for ACIS connector.
(2) Disconnect the E9 ECM connector.
(3) Measure the resistance according to the value(s) in the table below.
Standard resistance :
Check for open






Check for short






(4) Reconnect the VSV for ACIS connector.
(5) Reconnect the ECM connector.
NG -- REPAIR OR REPLACE HARNESS OR CONNECTOR (VSV FOR ACIS - ECM)
OK -- Continue to next step.

4. INSPECT FUSE (EFI NO. 2 FUSE)




(a) Check the EFI No. 2 fuse.
(1) Remove the EFI No. 2 fuse from the engine room junction block.
(2) Measure the EFI No. 2 fuse resistance.
Standard resistance:
Below 1 Ohms
(3) Reinstall the EFI No. 2 fuse.
NG -- REPLACE FUSE (EFI NO. 2 FUSE)
OK -- Continue to next step.

5. CHECK HARNESS AND CONNECTOR (VSV FOR ACIS - EFI RELAY)




(a) Check the wire harness between the VSV for ACIS connector and EFI relay.
(1) Remove the EFI relay from the engine room junction block.
(2) Disconnect the V14 VSV connector.
(3) Measure the resistance according to the value(s) in the table below.
Standard resistance :
Check for open






(4) Reinstall the EFI relay.
(5) Reconnect the VSV connector.
NG -- REPAIR OR REPLACE HARNESS OR CONNECTOR (VSV FOR ACIS - EFI RELAY)
OK -- CHECK ECM POWER SOURCE CIRCUIT