Operation CHARM: Car repair manuals for everyone.
Manuals through 2025 now available!

Our trusted friends have launched a new website named LEMON, which has newer manuals. It also contains all the CHARM manuals.

LEMON is the spiritual successor to CHARM, I recommend you try it!

Link: lemon-manuals.la or lemon-manuals.org.ua

(Some people have issue connecting. LEMON is investigating. For now, use Firefox or change your DNS server)

Or, hide this message: temporarily or permanently

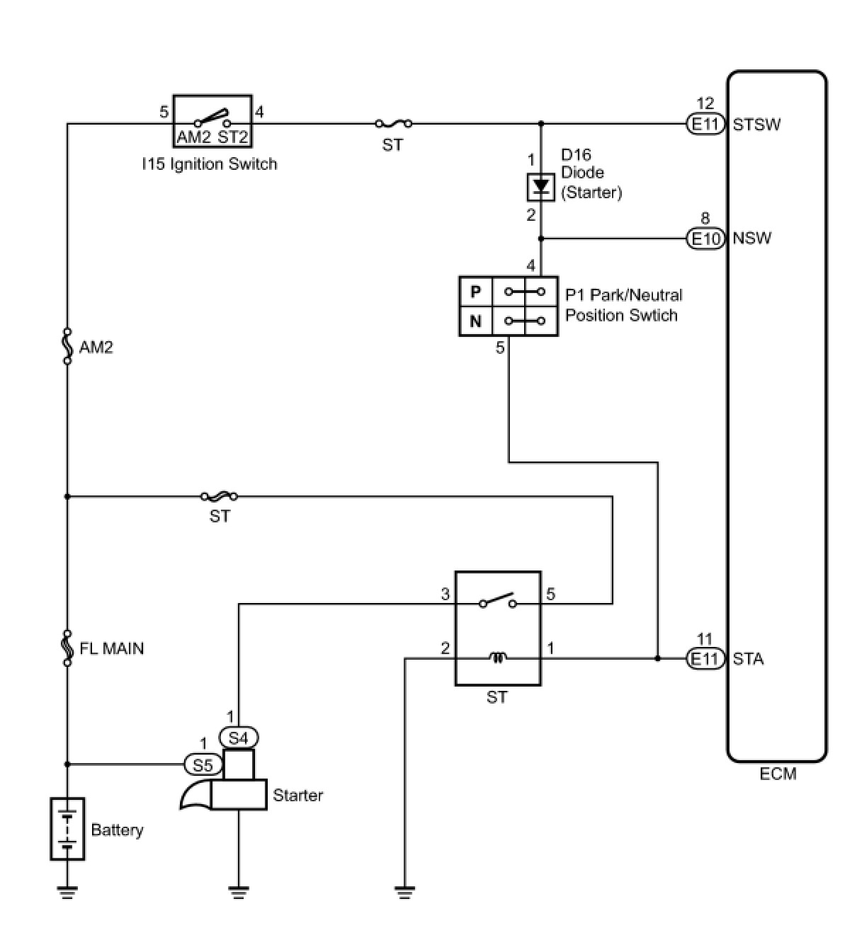
Cranking Holding Function Circuit








2GR-FE ENGINE CONTROL SYSTEM: SFI SYSTEM: Cranking Holding Function Circuit

Cranking Holding Function Circuit

DESCRIPTION

The system detects the ignition switch's starting signal (STSW) and then supplies current to the starter until the ECM judges that the engine has started successfully. The purpose is to reduce the holding time of the ignition key.





WIRING DIAGRAM






INSPECTION PROCEDURE

PROCEDURE

1. CHECK CRANKING
(a) When starting the engine, check whether the starter motor starts.
OK:
Engine is cranking.
OK -- CHECK FOR INTERMITTENT PROBLEMS
NG -- Continue to next step.

2. READ VALUE USING TECHSTREAM (STA SIGNAL)
(a) Connect the Techstream to the DLC3.
(b) Turn the ignition switch to the ON position.
(c) Turn the tester on.
(d) Select the following menu items: Powertrain / Engine and ECT / Data List / Starter Signal.
(e) Check the result when the ignition switch is turned ON and when the engine is started.
OK:






OK -- INSPECT ST RELAY
NG -- Continue to next step.

3. CHECK ECM (STAR AND STSW VOLTAGE)




(a) Measure the voltage between the terminals of the ECM connector and body ground while cranking the engine.
Standard voltage:






Result:






C -- INSPECT FUSE (ST FUSE)
B -- REPLACE ECM
A -- Continue to next step.

4. INSPECT PARK/NEUTRAL POSITION SWITCH ASSEMBLY




(a) Inspect the Park/Neutral Position (PNP) switch.
(1) Disconnect the P1 PNP switch connector.
(2) Measure the resistance according to the value(s) in the table below.
Standard resistance:






(3) Reconnect the PNP switch connector.
NG -- REPLACE PARK/NEUTRAL POSITION SWITCH ASSEMBLY
OK -- Continue to next step.

5. CHECK HARNESS AND CONNECTOR (IGNITION SWITCH - PARK/NEUTRAL POSITION SWITCH)




(a) Disconnect the I15 ignition switch connector.
(b) Disconnect the P1 park/neutral position switch connector.
(c) Measure the resistance according to the value(s) in the table below.
Standard resistance (check for open):






Standard resistance (check for short):





(d) Reconnect the ignition switch connector.
(e) Reconnect the park/neutral position switch connector.
NG -- REPAIR OR REPLACE HARNESS OR CONNECTOR (IGNITION SWITCH - PARK/NEUTRAL POSITION SWITCH)
OK -- REPAIR OR REPLACE HARNESS OR CONNECTOR (PARK/NEUTRAL POSITION SWITCH - ECM)
6. INSPECT ST RELAY




(a) Remove the ST relay from the No. 3 relay block.
(b) Measure the resistance according to the value(s) in the table below.
Standard resistance:





(c) Reinstall the ST relay to the No. 3 relay block.
NG -- REPLACE ST RELAY
OK -- Continue to next step.

7. CHECK HARNESS AND CONNECTOR (PARK/NEUTRAL POSITION SWITCH - ST RELAY)




(a) Disconnect the P1 park/neutral position switch connector.
(b) Remove the ST relay from the No. 3 relay block.
(c) Measure the resistance according to the value(s) in the table below.
Standard resistance (check for open):






Standard resistance (check for short):





(d) Reconnect the park/neutral position switch connector.
(e) Reinstall the ST relay to the No. 3 relay block.
NG -- REPAIR OR REPLACE HARNESS OR CONNECTOR (PARK/NEUTRAL POSITION SWITCH - ST RELAY)
OK -- Continue to next step.

8. CHECK HARNESS AND CONNECTOR (ST RELAY - BODY GROUND)




(a) Remove the ST relay from the No. 3 relay block.
(b) Measure the resistance according to the value(s) in the table below.
Standard resistance:





(c) Reinstall the ST relay to the No. 3 relay block.
NG -- REPAIR OR REPLACE HARNESS OR CONNECTOR (ST RELAY - BODY GROUND)
OK -- Continue to next step.

9. CHECK ST RELAY (POWER SOURCE)




(a) Remove the ST relay from the No. 3 relay block.
(b) Measure the voltage according to the value(s) in the table below.
Standard voltage:





(c) Reinstall the ST relay to the No. 3 relay block.
OK -- INSPECT STARTER ASSEMBLY
NG -- Continue to next step.

10. INSPECT FUSIBLE LINK




(a) Remove the fusible link block from the engine room junction block.
(b) Measure the resistance according to the value(s) in the table below.
Standard resistance:





(c) Reinstall the fusible link block to the engine room junction block.
NG -- REPLACE FUSIBLE LINK
OK -- REPAIR OR REPLACE HARNESS OR CONNECTOR (BATTERY - STARTER RELAY)
11. INSPECT STARTER ASSEMBLY
(a) Inspect the starter assembly Testing and Inspection.
NG -- REPLACE STARTER ASSEMBLY
OK -- Continue to next step.

12. CHECK HARNESS AND CONNECTOR (ST RELAY - STARTER ASSEMBLY)




(a) Remove the ST relay from the No. 3 relay block.
(b) Disconnect the S4 starter connector.
(c) Measure the resistance according to the value(s) in the table below.
Standard resistance (check for open):






Standard resistance (check for short):





(d) Reconnect the starter connector.
(e) Reinstall the ST relay to the No. 3 relay block.
NG -- REPAIR OR REPLACE HARNESS OR CONNECTOR (ST RELAY - STARTER ASSEMBLY)
OK -- REPAIR OR REPLACE HARNESS OR CONNECTOR (BATTERY - STARTER ASSEMBLY)
13. INSPECT FUSE (ST FUSE)




(a) Remove the ST fuse from the fuse box.
(b) Measure the resistance according to the value(s) in the table below.
Standard resistance:





(c) Reinstall the ST fuse.
NG -- REPLACE FUSE (ST FUSE)
OK -- Continue to next step.

14. INSPECT IGNITION SWITCH ASSEMBLY




(a) Disconnect the I15 ignition switch connector.
(b) Measure the resistance according to the value(s) in the table below.
Standard resistance:





(c) Reconnect the ignition switch connector.
NG -- REPLACE IGNITION SWITCH ASSEMBLY
OK -- Continue to next step.

15. CHECK HARNESS AND CONNECTOR (ECM - IGNITION SWITCH ASSEMBLY)




(a) Disconnect the E11 ECM connector.
(b) Disconnect the I15 ignition switch connector.
(c) Measure the resistance according to the value(s) in the table below.
Standard resistance (check for open):






Standard resistance (check for short):





(d) Reconnect the ECM connector.
(e) Reconnect the ignition switch connector.
NG -- REPAIR OR REPLACE HARNESS OR CONNECTOR (ECM - IGNITION SWITCH ASSEMBLY)
OK -- REPAIR OR REPLACE HARNESS OR CONNECTOR (IGNITION SWITCH - BATTERY)