Operation CHARM: Car repair manuals for everyone.
Manuals through 2025 now available!

Our trusted friends have launched a new website named LEMON, which has newer manuals. It also contains all the CHARM manuals.

LEMON is the spiritual successor to CHARM, I recommend you try it!

Link: lemon-manuals.la or lemon-manuals.org.ua

(Some people have issue connecting. LEMON is investigating. For now, use Firefox or change your DNS server)

Or, hide this message: temporarily or permanently

Part 1








2GR-FE ENGINE CONTROL SYSTEM: SFI SYSTEM: EVAP System

EVAP System

RELATED DTCS





If any EVAP system DTCs are set, the malfunctioning area can be determined using the table below.




NOTICE: If the 0.02 inch reference pressure difference between the first and second checks is greater than the specification, the DTCs corresponding to the reference pressure (P043E, P043F, P0441, P0455, P0456, P2401, P2420) will be all stored.

CONFIRMATION DRIVING PATTERN
HINT: After a repair, check Monitor Status by performing the Key-Off Monitor Confirmation and Purge Flow Monitor Confirmation described below.

1. KEY-OFF MONITOR CONFIRMATION
(a) Preconditions
The monitor will not run unless:
(1) The vehicle has been driven for 10 minutes or more (in a city area or on a freeway)
(2) The fuel tank is less than 90% full
(3) The altitude is less than 8000 ft (2400 m)
(4) The Engine Coolant Temperature (ECT) is between 4.4°C and 35°C (40°F and 95°F)
(5) The Intake Air Temperature (IAT) is between 4.4°C and 35°C (40°F and 95°F)
(6) The vehicle remains stationary (the vehicle speed is 0 mph [0 km/h])
(b) Monitor Conditions
(1) Allow the engine to idle for at least 5 minutes.
(2) Turn the ignition switch off and wait for 6 hours (8 or 10.5 hours).
HINT: Do not start the engine until checking Monitor Status. If the engine is started, the steps described above must be repeated.

(c) Monitor Status
(1) Connect the Techstream to the DLC3.
(2) Turn the ignition switch to the ON position and turn the tester on.
(3) Select the following menu items: Powertrain / Engine and ECT / Monitor / Evaporative System.
(4) Check the "Monitor Status" displayed on the tester.
HINT: If Incomplete is displayed, the monitor is not completed. Make sure that the preconditions have been met, and perform "Monitor Conditions" again.

2. PURGE FLOW MONITOR CONFIRMATION (P0441)
HINT: Perform this monitor confirmation after the Key-Off Monitor Confirmation shows Complete.

(a) Preconditions
The monitor will not run unless:
- The vehicle has been driven for 10 minutes or more (in a city area or on a freeway)
- The ECT is between 4.4°C and 35°C (40°F and 95°F)
- The IAT is between 4.4°C and 35°C (40°F and 95°F)

(b) Monitor Conditions
(1) Release the pressure from the fuel tank by removing and reinstalling the fuel tank cap.
(2) Warm the engine up until the ECT reaches more than 75°C (167°F).
(3) Increase the engine speed to 3000 rpm once.
(4) Allow the engine to idle and turn the A/C ON for 1 minute.
(c) Monitor Status
(1) Turn the ignition switch off.
(2) Connect the Techstream to the DLC3.
(3) Turn the ignition switch to the ON position and turn the tester on.
(4) Select the following menu items: Powertrain / Engine and ECT / Monitor.
(5) Check the "Monitor Status" displayed on the tester.
HINT: If Incomplete is displayed, the monitor is not completed. Make sure that the preconditions have been met, and perform "Monitor Conditions" again.

MONITOR RESULT
- Refer to Checking Monitor Status for detailed information Mode 6 Data.
- The test value and test limit information are described as shown in the following table. This information is included in Monitor Result of the emissions-related DTC sections:

- MID (Monitor Identification Data) is assigned to each emissions-related component.
- TID (Test Identification Data) is assigned to each test value.
- Scaling is used to calculate the test value indicated on generic OBD II scan tools.

Thermostat





* Pressures A to G are indicated as shown in the diagram below.





DESCRIPTION









While the engine is running, if a predetermined condition (closed-loop, etc.) is met, the purge VSV is opened by the ECM and fuel vapors stored in the canister are purged to the intake manifold. The ECM changes the duty cycle ratio of the purge VSV to control purge flow volume.
The purge flow volume is also determined by the intake manifold pressure. Atmospheric pressure is allowed into the canister through the vent valve to ensure that the purge flow is maintained when negative pressure (vacuum) is applied to the canister.
The following two monitors run to confirm appropriate EVAP system operation.
1. Key-off monitor
This monitor checks for EVAP (Evaporative Emission) system leaks and pump module malfunctions. The monitor starts 5 hours* after the ignition switch is turned off. More than 5 hours are required to allow the fuel to cool down to stabilize the Fuel Tank Pressure (FTP), thus making the EVAP system monitor more accurate.
The electric vacuum pump creates negative pressure (vacuum) in the EVAP system, and the pressure is measured. Finally, the ECM monitors for leaks from the EVAP system and malfunctions in both the pump module and purge VSV, based on the EVAP pressure.
HINT: *: If the engine coolant temperature is not below 35°C (95°F) 5 hours after the ignition switch is turned off, the monitor check starts 2 hours later. If it is still not below 35°C (95°F) 7 hours after the ignition switch is turned off, the monitor check starts 2.5 hours later.

2. Purge flow monitor
The purge flow monitor consists of the two monitors. The 1st monitor is always conducted every time and the 2nd monitor is activated if necessary.

- The 1st monitor
While the engine is running and the purge VSV (Vacuum Switching Valve) is ON (open), the ECM monitors the purge flow by measuring the EVAP pressure change. If negative pressure is not created, the ECM begins the 2nd monitor.
- The 2nd monitor
The vent valve is turned OFF (open) and the EVAP pressure is then measured. If the variation in the pressure is less than 0.5 kPa (3.75 mmHg), the ECM interprets this as the purge VSV being stuck closed, and illuminates the MIL and sets DTC P0441 (2 trip detection logic).
- Atmospheric pressure check:
In order to ensure reliable malfunction detection, the variation between the atmospheric pressures, before and after conduction of the purge flow monitor, is measured by the ECM.














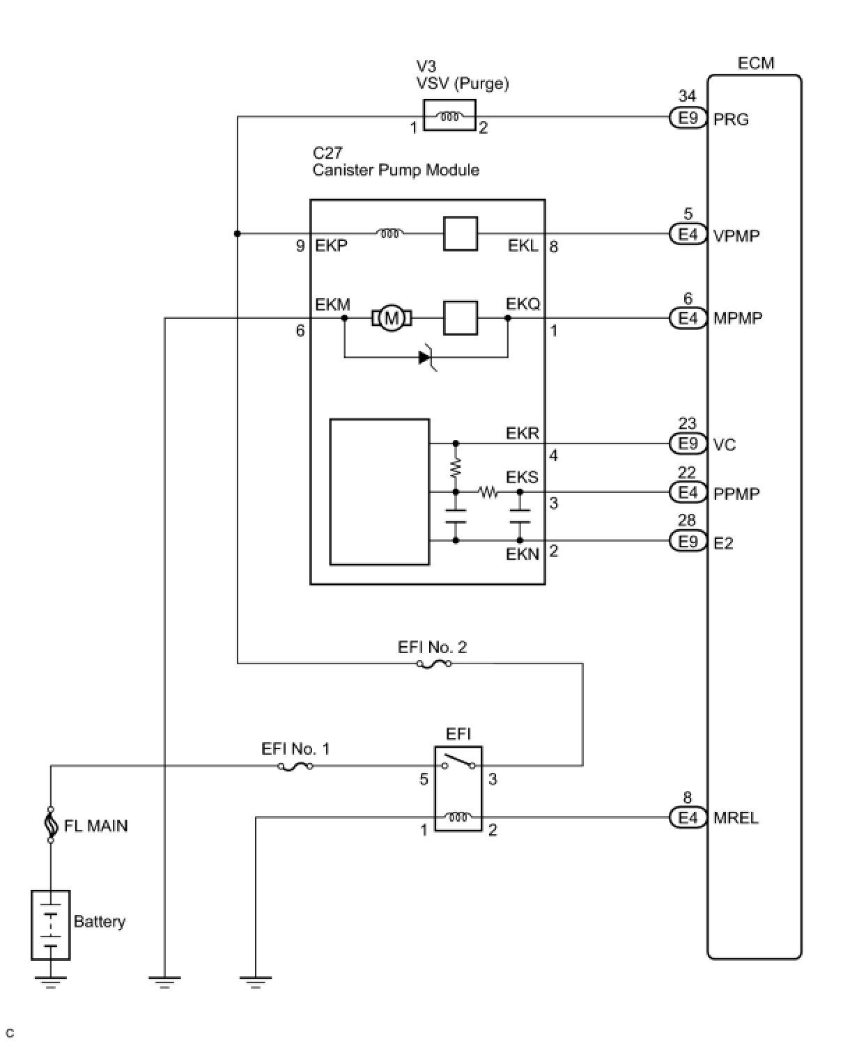
WIRING DIAGRAM