Operation CHARM: Car repair manuals for everyone.
Manuals through 2025 now available!

Our trusted friends have launched a new website named LEMON, which has newer manuals. It also contains all the CHARM manuals.

LEMON is the spiritual successor to CHARM, I recommend you try it!

Link: lemon-manuals.la or lemon-manuals.org.ua

(Some people have issue connecting. LEMON is investigating. For now, use Firefox or change your DNS server)

Or, hide this message: temporarily or permanently

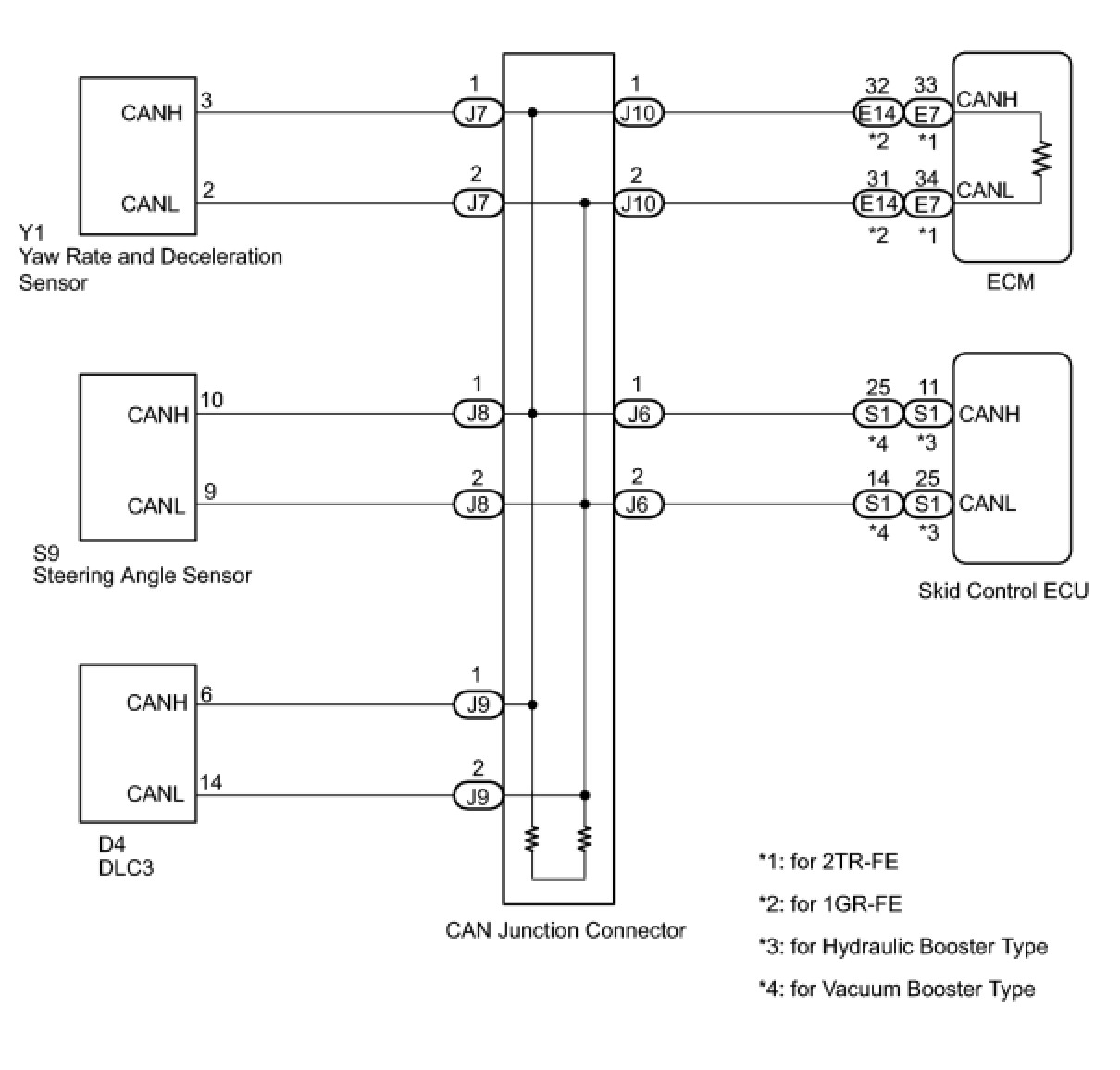
Open in One Side of CAN Sub Bus Line








CAN COMMUNICATION SYSTEM: Open in One Side of CAN Sub Bus Line

Open in One Side of CAN Sub Bus Line

DESCRIPTION

If 2 or more ECUs and/or sensors do not appear on the Techstream "CAN Bus Check" screen, one side of the CAN branch wire may be open. (ONE side of the CANH [branch wire] / CANL [branch wire] of the ECU and/or sensor is open.)






WIRING DIAGRAM





INSPECTION PROCEDURE

PROCEDURE

1. CHECK FOR OPEN IN ONE SIDE OF THE CAN BRANCH WIRE (SKID CONTROL ECU BRANCH WIRE)




(a) Disconnect the J6 CAN junction connector.
(b) Select "CAN Bus Check" on the Techstream display Diagnosis System.

Result





B -- CONNECT CONNECTOR
A -- Continue to next step.

2. CONNECT CONNECTOR
(a) Reconnect the J6 CAN junction connector.
NEXT -- Continue to next step.

3. CHECK FOR OPEN IN ONE SIDE OF THE CAN BRANCH WIRE (STEERING ANGLE SENSOR BRANCH WIRE)




(a) Disconnect the J8 CAN junction connector.
(b) Select "CAN Bus Check" on the Techstream display Diagnosis System.

Result





B -- CONNECT CONNECTOR
A -- Continue to next step.

4. CONNECT CONNECTOR
(a) Reconnect the J8 CAN junction connector.
NEXT -- Continue to next step.

5. CHECK FOR OPEN IN ONE SIDE OF THE BRANCH WIRE (YAW RATE AND DECELERATION SENSOR BRANCH WIRE)




(a) Disconnect the J7 CAN junction connector.
(b) Select "CAN Bus Check" on the Techstream display Diagnosis System.

Result





B -- INSPECT CAN JUNCTION CONNECTOR
A -- Continue to next step.

6. CONNECT CONNECTOR
(a) Reconnect the J7 CAN junction connector.
NEXT -- Continue to next step.

7. CHECK FOR OPEN IN ONE SIDE OF THE CAN BRANCH WIRE (YAW RATE AND DECELERATION SENSOR BRANCH WIRE)




(a) Disconnect the Y1 yaw rate and deceleration sensor sensor connector.
(b) Measure the resistance according to the value(s) in the table below.
Standard Resistance:






NG -- REPAIR OR REPLACE YAW RATE AND DECELERATION SENSOR BRANCH WIRE OR CONNECTOR (CANH, CANL)
OK -- REPLACE YAW RATE AND DECELERATION SENSOR
8. CONNECT CONNECTOR
(a) Reconnect the J6 CAN junction connector.
NEXT -- Continue to next step.

9. CHECK FOR OPEN IN ONE SIDE OF THE CAN BRANCH WIRE (SKID CONTROL ECU BRANCH WIRE)




(a) Disconnect the S1 skid control ECU connector.
(b) Measure the resistance according to the value(s) in the table below.
Standard Resistance:





- *1: for Hydraulic Booster Type
- *2: for Vacuum Booster Type

Result





C -- REPLACE MASTER CYLINDER SOLENOID (SKID CONTROL ECU)
B -- REPLACE BRAKE ACTUATOR ASSEMBLY (SKID CONTROL ECU)
A -- REPAIR OR REPLACE SKID CONTROL ECU BRANCH WIRE OR CONNECTOR (CANH, CANL)
10. CONNECT CONNECTOR
(a) Reconnect the J8 CAN junction connector.
NEXT -- Continue to next step.

11. CHECK FOR AN OPEN IN ONE SIDE OF THE BRANCH WIRE (STEERING ANGLE SENSOR BRANCH WIRE)




(a) Disconnect the S9 steering angle sensor connector.
(b) Measure the resistance according to the value(s) in the table below.
Standard Resistance:






NG -- REPAIR OR REPLACE STEERING ANGLE SENSOR BRANCH WIRE OR CONNECTOR (CANH, CANL)
OK -- REPLACE STEERING ANGLE SENSOR
12. INSPECT CAN JUNCTION CONNECTOR




(a) Disconnect the J6, J7, J8, J9, and J10 CAN junction connector.
(b) Measure the resistance according to the value(s) in the table below.
Standard Resistance:






Result





C -- REPLACE ECM
B -- REPLACE ECM
A -- REPLACE CAN JUNCTION CONNECTOR