EFI Relay
1GR-FE ENGINE CONTROL SYSTEM: EFI RELAY: ON-VEHICLE INSPECTION
ON-VEHICLE INSPECTION
1. DISCONNECT CABLE FROM NEGATIVE BATTERY TERMINAL
NOTICE:
- Some systems need to be initialized after the cable is reconnected Repair Instruction - Initialization.
- After the ignition switch is turned OFF, the navigation system requires approximately 90 seconds to record various types of memory and settings. As a result, after turning the ignition switch OFF, wait 90 seconds or more before disconnecting the cable from the negative (-) battery terminal.
2. REMOVE INTEGRATION RELAY (UNIT E)
(a) Remove the engine room relay block cover.
(b) Using a screwdriver, detach the 2 claws and disconnect the integration relay from the engine room relay block.
HINT: Tape the screwdriver tip before use.
(c) Disconnect the 3 connectors.
3. INSPECT INTEGRATION RELAY (EFI RELAY)
NOTICE:
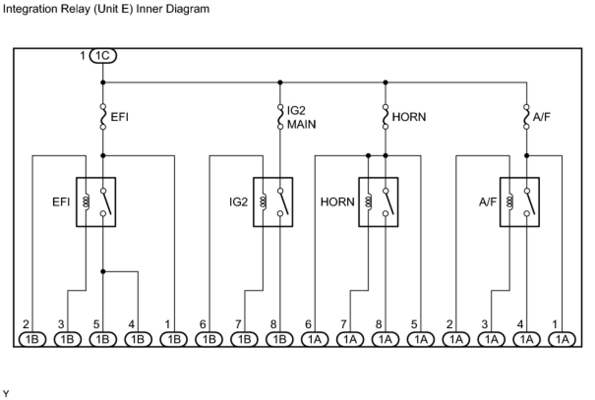
- Some relays are built into the integration relay (unit E). The integration relay cannot be disassembled. If there is a malfunction in the circuit of the integration relay, replace the integration relay.
- The internal circuit of the integration relay is as shown in the illustration below. Inspect the integration relay using the following procedures.
(a) Measure the resistance of the EFI fuse.
(1) Measure the resistance according to the value(s) in the table below.
Standard resistance:
If the result is not as specified, replace the EFI fuse.
(b) Measure the resistance of the EFI relay circuit.
(1) Measure the resistance according to the value(s) in the table below.
Standard resistance:
If the result is not as specified, replace the integration relay.
4. INSTALL INTEGRATION RELAY (UNIT E)
(a) Connect the 3 connectors.
(b) Install the integration relay to the engine room relay block.
(c) Install the engine room relay block cover.
5. CONNECT CABLE TO NEGATIVE BATTERY TERMINAL
NOTE: Some systems need to be initialized after the cable is reconnected Repair Instruction - Initialization.