Operation CHARM: Car repair manuals for everyone.
Manuals through 2025 now available!

Our trusted friends have launched a new website named LEMON, which has newer manuals. It also contains all the CHARM manuals.

LEMON is the spiritual successor to CHARM, I recommend you try it!

Link: lemon-manuals.la or lemon-manuals.org.ua

(Some people have issue connecting. LEMON is investigating. For now, use Firefox or change your DNS server)

Or, hide this message: temporarily or permanently

Starter Signal Circuit








1AR-FE ENGINE CONTROL: SFI SYSTEM: Starter Signal Circuit

Starter Signal Circuit

DESCRIPTION

1. w/o Smart Key System
While the engine is being cranked, current flows from terminal ST1 of the ignition switch assembly to the park/neutral position switch assembly and also flows to terminal STA of the ECM (STA Signal).
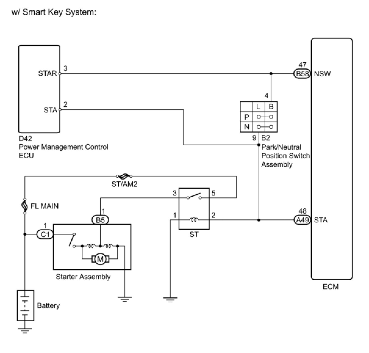
2. w/ Smart Key System
While the engine is being cranked, current flows from terminal STAR of the power management control ECU to the park/neutral position switch assembly and also flows to terminal STA of the ECM (STA signal).

WIRING DIAGRAM









INSPECTION PROCEDURE
NOTICE: Inspect the fuses for circuits related to this system before performing the following inspection procedure.

PROCEDURE

1. READ VALUE USING TECHSTREAM (STARTER SIGNAL)
(a) Connect the Techstream to the DLC3.
(b) Turn the ignition switch to ON.
(c) Turn the Techstream on.
(d) Enter the following menus: Powertrain / Engine / Data List / All Data / Starter Signal.
(e) Read the value displayed on the Techstream when the ignition switch is turned to ON and the engine is started.
OK:






NG -- CHECK ST RELAY (POWER SOURCE)
OK -- PROCEED TO NEXT SUSPECTED AREA SHOWN IN PROBLEM SYMPTOMS TABLE
2. CHECK ST RELAY (POWER SOURCE)




(a) Remove the ST relay from the engine room relay block.
(b) Measure the voltage according to the value(s) in the table below.
Standard Voltage:





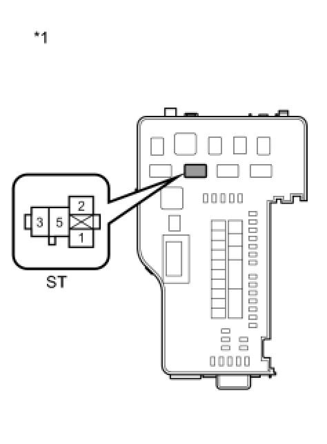
Text in Illustration





HINT: The engine will not crank because the relay is not installed.
(c) Reinstall the ST relay.
Result:





C -- CHECK HARNESS AND CONNECTOR (ST RELAY - POWER MANAGEMENT CONTROL ECU - PNP SWITCH - ECM)
B -- CHECK HARNESS AND CONNECTOR (ST RELAY - PARK/NEUTRAL POSITION SWITCH ASSEMBLY - ECM)
A -- REPAIR OR REPLACE HARNESS OR CONNECTOR (ECM - PARK/NEUTRAL POSITION SWITCH ASSEMBLY)
3. CHECK HARNESS AND CONNECTOR (ST RELAY - PARK/NEUTRAL POSITION SWITCH ASSEMBLY - ECM)
(a) Remove the ST relay from the engine room relay block.




(b) Disconnect the park/neutral position switch assembly connector.
(c) Disconnect the ECM connector.
(d) Measure the resistance according to the value(s) in the table below.
Standard Resistance (Check for Open):





Standard Resistance (Check for Short):





Text in Illustration





(e) Reinstall the ST relay.
(f) Reconnect the ECM connector.
(g) Reconnect the park/neutral position switch assembly connector.

NG -- REPAIR OR REPLACE HARNESS OR CONNECTOR (ST RELAY - PARK/NEUTRAL POSITION SWITCH ASSEMBLY - ECM)
OK -- Continue to next step.

4. INSPECT PARK/NEUTRAL POSITION SWITCH ASSEMBLY
(a) Inspect the park/neutral position switch assembly .

NG -- REPLACE PARK/NEUTRAL POSITION SWITCH ASSEMBLY
OK -- Continue to next step.

5. CHECK HARNESS AND CONNECTOR (IGNITION SWITCH - ECM - PARK/NEUTRAL POSITION SWITCH)
(a) Disconnect the ignition switch assembly connector.




(b) Disconnect the park/neutral position switch assembly connector.
(c) Disconnect the ECM connector.
(d) Measure the resistance according to the value(s) in the table below.
Standard Resistance (Check for Open):





Standard Resistance (Check for Short):





Text in Illustration





(e) Reconnect the ECM connector.
(f) Reconnect the park/neutral position switch assembly connector.
(g) Reconnect the ignition switch assembly connector.

NG -- REPAIR OR REPLACE HARNESS OR CONNECTOR (IGNITION SWITCH - ECM - PARK/NEUTRAL POSITION SWITCH)
OK -- Continue to next step.

6. INSPECT IGNITION SWITCH ASSEMBLY




(a) Disconnect the ignition switch assembly connector.
(b) Measure the resistance according to the value(s) in the table below.
Standard Resistance:





Text in Illustration





(c) Reconnect the ignition switch assembly connector.

NG -- REPLACE IGNITION SWITCH ASSEMBLY
OK -- REPAIR OR REPLACE HARNESS OR CONNECTOR (IGNITION SWITCH ASSEMBLY - BATTERY)
7. CHECK HARNESS AND CONNECTOR (ST RELAY - POWER MANAGEMENT CONTROL ECU - PNP SWITCH - ECM)
(a) Disconnect the ECM connector.




(b) Disconnect the park/neutral position switch assembly connector.
(c) Disconnect the power management control ECU connector.
(d) Remove the ST relay from the engine room relay block.
(e) Measure the resistance according to the value(s) in the table below.
Standard Resistance (Check for Open):





Standard Resistance (Check for Short):





Text in Illustration





(f) Reconnect the ECM connector.
(g) Reconnect the park/neutral position switch assembly connector.
(h) Reconnect the power management control ECU connector.
(i) Reinstall the ST relay.

NG -- REPAIR OR REPLACE HARNESS OR CONNECTOR (ST RELAY - POWER MANAGEMENT CONTROL ECU - PNP SWITCH - ECM)
OK -- Continue to next step.

8. INSPECT PARK/NEUTRAL POSITION SWITCH ASSEMBLY
(a) Inspect the park/neutral position switch assembly .

NG -- REPLACE PARK/NEUTRAL POSITION SWITCH ASSEMBLY
OK -- Continue to next step.

9. CHECK HARNESS AND CONNECTOR (POWER MANAGEMENT CONTROL ECU - ECM - PNP SWITCH)
(a) Disconnect the power management control ECU connector.




(b) Disconnect the ECM connector.
(c) Disconnect the park/neutral position switch assembly connector.
(d) Measure the resistance according to the value(s) in the table below.
Standard Resistance (Check for Open):





Standard Resistance (Check for Short):





Text in Illustration





(e) Reconnect the power management control ECU connector.
(f) Reconnect the park/neutral position switch assembly connector.
(g) Reconnect the ECM connector.

NG -- REPAIR OR REPLACE HARNESS OR CONNECTOR (POWER MANAGEMENT CONTROL ECU - ECM - PNP SWITCH)
OK -- GO TO SMART KEY SYSTEM