Engine Control Part 13
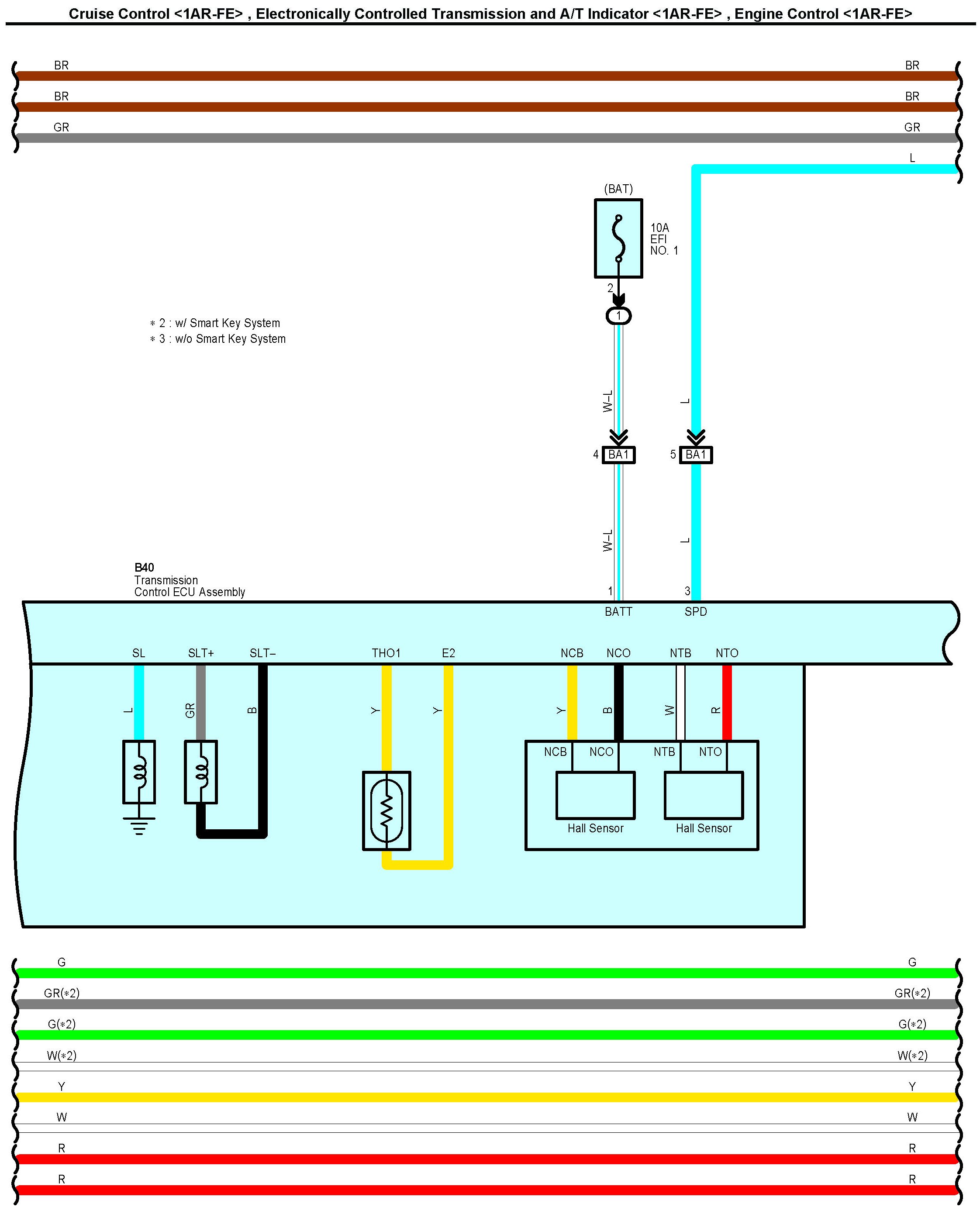
Cruise Control, Electronically Controlled Transmission and A/T Indicator, Engine Control Part 13:
Connectors Part 1:
Connectors Part 2:
Connectors Part 3:
Connectors Part 4:
Connectors Part 5:
Connectors Part 6:
Connectors Part 7:
Connectors Part 8:
Next Diagram Engine Control Part 14
Previous Diagram Engine Control Part 12
Locations: The locations of components, connectors, ground points, and splices referred to within these diagrams can be found at Vehicle Locations. Locations