Operation CHARM: Car repair manuals for everyone.
Manuals through 2025 now available!

Our trusted friends have launched a new website named LEMON, which has newer manuals. It also contains all the CHARM manuals.

LEMON is the spiritual successor to CHARM, I recommend you try it!

Link: lemon-manuals.la or lemon-manuals.org.ua

(Some people have issue connecting. LEMON is investigating. For now, use Firefox or change your DNS server)

Or, hide this message: temporarily or permanently

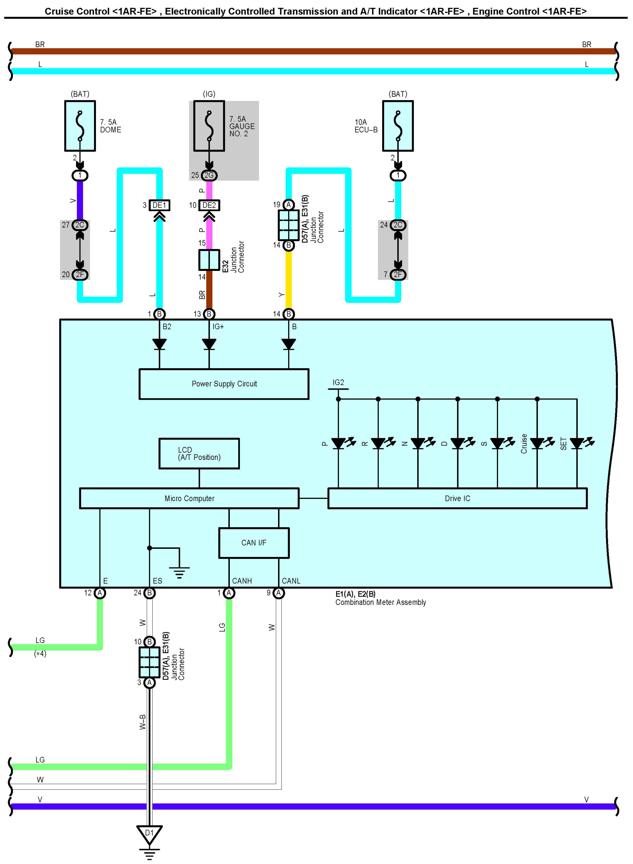
Engine Control Part 19

Cruise Control, Electronically Controlled Transmission and A/T Indicator, Engine Control Part 19:




Connectors Part 1:




Connectors Part 2:




Connectors Part 3:




Connectors Part 4:




Connectors Part 5:




Connectors Part 6:




Connectors Part 7:




Connectors Part 8:






Next Diagram Engine Control Part 20

Previous Diagram Engine Control Part 18

Locations: The locations of components, connectors, ground points, and splices referred to within these diagrams can be found at Vehicle Locations. Locations