Operation CHARM: Car repair manuals for everyone.
Manuals through 2025 now available!

Our trusted friends have launched a new website named LEMON, which has newer manuals. It also contains all the CHARM manuals.

LEMON is the spiritual successor to CHARM, I recommend you try it!

Link: lemon-manuals.la or lemon-manuals.org.ua

(Some people have issue connecting. LEMON is investigating. For now, use Firefox or change your DNS server)

Or, hide this message: temporarily or permanently

Electrical Diagrams

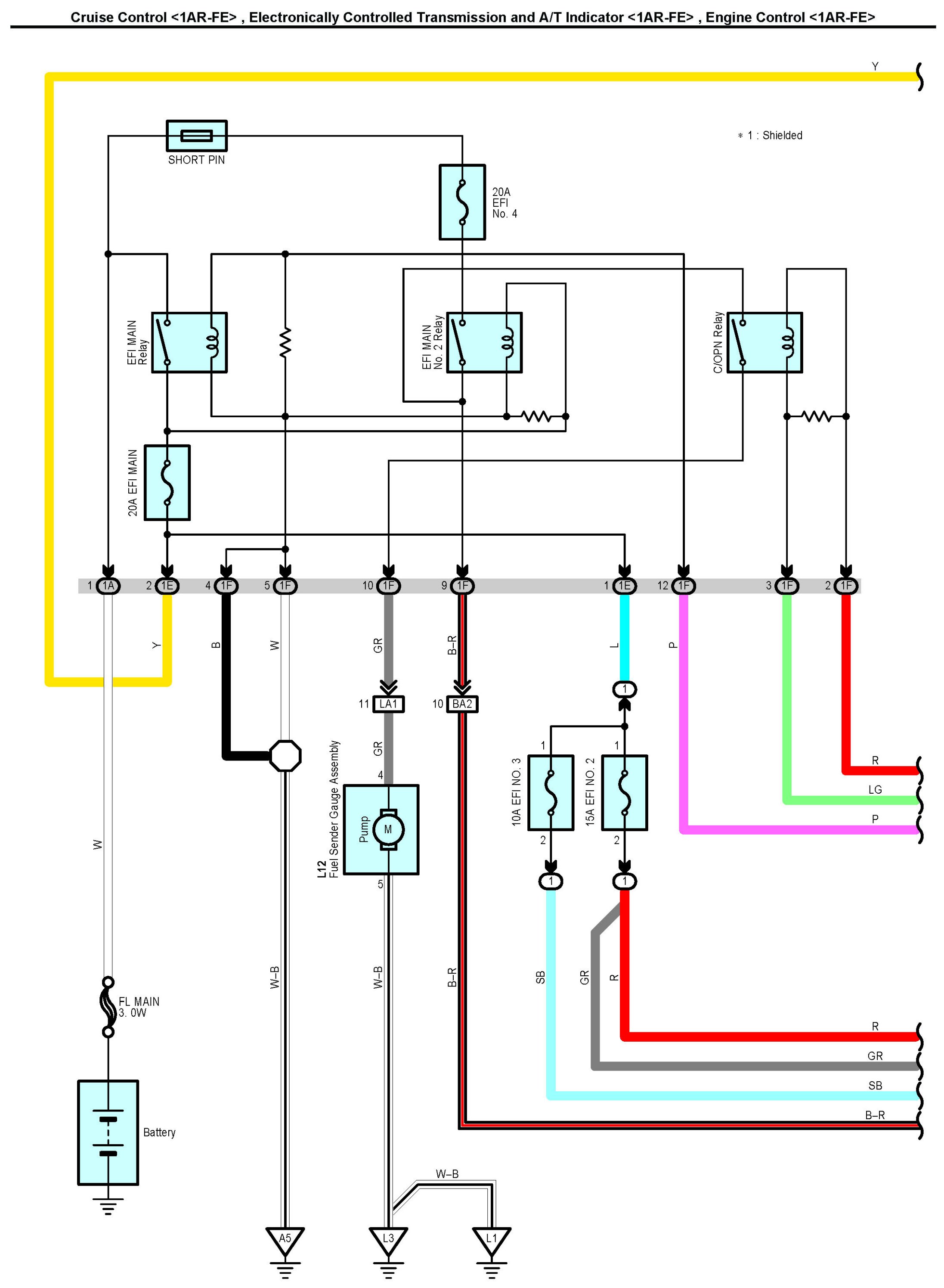
Cruise Control, Electronically Controlled Transmission and A/T Indicator, Engine Control Part 1:




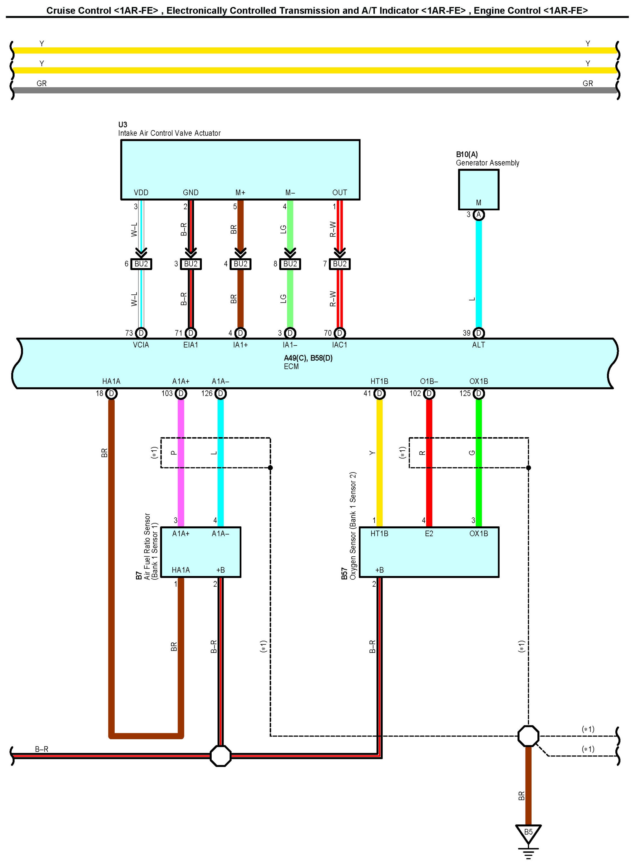
Cruise Control, Electronically Controlled Transmission and A/T Indicator, Engine Control Part 2:




Cruise Control, Electronically Controlled Transmission and A/T Indicator, Engine Control Part 3:




Cruise Control, Electronically Controlled Transmission and A/T Indicator, Engine Control Part 4:




Cruise Control, Electronically Controlled Transmission and A/T Indicator, Engine Control Part 5:




Cruise Control, Electronically Controlled Transmission and A/T Indicator, Engine Control Part 6:




Cruise Control, Electronically Controlled Transmission and A/T Indicator, Engine Control Part 7:




Cruise Control, Electronically Controlled Transmission and A/T Indicator, Engine Control Part 8:




Cruise Control, Electronically Controlled Transmission and A/T Indicator, Engine Control Part 9:




Cruise Control, Electronically Controlled Transmission and A/T Indicator, Engine Control Part 10:




Cruise Control, Electronically Controlled Transmission and A/T Indicator, Engine Control Part 11:




Cruise Control, Electronically Controlled Transmission and A/T Indicator, Engine Control Part 12:




Cruise Control, Electronically Controlled Transmission and A/T Indicator, Engine Control Part 13:




Cruise Control, Electronically Controlled Transmission and A/T Indicator, Engine Control Part 14:




Cruise Control, Electronically Controlled Transmission and A/T Indicator, Engine Control Part 15:




Cruise Control, Electronically Controlled Transmission and A/T Indicator, Engine Control Part 16:




Cruise Control, Electronically Controlled Transmission and A/T Indicator, Engine Control Part 17:




Cruise Control, Electronically Controlled Transmission and A/T Indicator, Engine Control Part 18:




Cruise Control, Electronically Controlled Transmission and A/T Indicator, Engine Control Part 19:




Cruise Control, Electronically Controlled Transmission and A/T Indicator, Engine Control Part 20:




Connectors Part 1:




Connectors Part 2:




Connectors Part 3:




Connectors Part 4:




Connectors Part 5:




Connectors Part 6:




Connectors Part 7:




Connectors Part 8:






Locations: The locations of components, connectors, ground points, and splices referred to within these diagrams can be found at Vehicle Locations. Locations