Operation CHARM: Car repair manuals for everyone.
Manuals through 2025 now available!

Our trusted friends have launched a new website named LEMON, which has newer manuals. It also contains all the CHARM manuals.

LEMON is the spiritual successor to CHARM, I recommend you try it!

Link: lemon-manuals.la or lemon-manuals.org.ua

(Some people have issue connecting. LEMON is investigating. For now, use Firefox or change your DNS server)

Or, hide this message: temporarily or permanently

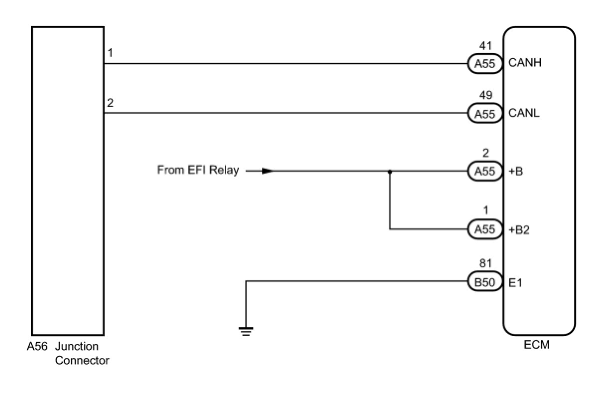
ECM Communication Stop Mode





CAN COMMUNICATION: CAN COMMUNICATION SYSTEM: ECM Communication Stop Mode
- ECM Communication Stop Mode

DESCRIPTION





WIRING DIAGRAM





INSPECTION PROCEDURE

PROCEDURE

1. CHECK CAN BUS WIRE (ECM MAIN BUS LINE DISCONNECTION)

(a) Turn the ignition switch off.





(b) Disconnect the ECM connector (A55).

(c) Measure the resistance according to the value(s) in the table below.

Resistance:





NG -- REPAIR OR REPLACE ECM MAIN BUS LINE OR CONNECTOR (CAN-H, CAN-L)
OK -- Continue to next step.

2. CHECK ENGINE ECU POWER SOURCE CIRCUIT

(a) Check the ECM power source circuit ECM Power Source Circuit.

NG -- REPAIR OR REPLACE HARNESS OR CONNECTOR

OK -- REPLACE ECM Removal