ACIS Control Circuit
2GR-FE ENGINE CONTROL SYSTEM: SFI SYSTEM: ACIS Control Circuit
- ACIS Control Circuit
DESCRIPTION
This circuit opens and closes the Intake Air Control Valve (IACV) in response to changes in the engine load in order to increase the intake efficiency (ACIS: Acoustic Control Induction System).
When the engine speed is between 0 and 4,450 rpm and the throttle valve opening angle is 60° or more, the ECM supplies current to the VSV (ON status), to close the IACV. Under other conditions, the VSV is usually OFF and the IACV is open.
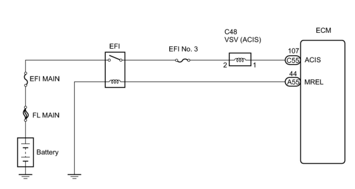
WIRING DIAGRAM
INSPECTION PROCEDURE
PROCEDURE
1. PERFORM ACTIVE TEST USING TECHSTREAM (OPERATE VSV FOR ACIS)
(a) Connect the Techstream to the DLC3.
(b) Start the engine and turn the Techstream on.
(c) Select the following menu items: Powertrain / Engine / Active Test / Activate the VSV for Intake Control. Operate the VSV for AICS.
OK:
Operational noise can be heard.
Result:
B -- PROCEED TO NEXT CIRCUIT INSPECTION SHOWN IN PROBLEM SYMPTOMS TABLE
A -- Continue to next step.
2. CHECK INTAKE AIR CONTROL VALVE (OPERATION)
(a) Disconnect the air intake valve connector.
(b) Apply battery voltage between the terminals of the air intake valve connector.
(c) Check the air intake valve operation.
OK:
Operational noise can be heard.
NG -- REPLACE INTAKE AIR SURGE TANK
OK -- Continue to next step.
3. CHECK HARNESS AND CONNECTOR (VSV FOR ACIS - ECM, VSV FOR ACIS - EFI RELAY)
(a) Check the wire harness and connectors between the VSV for ACIS and ECM.
(1) Disconnect the VSV for ACIS connector.
(2) Disconnect the ECM connector.
(3) Measure the resistance between the terminals of the VSV for ACIS connector and ECM connector.
Standard resistance (Check for open):
Standard resistance (Check for short):
(4) Condition
(5) Reconnect the VSV for ACIS connector.
(6) Reconnect the ECM connector.
(b) Check the EFI No. 3 fuse.
(1) Remove the EFI No. 3 fuse from the engine room R/B.
(2) Measure the EFI No. 3 fuse resistance.
Standard resistance:
Below 1 Ohms
(3) Reinstall the EFI No. 3 fuse
(c) Check the wire harness between the VSV for ACIS connector and EFI relay.
(1) Remove the engine room junction block from the engine room R/B.
(2) Disconnect the VSV connector.
(3) Measure the resistance between the terminals.
Standard resistance (Check for open):
(4) Reinstall the engine room junction block.
(5) Reconnect the VSV connector.
NG -- REPAIR OR REPLACE HARNESS OR CONNECTOR
OK -- REPLACE ECM
4. REPLACE ECM Removal
5. PROCEED TO NEXT CIRCUIT INSPECTION SHOWN IN PROBLEM SYMPTOMS TABLE Symptom Related Diagnostic Procedures
6. REPLACE INTAKE AIR SURGE TANK
7. REPAIR OR REPLACE HARNESS OR CONNECTOR