Operation CHARM: Car repair manuals for everyone.
Manuals through 2025 now available!

Our trusted friends have launched a new website named LEMON, which has newer manuals. It also contains all the CHARM manuals.

LEMON is the spiritual successor to CHARM, I recommend you try it!

Link: lemon-manuals.la or lemon-manuals.org.ua

(Some people have issue connecting. LEMON is investigating. For now, use Firefox or change your DNS server)

Or, hide this message: temporarily or permanently

Removal





HEATING / AIR CONDITIONING: COMPRESSOR (for 2AZ-FE): REMOVAL

1. RECOVER REFRIGERANT FROM REFRIGERATION SYSTEM Service and Repair

2. REMOVE ENGINE UNDER COVER RH

3. REMOVE V-RIBBED BELT Removal

4. DISCONNECT SUCTION HOSE SUB-ASSEMBLY

(a) Remove the bolt and disconnect the suction hose sub-assembly from the compressor assembly with pulley.





(b) Remove the O-ring from the suction hose sub-assembly.

NOTICE:
Seal the openings of the disconnected parts using vinyl tape to prevent entry of moisture and foreign matter.

5. DISCONNECT DISCHARGE HOSE SUB-ASSEMBLY

(a) Remove the bolt and disconnect the discharge hose sub-assembly from the compressor assembly with pulley.





(b) Remove the O-ring from the discharge hose sub-assembly.

NOTICE:
Seal the openings of the disconnected parts using vinyl tape to prevent entry of moisture and foreign matter.

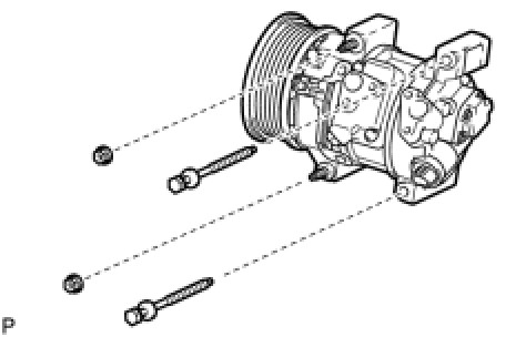
6. REMOVE COMPRESSOR ASSEMBLY WITH PULLEY

(a) Disconnect the connector.

(b) Remove the 2 bolts and the 2 nuts.





(c) Using a "TORX" socket wrench (E8), remove the 2 stud bolts and the compressor assembly with pulley.