Operation CHARM: Car repair manuals for everyone.
Manuals through 2025 now available!

Our trusted friends have launched a new website named LEMON, which has newer manuals. It also contains all the CHARM manuals.

LEMON is the spiritual successor to CHARM, I recommend you try it!

Link: lemon-manuals.la or lemon-manuals.org.ua

(Some people have issue connecting. LEMON is investigating. For now, use Firefox or change your DNS server)

Or, hide this message: temporarily or permanently

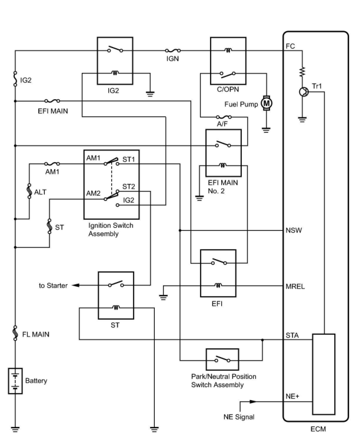
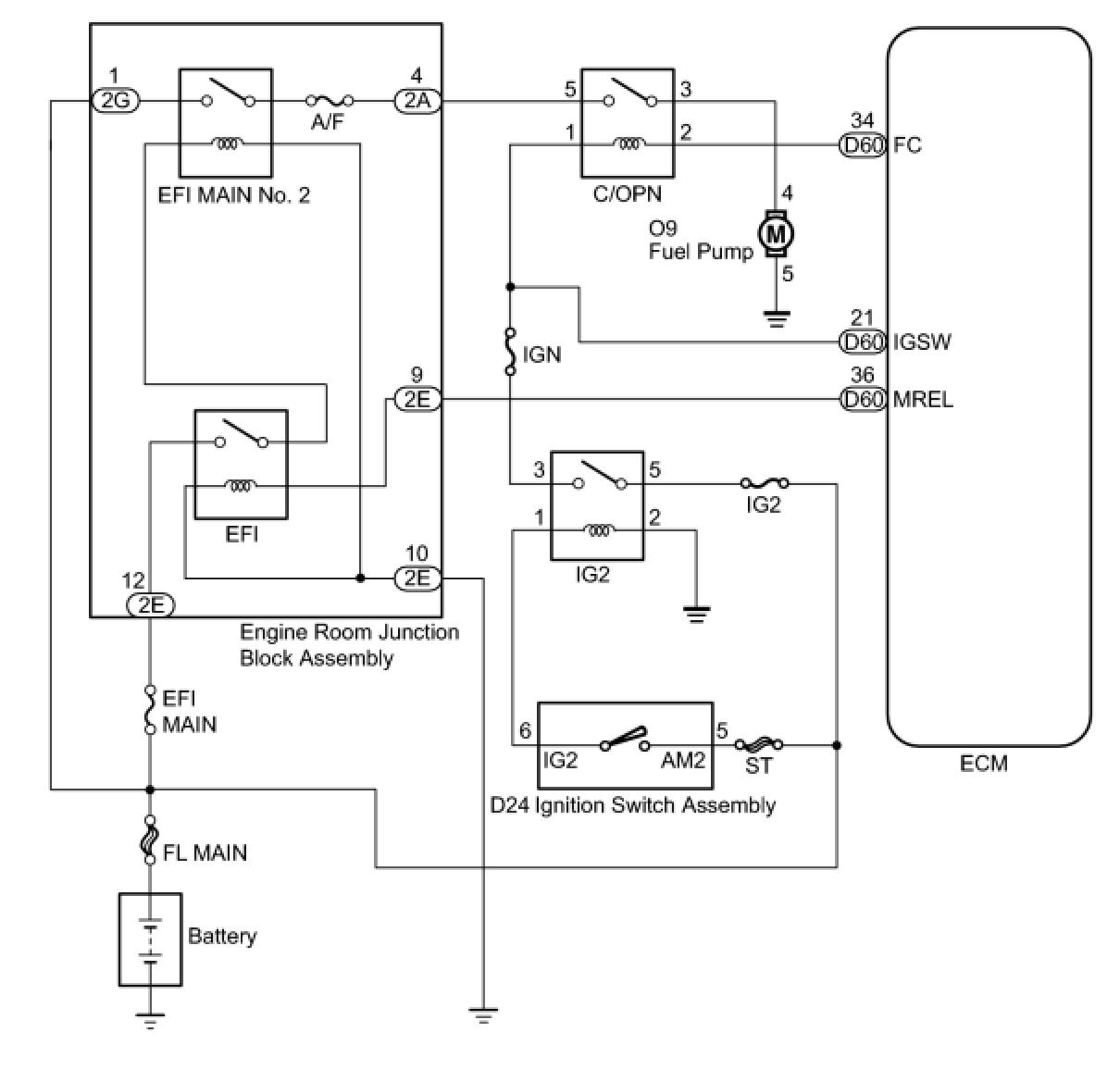
Fuel Pump Control Circuit





1AR-FE ENGINE CONTROL SYSTEM: SFI SYSTEM: Fuel Pump Control Circuit
- Fuel Pump Control Circuit

DESCRIPTION

When the engine is cranked, the starter relay drive signal output from the ignition switch is input into the STA terminal of the ECM, and the NE signal generated by the crankshaft position sensor is also input into the NE+ terminal. When the ECM interprets that the engine is cranked, it turns transistor Tr1 in the ECM internal circuit on. The current flows to the C/OPN (Circuit Opening) relay when Tr1 is turned on. Then, the fuel pump operates.

While the NE signal is input into the ECM when the engine is running, the ECM turns Tr1 on continuously.





WIRING DIAGRAM





INSPECTION PROCEDURE

NOTICE:
Inspect the fuses for circuits related to this system before performing the following inspection procedure.

PROCEDURE

1. PERFORM ACTIVE TEST USING TECHSTREAM (ACTIVE THE FUEL PUMP SPEED CONTROL)

(a) Connect the Techstream to the DLC3.

(b) Turn the ignition switch to ON and turn the Techstream on.

(c) Enter the following menus: Powertrain / Engine / Active Test / Control the Fuel Pump / Speed.

(d) Check whether the fuel pump operating sound occurs when performing the Active Test on the Techstream.

OK:

Fuel pump operating sound occurs.

NG -- INSPECT RELAY (C/OPN RELAY)

OK -- PROCEED TO NEXT SUSPECTED AREA SHOWN IN PROBLEM SYMPTOMS TABLE Symptom Related Diagnostic Procedures

2. INSPECT RELAY (C/OPN RELAY)

(a) Remove the C/OPN relay from the engine room relay block.





(b) Measure the resistance according to the value(s) in the table below.

Standard Resistance:





(c) Reinstall the C/OPN relay.

NG -- REPLACE RELAY (C/OPN RELAY)
OK -- Continue to next step.

3. CHECK HARNESS AND CONNECTOR (C/OPN RELAY - ECM)

(a) Disconnect the ECM connector.

(b) Remove the C/OPN relay from the engine room relay block.

(c) Measure the resistance according to the value(s) in the table below.

Standard Resistance (Check for Open):





Standard Resistance (Check for Short):





(d) Reconnect the ECM connector.

(e) Reinstall the C/OPN relay.

NG -- REPAIR OR REPLACE HARNESS OR CONNECTOR
OK -- Continue to next step.

4. INSPECT ENGINE ROOM RELAY BLOCK (IG2 RELAY - C/OPN RELAY)

(a) Remove the IG2 relay from the engine room relay block.

(b) Remove the C/OPN relay from the engine room relay block.

(c) Measure the resistance according to the value(s) in the table below.

Standard Resistance (Check for Open):





Standard Resistance (Check for Short):





(d) Reinstall the IG2 relay.

(e) Reinstall the C/OPN relay.

NG -- REPLACE ENGINE ROOM RELAY BLOCK ASSEMBLY
OK -- Continue to next step.

5. CHECK HARNESS AND CONNECTOR (C/OPN RELAY - FUEL PUMP)

(a) Remove the C/OPN relay from the engine room relay block.

(b) Disconnect the fuel pump connector.

(c) Measure the resistance according to the value(s) in the table below.

Standard Resistance (Check for Open):





Standard Resistance (Check for Short):





(d) Reinstall the C/OPN relay.

(e) Reconnect the fuel pump connector.

NG -- REPAIR OR REPLACE HARNESS OR CONNECTOR
OK -- Continue to next step.

6. CHECK HARNESS AND CONNECTOR (FUEL PUMP - BODY GROUND)

(a) Disconnect the fuel pump connector.

(b) Measure the resistance according to the value(s) in the table below.

Standard Resistance:





(c) Reconnect the fuel pump connector.

NG -- REPAIR OR REPLACE HARNESS OR CONNECTOR
OK -- Continue to next step.

7. INSPECT FUEL PUMP

(a) Inspect the fuel pump Fuel Pump.

NG -- REPLACE FUEL PUMP Removal

OK -- REPLACE ECM Removal