Operation CHARM: Car repair manuals for everyone.
Manuals through 2025 now available!

Our trusted friends have launched a new website named LEMON, which has newer manuals. It also contains all the CHARM manuals.

LEMON is the spiritual successor to CHARM, I recommend you try it!

Link: lemon-manuals.la or lemon-manuals.org.ua

(Some people have issue connecting. LEMON is investigating. For now, use Firefox or change your DNS server)

Or, hide this message: temporarily or permanently

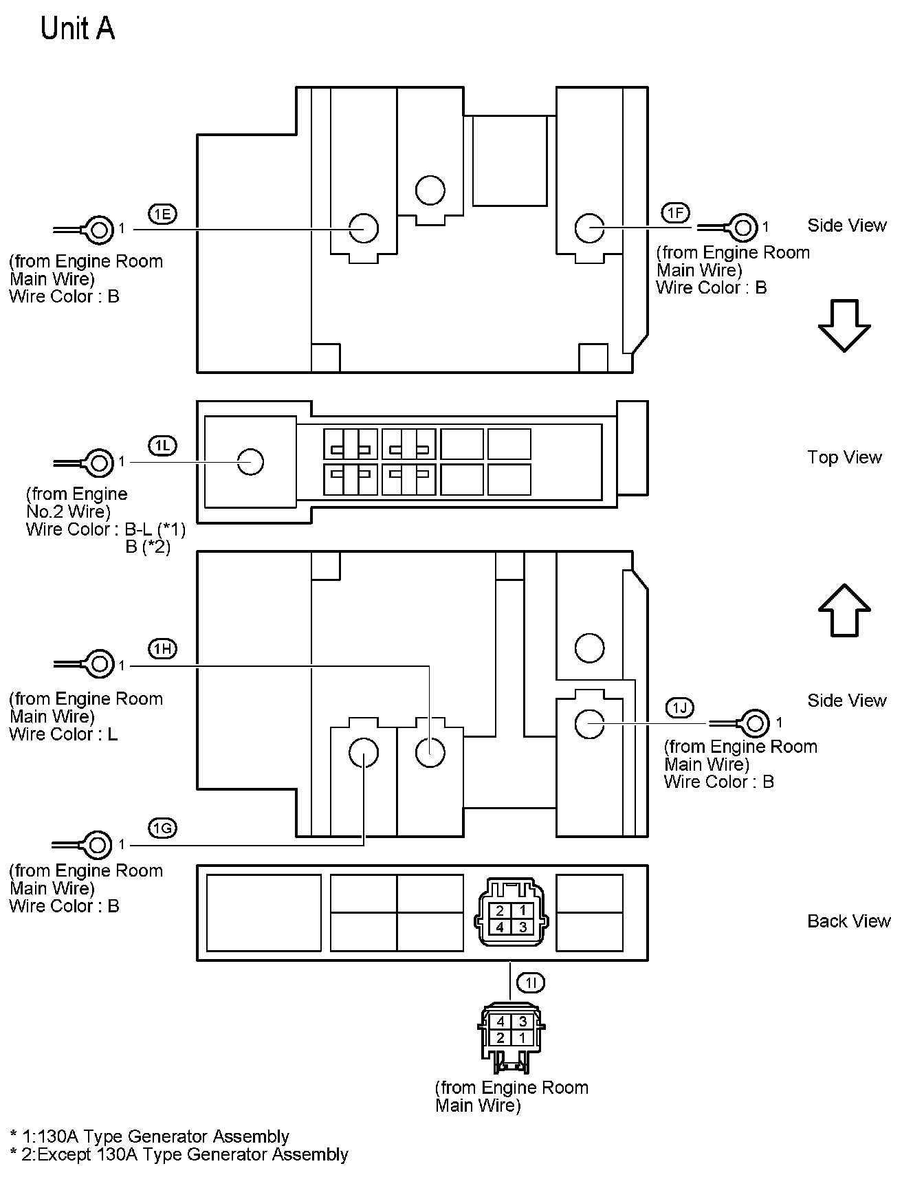
Fuse Block

Engine Room R/B, J/B - Engine Compartment Left:






Engine Room R/B, J/B - Engine Compartment Left:






Engine Room R/B, J/B - Engine Compartment Left:






Driver Side J/B - Cowl Side Left:






Driver Side J/B - Cowl Side Left:






Driver Side J/B - Cowl Side Left:






J/B No.3 - Instrument Panel Right:






J/B No.4 - Instrument Panel Center:






J/B No.5 - Instrument Panel Center:






J/B No.6 - Instrument Panel Right:






J/B No.7 - Under Front Console Box:






Junction Connector (CAN LH No.2) - Lower Finish Panel: