Operation CHARM: Car repair manuals for everyone.
Manuals through 2025 now available!

Our trusted friends have launched a new website named LEMON, which has newer manuals. It also contains all the CHARM manuals.

LEMON is the spiritual successor to CHARM, I recommend you try it!

Link: lemon-manuals.la or lemon-manuals.org.ua

(Some people have issue connecting. LEMON is investigating. For now, use Firefox or change your DNS server)

Or, hide this message: temporarily or permanently

Cruise Control Switch Circuit





CRUISE CONTROL: DYNAMIC LASER CRUISE CONTROL SYSTEM: Cruise Control Switch Circuit
- Cruise Control Switch Circuit

DESCRIPTION

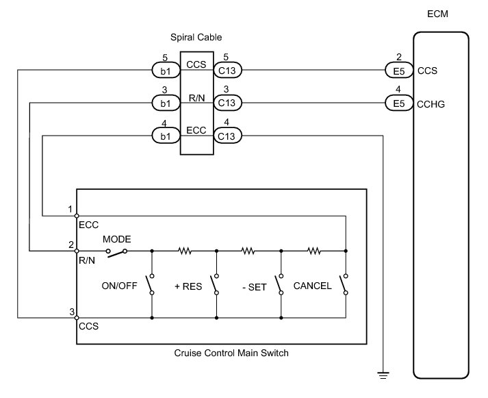
The cruise control main switch operates 8 functions: SET, - (COAST), TAP-DOWN, RES (RESUME), + (ACCEL), TAP-UP, CANCEL, and MODE. The SET, TAP-DOWN, and - (COAST) functions, and the RES (RESUME), TAP-UP, and + (ACCEL) functions are operated with the same switch. The cruise control main switch is an automatic return type switch which turns on only while operating it in the direction of each arrow and turns off after releasing it. The internal contact point of the cruise control main switch is turned on with the switch operation. The ECM then reads the voltage value that has been changed by the switch operation to control MODE, SET, - (COAST), RES (RESUME), + (ACCEL), and CANCEL. The dynamic laser cruise control system has two cruise control modes: the constant speed control mode and vehicle-to-vehicle distance control mode.

* The vehicle-to-vehicle distance control mode is always selected when starting up the dynamic laser cruise control system.

* The operation of the constant speed control mode is the same as that for a conventional cruise control system.

WIRING DIAGRAM





INSPECTION PROCEDURE

PROCEDURE

1. READ VALUE USING TECHSTREAM

(a) Connect the Techstream to the DLC3.





(b) Turn the ignition switch to ON.

(c) Turn the Techstream on.

(d) Enter the following menus: Powertrain / Laser Cruise / Data List.

(e) Check the Data List for proper functioning of the cruise control main switch.

ECM (Laser Cruise):





OK:

The display changes as shown above according to switch operation.

Result:





C -- REPLACE CRUISE CONTROL MAIN SWITCH Removal

A -- PROCEED TO NEXT SUSPECTED AREA SHOWN IN PROBLEM SYMPTOMS TABLE Dynamic Laser Cruise Control System
B -- Continue to next step.

2. INSPECT CRUISE CONTROL MAIN SWITCH

(a) Remove the cruise control main switch Removal.





(b) Measure the resistance according to the value(s) in the table below.

Standard Resistance:





*1: Lever is in neutral position

NG -- REPLACE CRUISE CONTROL MAIN SWITCH Removal
OK -- Continue to next step.

3. INSPECT HARNESS AND CONNECTOR (CRUISE CONTROL MAIN SWITCH - SPIRAL CABLE)

(a) Disconnect the spiral cable connector.





(b) Measure the resistance according to the value(s) in the table below.

Standard Resistance:





NG -- REPAIR OR REPLACE HARNESS OR CONNECTOR
OK -- Continue to next step.

4. INSPECT SPIRAL CABLE

NOTICE:
The spiral cable is an important part of the SRS airbag system. Incorrect removal or installation of the spiral cable may prevent the airbag from deploying. Be sure to read the page shown in the brackets.

HINT
* Removal Removal
* Installation Installation

(a) Remove the spiral cable.





(b) Measure the resistance according to the value(s) in the table below.

Standard Resistance:





HINT
The spiral cable makes a maximum of approximately 5 rotations.

NG -- REPLACE SPIRAL CABLE Removal
OK -- Continue to next step.

5. CHECK HARNESS AND CONNECTOR (SPIRAL CABLE - ECM)

(a) Measure the resistance according to the value(s) in the table below.





Standard Resistance:





NG -- REPAIR OR REPLACE HARNESS OR CONNECTOR

OK -- REPLACE ECM Removal