Operation CHARM: Car repair manuals for everyone.
Manuals through 2025 now available!

Our trusted friends have launched a new website named LEMON, which has newer manuals. It also contains all the CHARM manuals.

LEMON is the spiritual successor to CHARM, I recommend you try it!

Link: lemon-manuals.la or lemon-manuals.org.ua

(Some people have issue connecting. LEMON is investigating. For now, use Firefox or change your DNS server)

Or, hide this message: temporarily or permanently

Air Intake Control Circuit





2GR-FE ENGINE CONTROL SYSTEM: SFI SYSTEM: Air Intake Control Circuit
- Air Intake Control Circuit

DESCRIPTION

The air cleaner is equipped with two inlets, one of which is opened or closed by the Air Intake Control Valve (AICV). This system reduces intake noise and increases engine power at low-to-high engine speed range.

When the engine is operating in the low-to-mid speed range, this control operates the AICV to close one of the air cleaner inlets. When the engine speed is more than 3600 rpm and the opening angle of the throttle valve is more than 60°, the ECM activates the VSV and opens the AICV.





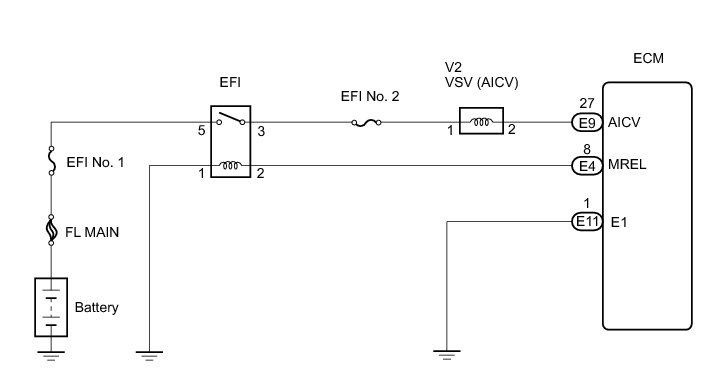
WIRING DIAGRAM





INSPECTION PROCEDURE

PROCEDURE

1. PERFORM ACTIVE TEST USING TECHSTREAM (VSV FOR AICV)

(a) Turn the ignition switch to the ON position and turn the Techstream on.





(b) Select the following menu items: Powertrain / Engine and ECT / Active Test / Activate the VSV for AICS and operate the VSV for AICV.

(c) Check the operation of the VSV when the VSV is operated by the Techstream.

Standard:





OK -- INSPECT VACUUM TANK
NG -- Continue to next step.

2. CHECK VSV (FOR AICV)

(a) Inspect the intake air control valve assembly Variable Induction Control Solenoid.

NG -- REPLACE INTAKE AIR CONTROL VALVE ASSEMBLY
OK -- Continue to next step.

3. CHECK HARNESS AND CONNECTOR (VSV FOR AICV - ECM)

(a) Check the wire harness between the VSV for AICV connector and the ECM connector.





(1) Disconnect the V2 VSV for AICV connector.

(2) Disconnect the E9 ECM connector.

(3) Measure the resistance according to the value(s) in the table below.

Standard resistance:

Check for open
Check for short










(4) Reconnect the ECM connector.

NG -- REPAIR OR REPLACE HARNESS OR CONNECTOR (VSV FOR AICV - ECM)
OK -- Continue to next step.

4. INSPECT FUSE (EFI NO. 2 FUSE)

(a) Check the EFI No. 2 fuse.





(1) Remove the EFI No. 2 fuse from the engine room junction block.

(2) Measure the EFI No. 2 fuse resistance.

Standard resistance:

Below 1 Ohms

(3) Reinstall the EFI No. 2 fuse.

NG -- REPLACE FUSE (EFI NO. 2 FUSE)
OK -- Continue to next step.

5. CHECK HARNESS AND CONNECTOR (VSV FOR AICV - EFI RELAY)

(a) Check the wire harness between the VSV for AICV and the EFI relay.





(1) Remove the EFI relay from the engine room junction block.

(2) Measure the resistance according to the value(s) in the table below.

Standard resistance:

Check for open






(3) Reconnect the VSV for AICV connector.

(4) Reinstall the EFI relay.

NG -- REPAIR OR REPLACE HARNESS OR CONNECTOR (VSV FOR AICV - EFI RELAY)
OK -- Continue to next step.

6. INSPECT VACUUM TANK

(a) Inspect the vacuum tank Testing and Inspection.

NG -- REPAIR OR REPLACE AIR CLEANER CAP

OK -- CHECK ECM POWER SOURCE CIRCUIT