Operation CHARM: Car repair manuals for everyone.
Manuals through 2025 now available!

Our trusted friends have launched a new website named LEMON, which has newer manuals. It also contains all the CHARM manuals.

LEMON is the spiritual successor to CHARM, I recommend you try it!

Link: lemon-manuals.la or lemon-manuals.org.ua

(Some people have issue connecting. LEMON is investigating. For now, use Firefox or change your DNS server)

Or, hide this message: temporarily or permanently

4WD Control ECU Communication Stop Mode





CAN COMMUNICATION: CAN COMMUNICATION SYSTEM: 4WD Control ECU Communication Stop Mode
- 4WD Control ECU Communication Stop Mode

DESCRIPTION





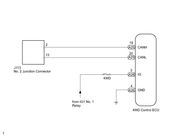
WIRING DIAGRAM





INSPECTION PROCEDURE

HINT
Operating the ignition switch, any switches or any doors triggers related ECU and sensor communication with the CAN, which causes resistance variation.

PROCEDURE

1. DISCONNECT CABLE FROM NEGATIVE BATTERY TERMINAL

(a) Disconnect the cable from the negative (-) battery terminal before measuring the resistances of the main wire and the branch wire.

CAUTION:
Wait at least 90 seconds after disconnecting the cable from the negative (-) battery terminal to prevent airbag and seat belt pretensioner activation.

NEXT -- Continue to next step.

2. CHECK FOR OPEN IN CAN BUS WIRE (4WD CONTROL ECU BRANCH WIRE)

(a) Disconnect the A25 4WD control ECU connector.





(b) Measure the resistance according to the value(s) in the table below.

Standard resistance:





NG -- REPAIR OR REPLACE 4WD CONTROL ECU BRANCH WIRE OR CONNECTOR (CANH, CANL)
OK -- Continue to next step.

3. CHECK HARNESS AND CONNECTOR (4WD CONTROL ECU - BATTERY AND BODY GROUND)

(a) Reconnect the cable to the negative (-) battery terminal before measuring the resistances of the main wire and the branch wire.

(b) Disconnect the A26 4WD control ECU connector.





(c) Measure the resistance according to the value(s) in the table below.

Standard resistance:





(d) Measure the voltage according to the value(s) in the table below.

Standard voltage:





NG -- REPAIR OR REPLACE HARNESS OR CONNECTOR

OK -- REPLACE 4WD CONTROL ECU