Operation CHARM: Car repair manuals for everyone.
Manuals through 2025 now available!

Our trusted friends have launched a new website named LEMON, which has newer manuals. It also contains all the CHARM manuals.

LEMON is the spiritual successor to CHARM, I recommend you try it!

Link: lemon-manuals.la or lemon-manuals.org.ua

(Some people have issue connecting. LEMON is investigating. For now, use Firefox or change your DNS server)

Or, hide this message: temporarily or permanently

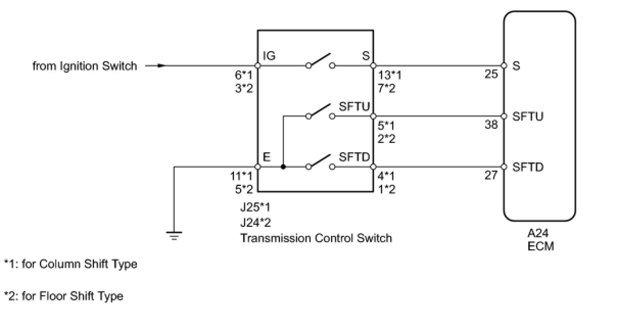
Transmission Control Switch Circuit





AB60F AUTOMATIC TRANSMISSION: AUTOMATIC TRANSMISSION SYSTEM: Transmission Control Switch Circuit
- Transmission Control Switch Circuit

DESCRIPTION

When moving the shift lever into the S position using the transmission control switch, it is possible to switch the shift range position between "1" (1st range) and "6" (6th range).

Shifting to "+" once raises the shift range position by one, and shifting to "-" lowers the shift range position by one.

WIRING DIAGRAM





INSPECTION PROCEDURE

PROCEDURE

1. INSPECT TRANSMISSION CONTROL SWITCH

(a) for Column Shift Type:





(1) Disconnect the J25 transmission control switch connector.

(2) Measure the resistance according to the value(s) in the table below.

Standard resistance:





(b) for Floor Shift Type:





(1) Disconnect the J24 transmission control switch connector.

(2) Measure the resistance according to the value(s) in the table below.

Standard resistance:





Result





C -- REPLACE TRANSMISSION FLOOR SHIFT ASSEMBLY (TRANSMISSION CONTROL SWITCH)

B -- REPLACE COLUMN SHIFT SHIFT LEVER SUB-ASSEMBLY (TRANSMISSION CONTROL SWITCH)
A -- Continue to next step.

2. CHECK HARNESS AND CONNECTOR (TRANSMISSION CONTROL SWITCH - BATTERY, BODY GROUND)

(a) for Column Shift Type:





(1) Disconnect the J25 transmission control switch connector.

(2) Measure the voltage according to the value(s) in the table below.

Standard voltage:





(3) Measure the resistance according to the value(s) in the table below.

Standard resistance:





(b) for Floor Shift Type:





(1) Disconnect the J24 transmission control switch connector.

(2) Measure the voltage according to the value(s) in the table below.

Standard voltage:





(3) Measure the resistance according to the value(s) in the table below.

Standard resistance:





NG -- REPAIR OR REPLACE HARNESS OR CONNECTOR
OK -- Continue to next step.

3. CHECK HARNESS AND CONNECTOR (TRANSMISSION CONTROL SWITCH - ECM)

(a) Disconnect the A24 ECM connector.





(b) Measure the voltage according to the value(s) in the table below.

Standard voltage:





(c) Turn the ignition switch off.

(d) Measure the resistance according to the value(s) in the table below.

Standard resistance:





NG -- REPAIR OR REPLACE HARNESS OR CONNECTOR

OK -- PROCEED TO NEXT CIRCUIT INSPECTION SHOWN IN PROBLEM SYMPTOMS TABLE