Operation CHARM: Car repair manuals for everyone.
Manuals through 2025 now available!

Our trusted friends have launched a new website named LEMON, which has newer manuals. It also contains all the CHARM manuals.

LEMON is the spiritual successor to CHARM, I recommend you try it!

Link: lemon-manuals.la or lemon-manuals.org.ua

(Some people have issue connecting. LEMON is investigating. For now, use Firefox or change your DNS server)

Or, hide this message: temporarily or permanently

Reassembly





1AR-FE BATTERY / CHARGING: GENERATOR: REASSEMBLY

1. INSTALL GENERATOR ROTOR ASSEMBLY

(a) Place the generator drive end frame on the generator pulley.





(b) Install the generator rotor to the generator drive end frame.

(c) Place the washer on the generator rotor.





2. INSTALL GENERATOR COIL ASSEMBLY

(a) Using a 21 mm socket wrench and a press, slowly press in the generator coil.





Text in Illustration:





(b) Install the 4 bolts.

Torque : 5.9 Nm (60 kgf-cm, 52 in-lbf)





3. INSTALL GENERATOR BRUSH HOLDER ASSEMBLY

(a) While pushing the 2 brushes into the generator brush holder, insert a 1.0 mm (0.0394 in.) pin into the generator brush holder.





Text in Illustration:





(b) Install the generator brush holder with the 2 screws.





Text in Illustration:





Torque : 1.8 Nm (18 kgf-cm, 16 in-lbf)

(c) Pull the pin out of the generator brush holder.

4. INSTALL GENERATOR REAR END COVER

(a) Install the terminal insulator onto the generator coil assembly.





(b) Install the generator rear end cover with the 3 nuts.





Torque : 4.6 Nm (47 kgf-cm, 41 in-lbf)

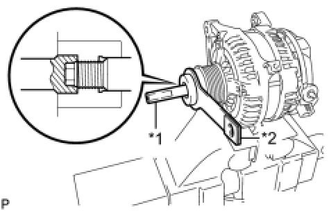
5. INSTALL GENERATOR PULLEY WITH CLUTCH

(a) Temporarily install the generator pulley by hand.

(b) Mount the generator in a vise.

(c) Install SST (A) and (B) to the generator pulley as shown in the illustration.





Text in Illustration:





SST : 09820-63021

(d) Using a wrench to hold SST (A), turn SST (B) clockwise to tighten the generator pulley.





Text in Illustration:





without SST - Torque : 80 Nm (816 kgf-cm, 59 ft-lbf)

with SST - Torque : 58 Nm (591 kgf-cm, 43 ft-lbf)

NOTICE:
* Use a torque wrench with a fulcrum length of 260 mm (10.24 in.).
* This torque value is effective when SST is parallel to a torque wrench.
* Check that the drive end frame is secured in the vise tightly.
* Hold SST (A) tightly during the operation.
(e) Check that the generator pulley rotates smoothly.

6. INSTALL GENERATOR PULLEY CAP

(a) Install a new generator pulley cap to the pulley.