Operation CHARM: Car repair manuals for everyone.
Manuals through 2025 now available!

Our trusted friends have launched a new website named LEMON, which has newer manuals. It also contains all the CHARM manuals.

LEMON is the spiritual successor to CHARM, I recommend you try it!

Link: lemon-manuals.la or lemon-manuals.org.ua

(Some people have issue connecting. LEMON is investigating. For now, use Firefox or change your DNS server)

Or, hide this message: temporarily or permanently

Power Source Mode does not Change to ON (IG and ACC)





THEFT DETERRENT / KEYLESS ENTRY: SMART KEY SYSTEM (for Start Function): Power Source Mode does not Change to ON (IG and ACC)
- Power Source Mode does not Change to ON (IG and ACC)

DESCRIPTION

When the engine switch is pushed with the key in the cabin, the power management control receives signals to switch the power source mode.

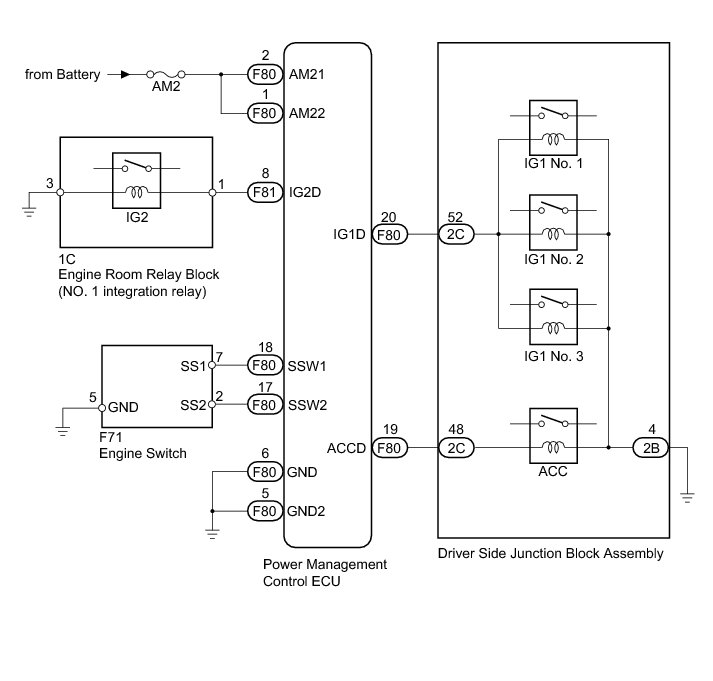
WIRING DIAGRAM





INSPECTION PROCEDURE

NOTICE:
* When using the Techstream with the engine switch off to troubleshoot: Connect the Techstream to the vehicle and turn a courtesy light switch on and off at 1.5 second intervals until communication between the Techstream and vehicle begins.
* Before performing the inspection, check that there are no problems related to the CAN communication system and LIN communication system.
* Inspect the fuses for circuits related to this system before performing the following inspection procedure.

PROCEDURE

1. CHECK HARNESS AND CONNECTOR (BATTERY - POWER MANAGEMENT CONTROL ECU) B2271

NG -- REPAIR OR REPLACE HARNESS OR CONNECTOR
OK -- Continue to next step.

2. CHECK HARNESS AND CONNECTOR (POWER MANAGEMENT CONTROL ECU - BODY GROUND) B2271

NG -- REPAIR OR REPLACE HARNESS OR CONNECTOR
OK -- Continue to next step.

3. READ VALUE USING TECHSTREAM (KEY CERTIFY WAIT T-OUT)

(a) Connect the Techstream to the DLC3.

(b) Turn the Techstream on.

HINT
When using the Techstream with the engine switch off, turn any of the door courtesy light switches on and off repeatedly at intervals of 1.5 seconds or less until communication between the tester and vehicle starts.

(c) Enter the following menus: Body Electrical / Power Source Control / Data List.

(d) Read the Data List and check that "No" is displayed 1 second after turning the engine switch from off to on (IG).

Power Source Control





OK:

"No" is displayed 1 second after turning the engine switch from off to on (IG).

NG -- CHECK FOR DTC
OK -- Continue to next step.

4. READ VALUE USING TECHSTREAM (START SWITCH 1, 2)

(a) Connect the Techstream to the DLC3.

(b) Turn the engine switch on (IG).

(c) Turn the Techstream on.

(d) Enter the following menus: Body Electrical / Power Source Control / Data List.

(e) According to the display on the Techstream, read the Data List.

Power Source Control





OK:

The display changes in response to the operation of the engine switch.

NG -- INSPECT ENGINE SWITCH
OK -- Continue to next step.

5. CHECK POWER MANAGEMENT CONTROL ECU

(a) Connect the Techstream to the DLC3.

(b) Turn the engine switch on (IG).

(c) Turn the Techstream on.

(d) Enter the following menus: Body Electrical / Power Source Control / Data List.

(e) Read the Data List and check that the display changes according to the changes in the power source mode when the engine switch is pushed.

Power Source Control





OK:

Display changes according to the changes in the power source mode when the engine switch is pushed.

(f) Measure the voltage according to the value(s) in the table below.





Text in Illustration





Standard Voltage:





NG -- REPLACE POWER MANAGEMENT CONTROL ECU Removal
OK -- Continue to next step.

6. CONFIRMATION TEST

(a) Check that the power source mode changes to on (ACC) and on (IG) when operating the engine switch.

OK:

The power source mode changes to on (ACC) and on (IG) in response to the operation of the engine switch.

NG -- CHECK RELAY CONTACT SIDE CIRCUIT

OK -- USE SIMULATION METHOD TO CHECK How To Proceed With Troubleshooting

7. INSPECT ENGINE SWITCH

(a) Remove the engine switch.





(b) Measure the resistance according to the value(s) in the table below.

Standard Resistance:





Text in Illustration





NG -- REPLACE ENGINE SWITCH
OK -- Continue to next step.

8. CHECK HARNESS AND CONNECTOR (POWER MANAGEMENT CONTROL ECU - ENGINE SWITCH)

(a) Disconnect the F80 power management control ECU connector.

(b) Disconnect the F71 engine switch connector.

(c) Measure the resistance according to the value(s) in the table below.

Standard Resistance:





NG -- REPAIR OR REPLACE HARNESS OR CONNECTOR

OK -- REPLACE POWER MANAGEMENT CONTROL ECU Removal

9. CHECK FOR DTC

(a) Connect the Techstream to the DLC3.

(b) Turn the engine switch on (IG).

(c) Turn the Techstream on.

(d) Enter the following menus: Body Electrical / Power Source / Trouble Codes.

(e) Read the DTCs.

(f) Enter the following menus: Body Electrical / Smart Key / Trouble Codes.

(g) Read the DTCs.

Result





C -- GO TO DTC CHART Smart Key System (for Start Function)

B -- GO TO DTC (B2287) B2287

A -- GO TO SMART KEY SYSTEM (FOR ENTRY FUNCTION) (Room Oscillator does not Recognize Key) Testing and Inspection