Operation CHARM: Car repair manuals for everyone.
Manuals through 2025 now available!

Our trusted friends have launched a new website named LEMON, which has newer manuals. It also contains all the CHARM manuals.

LEMON is the spiritual successor to CHARM, I recommend you try it!

Link: lemon-manuals.la or lemon-manuals.org.ua

(Some people have issue connecting. LEMON is investigating. For now, use Firefox or change your DNS server)

Or, hide this message: temporarily or permanently

Part 1





NETWORKING: CAN COMMUNICATION SYSTEM: Short to B+ in CAN Bus Line
- Short to B+ in CAN Bus Line

DESCRIPTION

There may be a short circuit between the CAN bus lines and +B when the resistance between terminals 6 (CANH) and 16 (BAT) or terminals 14 (CANL) and 16 (BAT) of the DLC3 is below 6 kOhms.





* *1: w/ Kinetic Dynamic Suspension System

* *2: w/ Navigation System

* *3: w/ Smart Key System

* *4: w/o Smart Key System

* *5: for 4WD

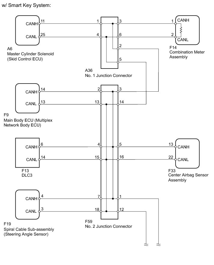
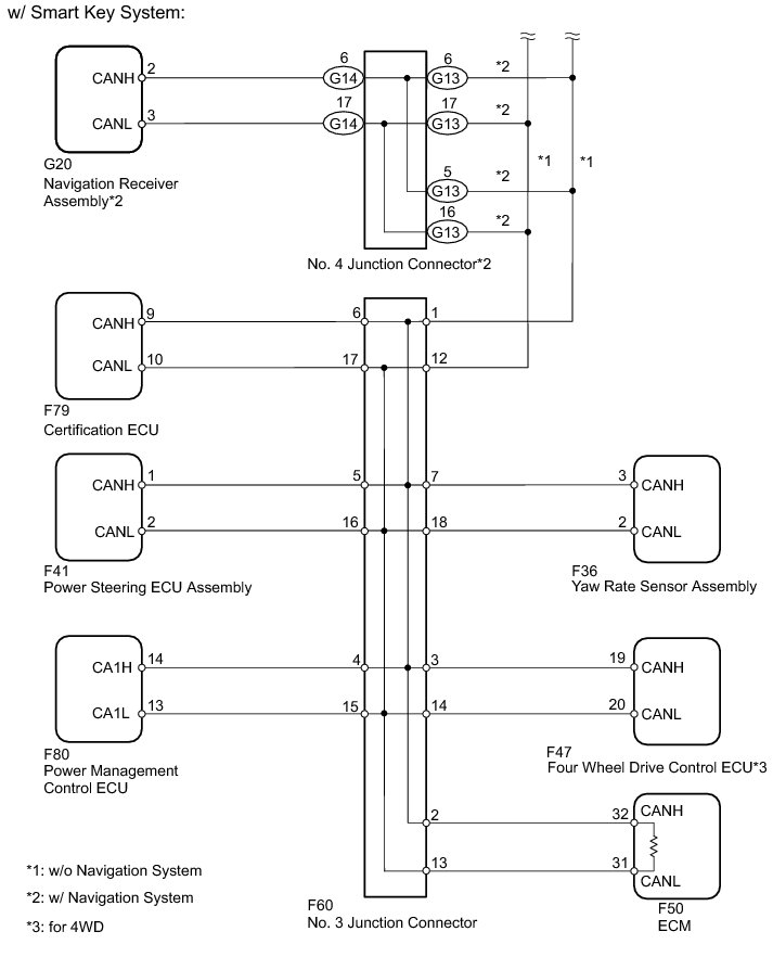
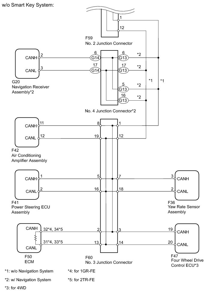
WIRING DIAGRAM

















INSPECTION PROCEDURE

HINT
Operating the ignition switch, any switches or any doors triggers related ECU and sensor communication with the CAN, which causes resistance variation.

PROCEDURE

1. DISCONNECT CABLE FROM NEGATIVE BATTERY TERMINAL

(a) Disconnect the cable from the negative (-) battery terminal before measuring the resistances of the main wire and branch wire.

CAUTION:
Wait at least 90 seconds after disconnecting the cable from the negative (-) battery terminal to disable the SRS system.

NOTICE:
When disconnecting the cable, some systems need to be initialized after the cable is reconnected Repair Instruction - Initialization.

NEXT -- Continue to next step.

2. CHECK FOR SHORT TO B+ IN CAN BUS WIRE (DLC3 BRANCH WIRE)

(a) Disconnect the F59 No. 2 junction connector connector.





(b) Measure the resistance according to the value(s) in the table below.

Standard Resistance:





Text in Illustration





NG -- REPAIR OR REPLACE CAN BRANCH WIRE CONNECTED TO DLC3 (CANH, CANL)
OK -- Continue to next step.

3. CONNECT CONNECTOR

(a) Reconnect the F59 No. 2 junction connector connector.

NEXT -- Continue to next step.

4. CHECK FOR SHORT TO B+ IN CAN BUS WIRE (NO. 1 JUNCTION CONNECTOR SIDE)

(a) Disconnect the A36 No. 1 junction connector connector.





(b) Measure the resistance according to the value(s) in the table below.

Standard Resistance:





Text in Illustration





NG -- CONNECT CONNECTOR
OK -- Continue to next step.

5. CHECK FOR SHORT TO B+ IN CAN BUS WIRE (NO. 1 JUNCTION CONNECTOR - SKID CONTROL ECU)

(a) Measure the resistance according to the value(s) in the table below.





Standard Resistance:





Text in Illustration





NG -- CONNECT CONNECTOR
OK -- Continue to next step.

6. CHECK FOR SHORT TO B+ IN CAN BUS WIRE (NO. 1 JUNCTION CONNECTOR - COMBINATION METER ASSEMBLY)

(a) Measure the resistance according to the value(s) in the table below.





Standard Resistance:





Text in Illustration





NG -- CONNECT CONNECTOR

OK -- REPAIR OR REPLACE NO. 1 JUNCTION CONNECTOR

7. CONNECT CONNECTOR

(a) Reconnect the A36 No. 1 junction connector connector.

NEXT -- Continue to next step.

8. CHECK FOR SHORT TO B+ IN CAN BUS WIRE (SKID CONTROL ECU)

(a) Disconnect the A6 master cylinder solenoid (skid control ECU) connector.





(b) Measure the resistance according to the value(s) in the table below.

Standard Resistance:





Text in Illustration





NG -- REPAIR OR REPLACE CAN BRANCH WIRE CONNECTED TO SKID CONTROL ECU (CANH, CANL)

OK -- REPLACE MASTER CYLINDER SOLENOID Disassembly

9. CONNECT CONNECTOR

(a) Reconnect the A36 No. 1 junction connector connector.

NEXT -- Continue to next step.

10. CHECK FOR SHORT TO B+ IN CAN BUS WIRE (COMBINATION METER ASSEMBLY)

(a) Disconnect the F14 combination meter assembly connector.





(b) Measure the resistance according to the value(s) in the table below.

Standard Resistance:





Text in Illustration





NG -- REPAIR OR REPLACE CAN MAIN WIRE CONNECTED TO COMBINATION METER ASSEMBLY (CANH, CANL)

OK -- REPLACE COMBINATION METER ASSEMBLY Removal

11. CONNECT CONNECTOR

(a) Reconnect the A36 No. 1 junction connector connector.

NEXT -- Continue to next step.

12. CHECK FOR SHORT TO B+ IN CAN BUS WIRE (NO. 2 JUNCTION CONNECTOR - NO. 1 JUNCTION CONNECTOR)

(a) Disconnect the F59 No. 2 junction connector connector.





(b) Measure the resistance according to the value(s) in the table below.

Standard Resistance:





Text in Illustration





NG -- REPAIR OR REPLACE CAN MAIN WIRE OR CONNECTOR (NO. 2 JUNCTION CONNECTOR - NO. 1 JUNCTION CONNECTOR)
OK -- Continue to next step.

13. CONNECT CONNECTOR

(a) Reconnect the F59 No. 2 junction connector connector.

NEXT -- Continue to next step.

14. CHECK FOR SHORT TO B+ IN CAN BUS WIRE (NO. 3 JUNCTION CONNECTOR SIDE)

(a) Disconnect the F60 No. 3 junction connector connector.





(b) Measure the resistance according to the value(s) in the table below.

Standard Resistance:





Text in Illustration





Result





C -- CONNECT CONNECTOR

B -- CONNECT CONNECTOR
A -- Continue to next step.

15. CHECK FOR SHORT TO B+ IN CAN BUS WIRE (NO. 3 JUNCTION CONNECTOR - CERTIFICATION ECU)

HINT
For vehicles without a smart key system, go to "Check for Short to B+ in CAN Bus Wire (No. 3 Junction Connector - Air Conditioning Amplifier)".

(a) Measure the resistance according to the value(s) in the table below.





Standard Resistance:





Text in Illustration





NG -- CONNECT CONNECTOR
OK -- Continue to next step.

16. CHECK FOR SHORT TO B+ IN CAN BUS WIRE (NO. 3 JUNCTION CONNECTOR - POWER MANAGEMENT CONTROL ECU)

(a) Measure the resistance according to the value(s) in the table below.





Standard Resistance:





Text in Illustration





NG -- CONNECT CONNECTOR
OK -- Continue to next step.

17. CHECK FOR SHORT TO B+ IN CAN BUS WIRE (NO. 3 JUNCTION CONNECTOR - AIR CONDITIONING AMPLIFIER ASSEMBLY)

HINT
For vehicles with a smart key system, go to "Check for Short to B+ in CAN Bus Wire (No. 3 Junction Connector - Four Wheel Drive Control ECU)".

(a) Measure the resistance according to the value(s) in the table below.





Standard Resistance:





Text in Illustration





NG -- CONNECT CONNECTOR
OK -- Continue to next step.

18. CHECK FOR SHORT TO B+ IN CAN BUS WIRE (NO. 3 JUNCTION CONNECTOR - FOUR WHEEL DRIVE CONTROL ECU)

HINT
For vehicles without four wheel drive, go to "Check for Short to B+ in CAN Bus Wire (No. 3 Junction Connector - Power Steering ECU)".

(a) Measure the resistance according to the value(s) in the table below.





Standard Resistance:





Text in Illustration





NG -- CONNECT CONNECTOR
OK -- Continue to next step.

19. CHECK FOR SHORT TO B+ IN CAN BUS WIRE (NO. 3 JUNCTION CONNECTOR - POWER STEERING ECU ASSEMBLY)

(a) Measure the resistance according to the value(s) in the table below.





Standard Resistance:





Text in Illustration





NG -- CONNECT CONNECTOR
OK -- Continue to next step.

20. CHECK FOR SHORT TO B+ IN CAN BUS WIRE (NO. 3 JUNCTION CONNECTOR - YAW RATE SENSOR ASSEMBLY)

(a) Measure the resistance according to the value(s) in the table below.





Standard Resistance:





Text in Illustration





NG -- CONNECT CONNECTOR
OK -- Continue to next step.

21. CHECK FOR SHORT TO B+ IN CAN BUS WIRE (NO. 3 JUNCTION CONNECTOR - ECM)

(a) Measure the resistance according to the value(s) in the table below.





Standard Resistance:





Text in Illustration





NG -- CONNECT CONNECTOR

OK -- REPAIR OR REPLACE NO. 3 JUNCTION CONNECTOR

22. CONNECT CONNECTOR

(a) Reconnect the F60 No. 3 junction connector connector.

NEXT -- Continue to next step.

23. CHECK FOR SHORT TO B+ IN CAN BUS WIRE (CERTIFICATION ECU)

(a) Disconnect the F79 certification ECU connector.





(b) Measure the resistance according to the value(s) in the table below.

Standard Resistance:





Text in Illustration





NG -- REPAIR OR REPLACE CAN BRANCH WIRE CONNECTED TO CERTIFICATION ECU (CANH, CANL)

OK -- REPLACE CERTIFICATION ECU Removal

24. CONNECT CONNECTOR

(a) Reconnect the F60 No. 3 junction connector connector.

NEXT -- Continue to next step.

25. CHECK FOR SHORT TO B+ IN CAN BUS WIRE (POWER MANAGEMENT CONTROL ECU)

(a) Disconnect the F80 power management control ECU connector.





(b) Measure the resistance according to the value(s) in the table below.

Standard Resistance:





Text in Illustration





NG -- REPAIR OR REPLACE CAN BRANCH WIRE CONNECTED TO POWER MANAGEMENT CONTROL ECU (CA1H, CA1L)

OK -- REPLACE POWER MANAGEMENT CONTROL ECU Removal

26. CONNECT CONNECTOR

(a) Reconnect the F60 No. 3 junction connector connector.

NEXT -- Continue to next step.

27. CHECK FOR SHORT TO B+ IN CAN BUS WIRE (AIR CONDITIONING AMPLIFIER ASSEMBLY)

(a) Disconnect the F42 air conditioning amplifier assembly connector.





(b) Measure the resistance according to the value(s) in the table below.

Standard Resistance:





Text in Illustration





NG -- REPAIR OR REPLACE CAN BRANCH WIRE CONNECTED TO AIR CONDITIONING AMPLIFIER ASSEMBLY (CANH, CANL)

OK -- REPLACE AIR CONDITIONING AMPLIFIER ASSEMBLY Removal

28. CONNECT CONNECTOR

(a) Reconnect the F60 No. 3 junction connector connector.

NEXT -- Continue to next step.

29. CHECK FOR SHORT TO B+ IN CAN BUS WIRE (FOUR WHEEL DRIVE CONTROL ECU)

(a) Disconnect the F47 four wheel drive control ECU connector.





(b) Measure the resistance according to the value(s) in the table below.

Standard Resistance:





Text in Illustration





Result





C -- REPAIR OR REPLACE CAN BRANCH WIRE CONNECTED TO FOUR WHEEL DRIVE CONTROL ECU (CANH, CANL)

B -- REPLACE FOUR WHEEL DRIVE CONTROL ECU

A -- REPLACE FOUR WHEEL DRIVE CONTROL ECU

30. CONNECT CONNECTOR

(a) Reconnect the F60 No. 3 junction connector connector.

NEXT -- Continue to next step.

31. CHECK FOR SHORT TO B+ IN CAN BUS WIRE (POWER STEERING ECU ASSEMBLY)

(a) Disconnect the F41 power steering ECU assembly connector.





(b) Measure the resistance according to the value(s) in the table below.

Standard Resistance:





Text in Illustration





NG -- REPAIR OR REPLACE CAN BRANCH WIRE CONNECTED TO POWER STEERING ECU ASSEMBLY (CANH, CANL)

OK -- REPLACE POWER STEERING ECU ASSEMBLY Removal

32. CONNECT CONNECTOR

(a) Reconnect the F60 No. 3 junction connector connector.

NEXT -- Continue to next step.

33. CHECK FOR SHORT TO B+ IN CAN BUS WIRE (YAW RATE SENSOR ASSEMBLY)

(a) Disconnect the F36 yaw rate sensor assembly connector.





(b) Measure the resistance according to the value(s) in the table below.

Standard Resistance: