Operation CHARM: Car repair manuals for everyone.
Manuals through 2025 now available!

Our trusted friends have launched a new website named LEMON, which has newer manuals. It also contains all the CHARM manuals.

LEMON is the spiritual successor to CHARM, I recommend you try it!

Link: lemon-manuals.la or lemon-manuals.org.ua

(Some people have issue connecting. LEMON is investigating. For now, use Firefox or change your DNS server)

Or, hide this message: temporarily or permanently

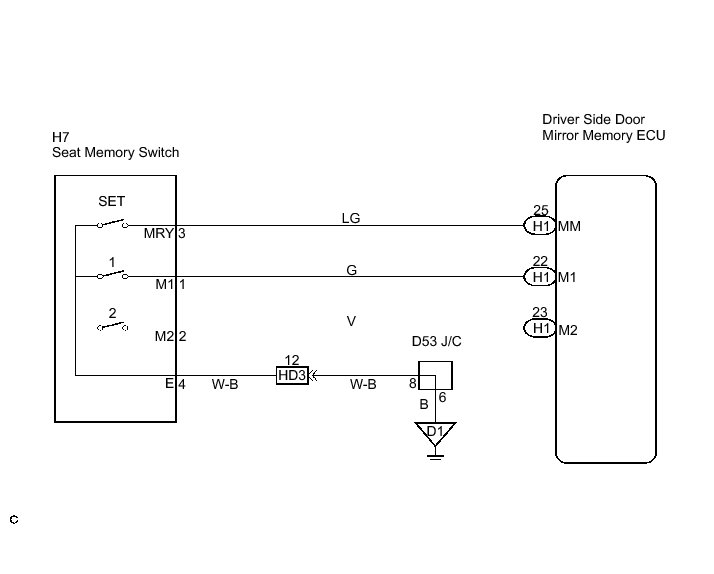
Driving Position Memory Switch Circuit (w/ Memory)





SEAT: FRONT POWER SEAT CONTROL SYSTEM (w/ Memory): Driving Position Memory Switch Circuit (w/ Memory)
- Driving Position Memory Switch Circuit (w/ Memory)

DESCRIPTION

The seat memory switch sends signals to the outer mirror control ECU assembly via the multiplex communication system to memorize a given seat position. This memory system does not use a position sensor. The seat position is detected by counting pulses that are output when the motor turns. If there is no pulse output from the motor, the motor will stop operating. The seat memory switch is later used to send signals to the front power seat switch to return the seat to one of the memorized positions.

The power seat memory operation can be performed only when the ignition switch is on (IG) and the shift lever position is in P.

WIRING DIAGRAM





INSPECTION PROCEDURE

PROCEDURE

1. READ VALUE USING TECHSTREAM

(a) Connect Techstream to the DLC3.

(b) Turn the ignition switch on (IG).

(c) Read the DATA LIST.

Driver Seat:





OK:

Condition status can be displayed.

NG -- INSPECT SEAT MEMORY SWITCH

OK -- PROCEED TO NEXT CIRCUIT INSPECTION SHOWN IN PROBLEM SYMPTOMS TABLE

2. INSPECT SEAT MEMORY SWITCH

(a) Remove the seat memory switch.





(b) Measure the resistance according to the value(s) in the table below.

Resistance:





NG -- REPLACE SEAT MEMORY SWITCH
OK -- Continue to next step.

3. CHECK HARNESS AND CONNECTOR (SEAT MEMORY SWITCH CIRCUIT)

(a) Measure the voltage according to the value(s) in the table below.





Voltage:





NG -- CHECK HARNESS AND CONNECTOR (OUTER MIRROR CONTROL ECU ASSEMBLY - SEAT MEMORY SWITCH)

OK -- PROCEED TO NEXT CIRCUIT INSPECTION SHOWN IN PROBLEM SYMPTOMS TABLE

4. CHECK HARNESS AND CONNECTOR (OUTER MIRROR CONTROL ECU ASSEMBLY - SEAT MEMORY SWITCH)

(a) Disconnect the H1 connector from the door ECU.





(b) Measure the resistance according to the value(s) in the table below.

Resistance:





NG -- REPAIR OR REPLACE HARNESS OR CONNECTOR

OK -- REPLACE OUTER MIRROR CONTROL ECU ASSEMBLY