ACIS Control Circuit (from 12/2010)
2GR-FE ENGINE CONTROL SYSTEM: SFI SYSTEM: ACIS Control Circuit
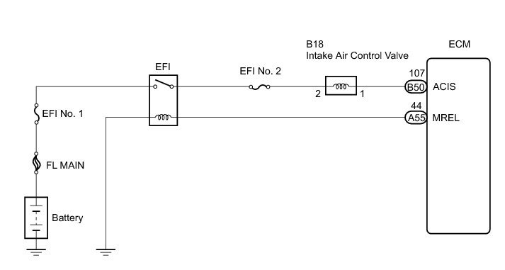
- ACIS Control Circuit
DESCRIPTION
This circuit opens and closes the Intake Air Control Valve (IACV) in response to changes in the engine load in order to increase the intake efficiency (ACIS: Acoustic Control Induction System).
When the engine speed is between 0 and 4,450 rpm and the throttle valve opening angle is 60° or more, the ECM supplies current to the actuator (ON status), to close the IACV. Under other conditions, the actuator is usually OFF and the IACV is open.
WIRING DIAGRAM
INSPECTION PROCEDURE
NOTICE:
Inspect the fuses for circuits related to this system before performing the following inspection procedure.
PROCEDURE
1. PERFORM ACTIVE TEST USING TECHSTREAM (ACTIVE THE VSV FOR INTAKE CONTROL)
(a) Connect Techstream to the DLC3.
(b) Turn the ignition switch to ON.
(c) Turn the Techstream on.
(d) Select the following menu items: Powertrain / Engine / Active Test / Activate the VSV for Intake Control.
(e) Check if operating noise can be heard when operating the intake air control valve using the Techstream.
OK:
Operational noise can be heard.
NG -- CHECK INTAKE AIR SURGE TANK (INTAKE AIR CONTROL VALVE OPERATION)
OK -- PROCEED TO NEXT SUSPECTED AREA SHOWN IN PROBLEM SYMPTOMS TABLE Problem Symptoms Table (from 12/2010)
2. CHECK INTAKE AIR SURGE TANK (INTAKE AIR CONTROL VALVE OPERATION)
(a) Disconnect the intake air control valve connector.
(b) Apply battery voltage between the terminals of the air intake valve connector.
(c) Check the intake air intake valve operation.
OK:
Operational noise can be heard.
(d) Reconnect the intake air control valve connector.
NG -- REPLACE INTAKE AIR SURGE TANK
OK -- Continue to next step.
3. INSPECT TERMINAL VOLTAGE (INTAKE AIR CONTROL VALVE)
(a) Disconnect the intake air control valve connector.
(b) Turn the ignition switch to ON.
(c) Measure the voltage according to the value(s) on the table below.
Standard voltage:
(d) Reconnect the intake air control valve connector.
NG -- REPAIR OR REPLACE HARNESS OR CONNECTOR (EFI NO. 2 FUSE - INTAKE AIR CONTROL VALVE)
OK -- Continue to next step.
4. CHECK HARNESS AND CONNECTOR (INTAKE AIR CONTROL VALVE - ECM)
(a) Check the wire harness and connectors between the intake air control valve and ECM.
(1) Disconnect the intake air control valve connector.
(2) Disconnect the ECM connector.
(3) Measure the resistance between the terminals of the intake air control valve connector and ECM connector.
Standard resistance (Check for open):
Standard resistance (Check for short):
(4) Reconnect the intake air control valve connector.
(5) Reconnect the ECM connector.
NG -- REPAIR OR REPLACE HARNESS OR CONNECTOR (INTAKE AIR CONTROL VALVE - ECM)
OK -- REPLACE ECM Removal (from 12/2010)