Operation CHARM: Car repair manuals for everyone.
Manuals through 2025 now available!

Our trusted friends have launched a new website named LEMON, which has newer manuals. It also contains all the CHARM manuals.

LEMON is the spiritual successor to CHARM, I recommend you try it!

Link: lemon-manuals.la or lemon-manuals.org.ua

(Some people have issue connecting. LEMON is investigating. For now, use Firefox or change your DNS server)

Or, hide this message: temporarily or permanently

Starting - Smart Key System






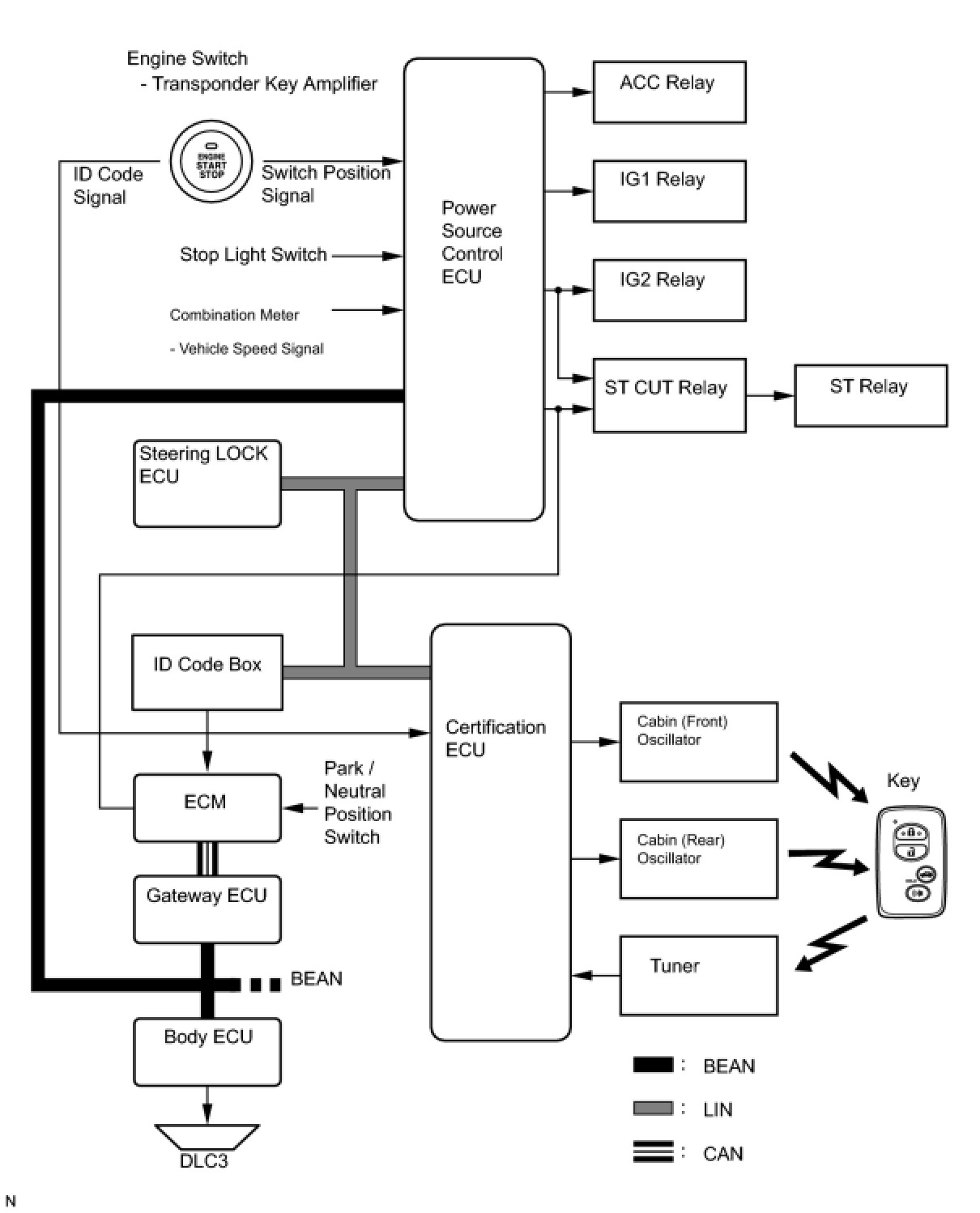
2GR-FE STARTING: SMART KEY SYSTEM: SYSTEM DIAGRAM















SYSTEM DESCRIPTION

1. PUSH BUTTON START DESCRIPTION

(a) The push button start system uses a push-type engine switch, which the driver operates by merely carrying the key. This system consists primarily of the power source control ECU, engine switch , ID code box, steering lock ECU, key, ACC relay, IG1 relay, IG2 relay and certification ECU. The power source control ECU controls the system. This function operates in cooperation with the smart key system.

The table below shows the transition of the engine switch, which depends on whether the brake pedal is depressed or released.

(b) This system has different power source mode patterns to suit the brake pedal condition and shift lever position.





When the battery of the key is low, the push button start system can be made to function by holding the key against the engine switch.

2. FUNCTION OF COMPONENT





3. SYSTEM FUNCTION

(a) The electric controls of the push button start system are described below:





4. Construction and Operation

(a) Engine Switch





Engine switch consists of the momentary type switch, three color (Amber, Green, Greenish White) LEDs, and transponder key amplifier.

* The greenish white LED is for illumination.

* The amber and green LEDs are for the indicator lights. The driver can check the present power source mode and whether the engine can start or not in accordance with the illumination state of the indicator light.

* When the power source control ECU detects an abnormality in the push button start system, it makes the amber indicator light flash. If the engine stopped in this state, it might not be possible to restart it.

(b) Indicator Light Condition





(c) Power Source Control ECU

Power Source Control ECU consists of the IG1 and IG2 relay actuation circuits, CPU and hold circuit.

(1) The hold circuit is installed to prevent the power supply to the relays from being cut off when an abnormality occurs in IG1 and / or IG2 relay actuation circuits during driving.





HINT
Power source control ECU constantly stores the present power source mode in its memory. If the power to power source control ECU is interrupted due to the removal of the battery, power source control ECU restores the power source mode after the battery is reconnected.

If the battery is removed when the engine switch is not off, the power will be restored to the vehicle at the same time the power is restored to Power Source Control ECU (by reconnecting the battery).

Therefore, before removing the battery, make sure to turn the engine switch off.

5. Push Button Start Function Operating

(a) This system has different power source mode patterns to suit the brake pedal condition and shift lever position.





When the battery of the key is low, the push button start system can be made to function by holding the key against the engine switch.

(1) After approximately 1 hour has passed with the engine switch on (ACC) and the shift position in P, the power source control ECU will automatically turn off the power (the engine switch mode changes to OFF).

(2) The illustration below shows the transition of engine switch modes.





HINT
While the vehicle is being driven normally, operation of the engine switch is disabled. However, if the engine must be stopped in an emergency while the vehicle is being driven, pressing the engine switch for at least 3 seconds can stop the engine. Engine switch mode changes from ENGINE START to ACC.

6. When key battery is low

(a) To operate the push button start system when the key battery is low, hold the TOYOTA mark of the key against the engine switch while depressing the brake pedal.

(b) The power source control ECU transmits a key verification request signal from the stop light switch signal to the certification ECU.

(c) The certification ECU does not receive an ID code response from the smart tuner, so it actuates the transponder key amplifier built into the engine switch.

(d) The transponder key amplifier outputs an engine immobilizer radio wave to the key.

(e) The key receives the radio wave, and returns a radio wave response to the transponder key amplifier.

(f) The transponder key amplifier combines the key ID codes with the radio wave response, and transmits it to the certification ECU.

(g) Certification ECU judges and verifies the ID code, and transmits a key verification OK signal to the power source control ECU. The buzzer in the combination meter sounds at the same time.

(h) After the buzzer sounds, if the engine switch is pressed within five seconds while the brake pedal is not depressed, the power source mode switches to ACC or IG, the same as in the normal condition.





7. DIAGNOSIS

(a) Power source control ECU can detect malfunctions in the push button start system when the power source mode is IG.

When the ECU detects a malfunction, the amber indicator light of the engine switch flashes to warn the driver. At the same time, the ECU stores the 5-digit DTC (Diagnostic Trouble Code) in the memory.

* The indicator light warning continues for 15 seconds even when the power source mode is switched to OFF.

* The DTC can be read by connecting an Techstream to the DLC3.

* The push button start system cannot be operated again if a malfunction occurs.