Operation CHARM: Car repair manuals for everyone.
Manuals through 2025 now available!

Our trusted friends have launched a new website named LEMON, which has newer manuals. It also contains all the CHARM manuals.

LEMON is the spiritual successor to CHARM, I recommend you try it!

Link: lemon-manuals.la or lemon-manuals.org.ua

(Some people have issue connecting. LEMON is investigating. For now, use Firefox or change your DNS server)

Or, hide this message: temporarily or permanently

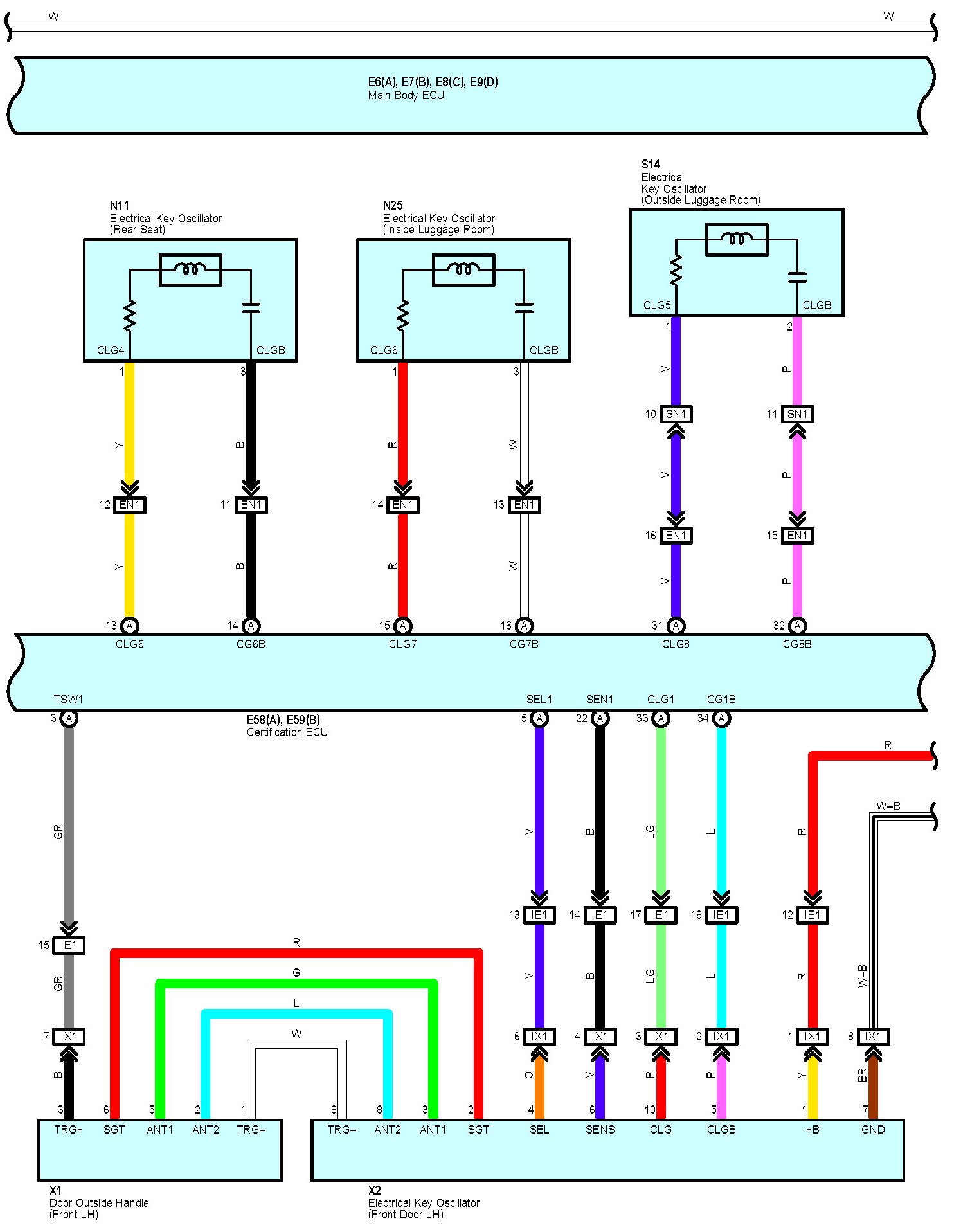
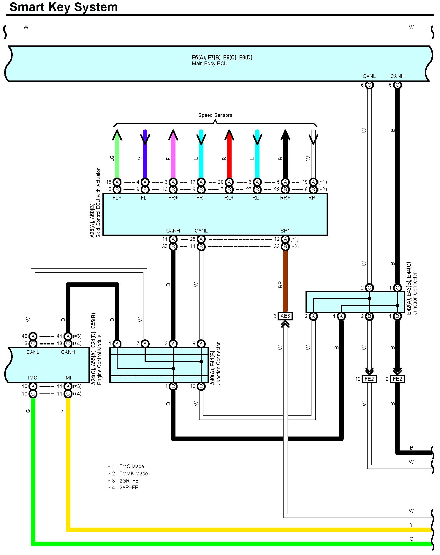
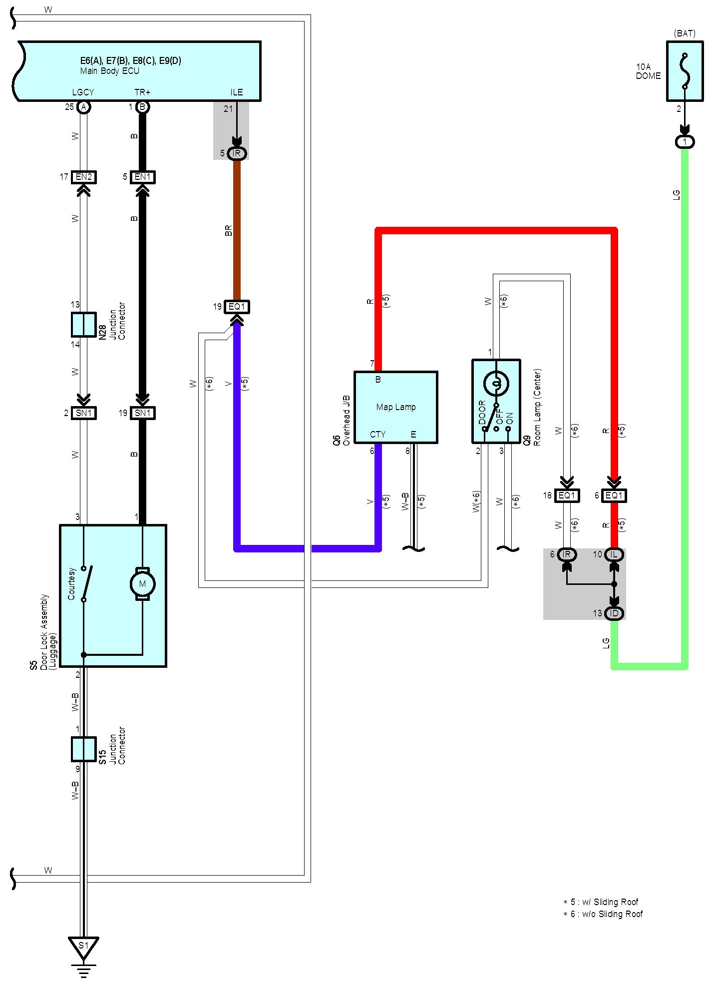
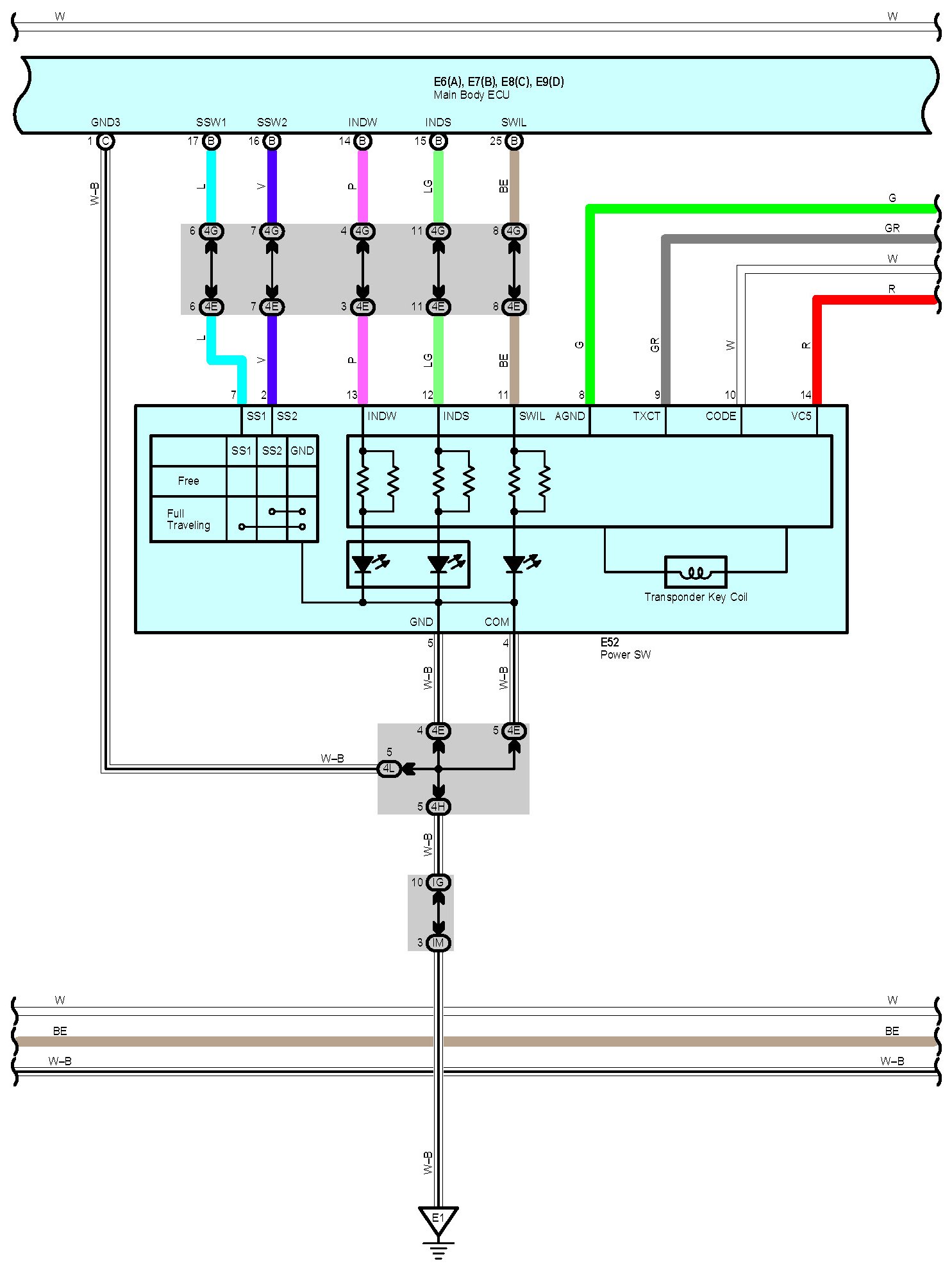
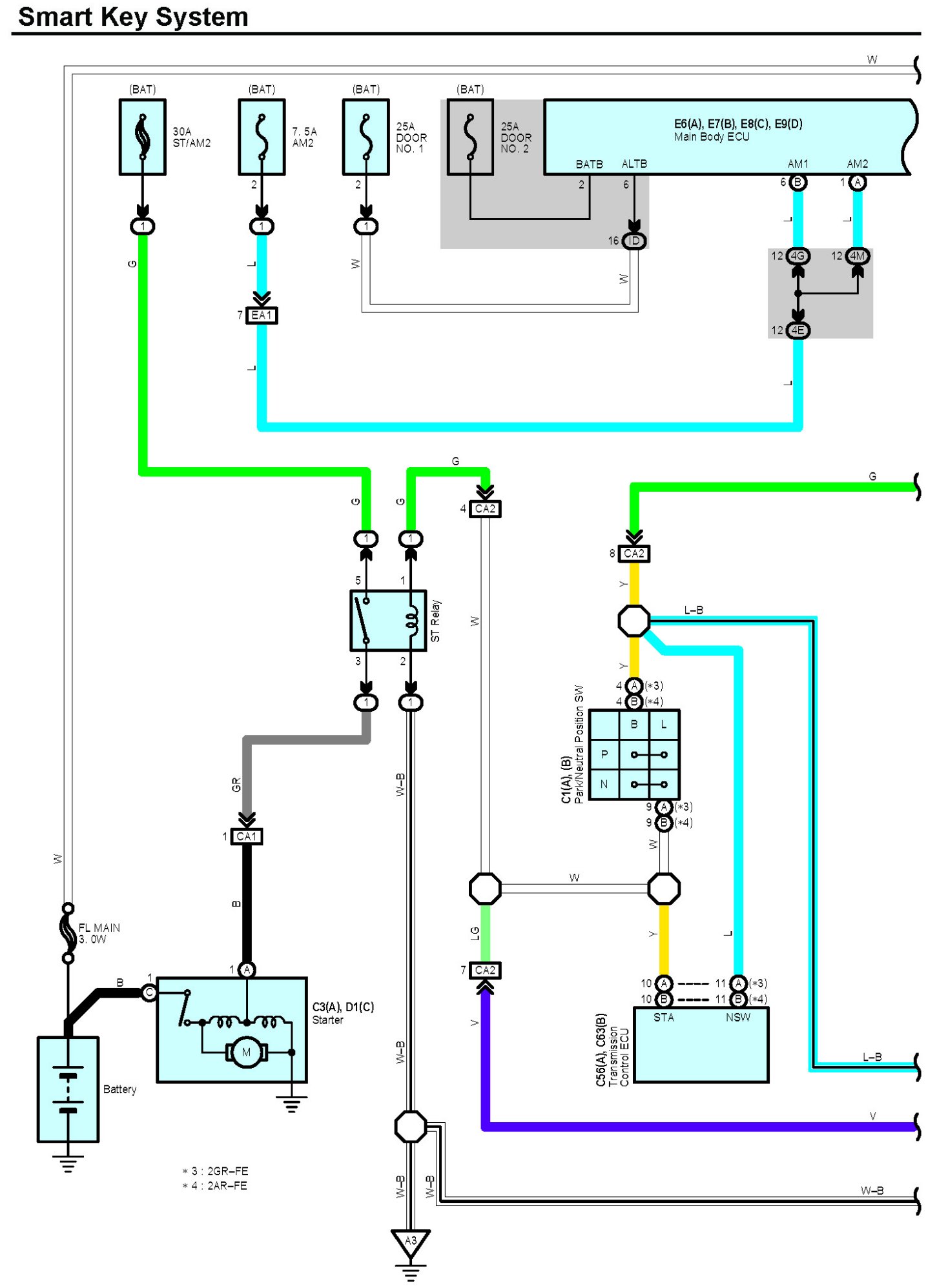
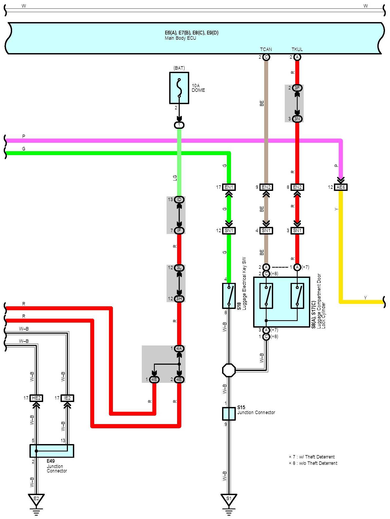
Smart Key System

Smart Key System Part 1:




Smart Key System Part 2:




Smart Key System Part 3:




Smart Key System Part 4:




Smart Key System Part 5:




Smart Key System Part 6:




Smart Key System Part 7:




Smart Key System Part 8:




Smart Key System Part 9:




Smart Key System Part 10:




Smart Key System Part 11:




Smart Key System Part 12:




Smart Key System Part 13:




Smart Key System Part 14:















Locations: The locations of components, connectors, ground points, and splices referred to within these diagrams can be found at Vehicle Locations. Locations

Connector Views: Diagrams of the connectors referred to within these diagrams can be found at Connector Views by Connector Number. Connector Views By Connector Number