Operation CHARM: Car repair manuals for everyone.
Manuals through 2025 now available!

Our trusted friends have launched a new website named LEMON, which has newer manuals. It also contains all the CHARM manuals.

LEMON is the spiritual successor to CHARM, I recommend you try it!

Link: lemon-manuals.la or lemon-manuals.org.ua

(Some people have issue connecting. LEMON is investigating. For now, use Firefox or change your DNS server)

Or, hide this message: temporarily or permanently

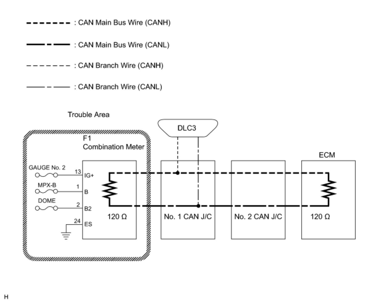
Combination Meter ECU Communication Stop Mode





CAN COMMUNICATION: CAN COMMUNICATION SYSTEM: Combination Meter ECU Communication Stop Mode
- Combination Meter ECU Communication Stop Mode

DESCRIPTION





WIRING DIAGRAM





INSPECTION PROCEDURE

NOTICE:
* Turn the ignition switch off before measuring the resistance of the CAN main wire and CAN branch wires.
* After the ignition switch is turned off, check that the key reminder warning system and light reminder warning system are not operating.
* Before measuring the resistance, leave the vehicle as is for at least 1 minute and do not operate the ignition switch, any other switches or the doors. If doors need to be opened in order to check connectors, open the doors and leave them open.

HINT
Operating the ignition switch, any other switches or any triggers related ECU and sensor communication on the CAN, which would cause resistance reading variations.

PROCEDURE

1. CHECK OPEN IN CAN BUS WIRE (COMBINATION METER MAIN BUS WIRE)

(a) Turn the ignition switch off.





(b) Disconnect the combination meter connector.

(c) Measure the resistance according to the value(s) in the table below.

Standard resistance:





NG -- REPAIR OR REPLACE CAN BUS MAIN WIRE OR CONNECTOR (COMBINATION METER MAIN BUS WIRE)
OK -- Continue to next step.

2. CHECK HARNESS AND CONNECTOR (ES, IG+, B2)

(a) Disconnect the combination meter connector.





(b) Measure the resistance according to the value(s) in the table below.

Standard resistance:





(c) Measure the voltage according to the value(s) in the table below.

Standard voltage:





NG -- REPAIR OR REPLACE HARNESS OR CONNECTOR

OK -- REPLACE COMBINATION METER ECU Removal