Operation CHARM: Car repair manuals for everyone.
Manuals through 2025 now available!

Our trusted friends have launched a new website named LEMON, which has newer manuals. It also contains all the CHARM manuals.

LEMON is the spiritual successor to CHARM, I recommend you try it!

Link: lemon-manuals.la or lemon-manuals.org.ua

(Some people have issue connecting. LEMON is investigating. For now, use Firefox or change your DNS server)

Or, hide this message: temporarily or permanently

Part 1





2AR-FE ENGINE CONTROL SYSTEM: SFI SYSTEM: EVAP System
- EVAP System

RELATED DTCS





If any EVAP system DTCs are output, the malfunctioning area can be determined using the table below.





NOTICE:
If the reference pressure difference between the first and second checks is more than the specification, all the DTCs relating to the reference pressure (P043E, P043F, P2401, P2402 and P2419) are stored.

DESCRIPTION













NOTICE:
In the EVAP system of this vehicle, turning on the vent valve does not seal off the EVAP system. To check for leaks in the EVAP system, disconnect the air inlet vent hose and apply pressure from the atmospheric side of the canister.

While the engine is running, if a predetermined condition (closed loop, etc.) is met, the purge VSV is opened by the ECM and stored fuel vapors in the canister are purged into the intake manifold. The ECM changes the duty-cycle ratio of the purge VSV to control the purge flow volume.

The purge flow volume is also determined by the intake manifold pressure. Atmospheric pressure is allowed into the canister through the vent valve to ensure that the purge flow is maintained when negative pressure (vacuum) is applied to the canister.

The following two monitors run to confirm the appropriate EVAP system operation.

1. Key-off monitor

This monitor checks for EVAP (Evaporative Emission) system leaks and canister pump module malfunctions. The monitor starts 5 hours* after the ignition switch is turned off. At least 5 hours are required for the fuel to cool down to stabilize the EVAP pressure, thus making the EVAP system monitor more accurate.

The leak detection pump creates negative pressure (vacuum) in the EVAP system and the pressure is measured. Finally, the ECM monitors for leaks from the EVAP system, and malfunctions in both the canister pump module and purge VSV, based on the EVAP pressure.

HINT
*: If the engine coolant temperature is not below 35°C (95°F) 5 hours after the ignition switch is turned off, the monitor check starts 2 hours later. If it is still not below 35°C (95°F) 7 hours after the ignition switch is turned off, the monitor check starts 2.5 hours later.

2. Purge flow monitor

The purge flow monitor consists of two monitors. The 1st monitor is conducted every time and the 2nd monitor is activated if necessary.

* The 1st monitor

* While the engine is running and the purge VSV is on (open), the ECM monitors the purge flow by measuring the EVAP pressure change. If negative pressure is not created, the ECM begins the 2nd monitor.

* The 2nd monitor

* The vent valve is turned off (open) and the EVAP pressure is measured. If the variation in the pressure is below 0.5 kPa-g (3.75 mmHg-g), the ECM interprets this as the purge VSV being stuck closed, illuminates the MIL and stores DTC P0441 (2 trip detection logic).

Atmospheric pressure check:

In order to ensure reliable malfunction detection, the variation between the atmospheric pressures, before and after conduction of the purge flow monitor, is measured by the ECM.





















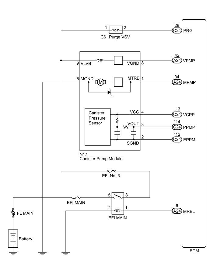
WIRING DIAGRAM





INSPECTION PROCEDURE

NOTICE:
* Inspect the fuses for circuits related to this system before performing the following inspection procedure.
* The Techstream is required to conduct the following diagnostic troubleshooting procedure.

HINT
* Using the Techstream monitor results enables the EVAP (Evaporative Emission) system to be confirmed.
* Read freeze frame data using the Techstream. The ECM records vehicle and driving condition information as freeze frame data the moment a DTC is stored. When troubleshooting, freeze frame data can be helpful in determining whether the vehicle was running or stopped, whether the engine was warmed up or not, whether the air fuel ratio was lean or rich, as well as other data recorded at the time of a malfunction.

PROCEDURE

1. CONFIRM DTC

(a) Turn the ignition switch off and wait for 10 seconds.

(b) Turn the ignition switch to ON.

(c) Turn the ignition switch off and wait for 10 seconds.

(d) Connect the Techstream to the DLC3.

(e) Turn the ignition switch to ON and turn the Techstream on.

(f) Enter the following menus: Powertrain / Engine / Trouble Code.

(g) Confirm DTCs and freeze frame data.

If any EVAP system DTCs are output, the malfunctioning area can be determined using the table below.

NOTICE:
If the reference pressure difference between the first and second checks is more than the specification, all the DTCs relating to the reference pressure (P043E, P043F, P2401, P2402 and P2419) are stored.





NEXT -- Continue to next step.

2. PERFORM EVAPORATIVE SYSTEM CHECK (AUTOMATIC MODE)

NOTICE:
* The Evaporative System Check (Automatic Mode) consists of 5 steps performed automatically by the Techstream. It takes a maximum of approximately 18 minutes.
* Do not perform the Evaporative System Check when the fuel tank is more than 90% full because the cut-off valve may be closed, making the fuel tank leak check unavailable.
* Do not run the engine during this operation.
* When the temperature of the fuel is 35°C (95°F) or higher, a large amount of vapor forms and any check results become inaccurate. When performing the Evaporative System Check, keep the temperature below 35°C (95°F).

(a) Connect the Techstream to the DLC3.

(b) Turn the ignition switch to ON.

(c) Turn the Techstream on.

(d) Clear the DTCs Reading and Clearing Diagnostic Trouble Codes.

(e) Enter the following menus: Powertrain / Engine / Utility / Evaporative System Check / Automatic Mode.

(f) After the Evaporative System Check is completed, check for pending DTCs. Enter the following menus: Powertrain / Engine / Trouble Codes / Pending.

HINT
If no pending DTCs are output, perform the Monitor Confirmation procedures (refer to the "Diagnostic Help" menu). After this confirmation, check for pending DTCs. If no DTCs are output, the evaporative system is normal.

NEXT -- Continue to next step.

3. PERFORM EVAPORATIVE SYSTEM CHECK (MANUAL MODE)





NOTICE:
* In the Evaporative System Check (Manual Mode), perform the 5 Evaporative System Check steps are performed manually using the Techstream.
* Do not perform the Evaporative System Check when the fuel tank is more than 90% full because the cut-off valve may be closed, making the fuel tank leak check unavailable.
* Do not run the engine during this operation.
* When the temperature of the fuel is 35°C (95°F) or higher, a large amount of vapor forms and any check results become inaccurate. When performing the Evaporative System Check, keep the temperature below 35°C (95°F).

(a) Connect the Techstream to the DLC3.

(b) Turn the ignition switch to ON.

(c) Turn the Techstream on.

(d) Clear the DTCs Reading and Clearing Diagnostic Trouble Codes.

(e) Enter the following menus: Powertrain / Engine / Utility / Evaporative System Check / Manual Mode.

NEXT -- Continue to next step.

4. PERFORM EVAPORATIVE SYSTEM CHECK (STEP 1/5)





(a) Check the EVAP pressure in step 1/5.

Result:





*: These DTCs are already present in the ECM when the vehicle arrives and are confirmed in the "Confirm DTC" procedures above.

B -- REPLACE CANISTER
A -- Continue to next step.

5. PERFORM EVAPORATIVE SYSTEM CHECK (STEP 1/5 TO 2/5)





(a) Check the EVAP pressure in steps 1/5 and 2/5.

Result:





*: These DTCs are already present in the ECM when the vehicle arrives and are confirmed in the "Confirm DTC" procedures above.

HINT
The first reference pressure is the value determined in step 2/5.

B -- PERFORM ACTIVE TEST USING TECHSTREAM (VACUUM PUMP (ALONE))
A -- Continue to next step.

6. PERFORM EVAPORATIVE SYSTEM CHECK (STEP 2/5)





HINT
Make a note of the pressures checked in steps "A" and "B" below.

(a) Check the EVAP pressure 4 seconds after the leak detection pump is activated*1 (Step "A").

*1: The leak detection pump begins to operate as step 1/5 finishes and step 2/5 starts.

(b) Check the EVAP pressure again when it has stabilized. This pressure is the reference pressure (Step "B").

Result:





*2: These DTCs are already present in the ECM when the vehicle arrives and are confirmed in the "Confirm DTC" procedures above.

D -- INSPECT CANISTER PUMP MODULE (VENT VALVE OPERATION)

C -- REPLACE CANISTER

B -- PERFORM EVAPORATIVE SYSTEM CHECK (STEP 3/5)
A -- Continue to next step.

7. PERFORM EVAPORATIVE SYSTEM CHECK (STEP 2/5 TO 3/5)





(a) Check the EVAP pressure increase in step 3/5.

Result:





*: These DTCs are already present in the ECM when the vehicle arrives and are confirmed in the "Confirm DTC" procedures above.

C -- REPLACE CANISTER

B -- INSPECT CANISTER PUMP MODULE (POWER SOURCE FOR VENT VALVE)
A -- Continue to next step.

8. PERFORM EVAPORATIVE SYSTEM CHECK (STEP 3/5)





(a) Wait until the EVAP pressure change is below 0.1 kPa-g (0.75 mmHg-g) for 30 seconds.

(b) Measure the EVAP pressure and record it.

HINT
A few minutes are required for the EVAP pressure to become saturated. When there is little fuel in the fuel tank, it takes up to 15 minutes.

NEXT -- Continue to next step.

9. PERFORM EVAPORATIVE SYSTEM CHECK (STEP 4/5)





(a) Check the EVAP pressure in step 4/5.

Result:





*: These DTCs are already present in the ECM when the vehicle arrives and are confirmed in the "Confirm DTC" procedures above.

C -- PERFORM ACTIVE TEST USING TECHSTREAM (PURGE VSV)

B -- CHECK EVAP HOSE (PURGE VSV - INTAKE MANIFOLD)
A -- Continue to next step.

10. PERFORM EVAPORATIVE SYSTEM CHECK (STEP 5/5)





(a) Check the EVAP pressure in step 5/5.

(b) Compare the EVAP pressure in step 3/5 and the second reference pressure (step 5/5).

Result:





*: These DTCs are already present in the ECM when the vehicle arrives and are confirmed in the "Confirm DTC" procedures above.

B -- PERFORM ACTIVE TEST USING TECHSTREAM (PURGE VSV)

A -- REPAIR OR REPLACE PARTS AND COMPONENTS INDICATED BY OUTPUT DTCS

11. PERFORM EVAPORATIVE SYSTEM CHECK (STEP 3/5)





(a) Check the EVAP pressure in step 3/5.

Result:





*: These DTCs are already present in the ECM when the vehicle arrives and are confirmed in the "Confirm DTC" procedures above.

HINT
The first reference pressure is the value determined in step 2/5.

B -- PERFORM ACTIVE TEST USING TECHSTREAM (VACUUM PUMP (ALONE))

A -- REPLACE CANISTER

12. PERFORM ACTIVE TEST USING TECHSTREAM (PURGE VSV)





(a) Connect the Techstream to the DLC3.

(b) Turn the ignition switch to ON.

(c) Turn the Techstream on.

(d) Enter the following menus: Powertrain / Engine / Active Test / Activate the VSV for Evap Control.

(e) Disconnect the hose (connected to the canister) from the purge VSV.

(f) Start the engine.

(g) Using the Techstream, turn off the purge VSV (EVAP VSV: OFF).

(h) Use your finger to confirm that the purge VSV has no suction.

(i) Using the Techstream, turn on the purge VSV (EVAP VSV: ON).

(j) Use your finger to confirm that the purge VSV has suction.

Result:





(k) Reconnect the hose.

C -- CHECK EVAP HOSE (PURGE VSV - INTAKE MANIFOLD)

B -- INSPECT PURGE VSV
A -- Continue to next step.

13. CHECK FUEL CAP

(a) Check that the fuel cap is correctly installed and confirm the fuel cap meets OEM specifications.

(b) Tighten the fuel cap until a few click sounds are heard.

HINT
If an EVAP tester is available, check the fuel cap using the tester.

(a) Remove the fuel cap and install it onto a fuel cap adapter.
(b) Connect an EVAP tester pump hose to the adapter, and pressurize the cap to 3.2 to 3.7 kPa (24 to 28 mmHg) using an EVAP tester pump.
(c) Seal the adapter and wait for 2 minutes.
(d) Check the pressure. If the pressure is 2 kPa (15 mmHg) or more, the fuel cap is normal.

Result:





(c) Reinstall the fuel cap.

C -- REPLACE FUEL CAP

B -- CORRECTLY REINSTALL OR REPLACE FUEL CAP

A -- LOCATE EVAP LEAK PART

14. INSPECT PURGE VSV





(a) Turn the ignition switch off.

(b) Disconnect the purge VSV connector.

(c) Disconnect the hose (connected to the canister) from the purge VSV.

(d) Start the engine.

(e) Use your finger to confirm that the port of the purge VSV has no suction.

Result:





(f) Reconnect the purge VSV connector.

(g) Reconnect the hose.

B -- REPLACE PURGE VSV

A -- REPLACE ECM