Operation CHARM: Car repair manuals for everyone.
Manuals through 2025 now available!

Our trusted friends have launched a new website named LEMON, which has newer manuals. It also contains all the CHARM manuals.

LEMON is the spiritual successor to CHARM, I recommend you try it!

Link: lemon-manuals.la or lemon-manuals.org.ua

(Some people have issue connecting. LEMON is investigating. For now, use Firefox or change your DNS server)

Or, hide this message: temporarily or permanently

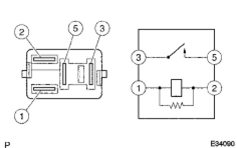
Ignition Relay (w/ Smart Key System)





2AR-FE STARTING: IGNITION RELAY (w/ Smart Key System): ON-VEHICLE INSPECTION

1. INSPECT NO. 2 IGNITION RELAY

(a) Using an ohmmeter, measure the resistance between each terminal.





Standard Resistance:





If the result is not as specified, replace the No. 2 ignition relay.