Operation CHARM: Car repair manuals for everyone.
Manuals through 2025 now available!

Our trusted friends have launched a new website named LEMON, which has newer manuals. It also contains all the CHARM manuals.

LEMON is the spiritual successor to CHARM, I recommend you try it!

Link: lemon-manuals.la or lemon-manuals.org.ua

(Some people have issue connecting. LEMON is investigating. For now, use Firefox or change your DNS server)

Or, hide this message: temporarily or permanently

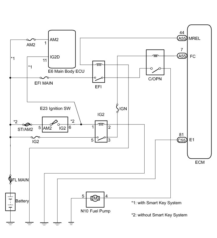
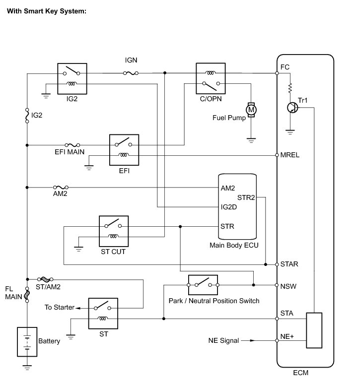
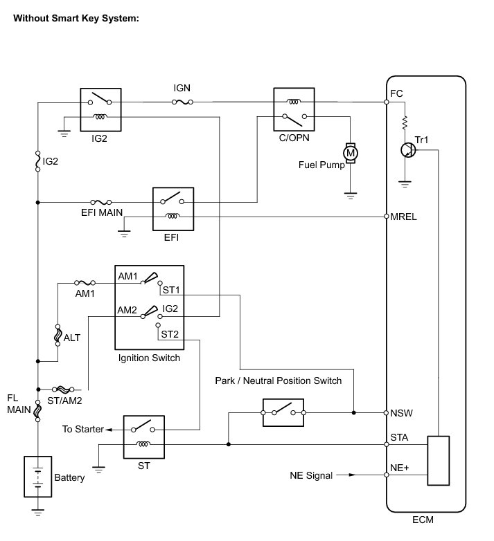
Fuel Pump Control Circuit





2GR-FE ENGINE CONTROL SYSTEM: SFI SYSTEM: Fuel Pump Control Circuit
- Fuel Pump Control Circuit

DESCRIPTION

In the diagram below, when the engine is cranked, current flows from terminal ST1 (STR) of the ignition switch (main body ECU) to the starter relay (Marking: ST) coil and also current flows to terminal STA of ECM (STA signal).

When the STA signal and NE signal are input to the ECM, Tr1 is turned ON, current flows to coil of the circuit opening relay (Marking: C/OPN), the relay switches on, power is supplied to the fuel pump and the fuel pump operates.

While the NE signal is generated (engine running), the ECM keeps Tr1 ON (C/OPN relay ON) and the fuel pump also keeps operating.









WIRING DIAGRAM





INSPECTION PROCEDURE

NOTICE:
Inspect the fuses for circuits related to this system before performing the following inspection procedure.

PROCEDURE

1. PERFORM ACTIVE TEST USING TECHSTREAM (OPERATE C/OPN RELAY)

(a) Connect the Techstream to the DLC3.

(b) Turn the ignition switch to ON and turn the Techstream on.

(c) Select the following menu items: Powertrain / Engine / Active Test / Control the Fuel Pump / Speed.

(d) Check whether the fuel pump operation sound occurs when performing the Active Test on the Techstream.

OK:

Fuel pump operating sound occurs.

NG -- CHECK ECM POWER SOURCE CIRCUIT

OK -- PROCEED TO NEXT SUSPECTED AREA SHOWN IN PROBLEM SYMPTOMS TABLE Symptom Related Diagnostic Procedures

2. CHECK ECM POWER SOURCE CIRCUIT

(a) Check the ECM power source circuit Component Tests and General Diagnostics.

NG -- REPAIR OR REPLACE ECM POWER SOURCE CIRCUIT
OK -- Continue to next step.

3. INSPECT ENGINE ROOM JUNCTION BLOCK (C/OPN RELAY)

(a) Remove the engine room junction block from the engine room relay block.





(b) Inspect the C/OPN relay.

(1) Measure the C/OPN relay resistance.

Standard resistance:





(c) Reinstall the engine room junction block.

NG -- REPLACE ENGINE ROOM JUNCTION BLOCK
OK -- Continue to next step.

4. INSPECT ECM (FC VOLTAGE)

(a) Disconnect the ECM connectors.





(b) Turn the ignition switch to ON.

(c) Measure the voltage between the terminals of the A55 and C55 ECM connectors.

Standard voltage:





(d) Reconnect the ECM connectors.

NG -- REPAIR OR REPLACE HARNESS OR CONNECTOR (ECM - BATTERY)
OK -- Continue to next step.

5. INSPECT FUEL PUMP

(a) Inspect the fuel pump Fuel Pump.

NG -- REPLACE FUEL PUMP Removal
OK -- Continue to next step.

6. CHECK HARNESS AND CONNECTOR (C/OPN RELAY - FUEL PUMP - BODY GROUND)

(a) Check the harness and the connectors between the engine room relay block and the fuel pump.

(1) Disconnect the engine room junction block connector.

(2) Disconnect the fuel pump connector.

(3) Measure the resistance.

Standard resistance (Check for open):





Standard resistance (Check for short):





(b) Check the harness and the connectors between the fuel pump and body ground.

(1) Disconnect the fuel pump connector.

(2) Measure the resistance.

Standard resistance (Check for open):





(c) Reconnect the engine room junction block connector.

(d) Reconnect the fuel pump connector.

NG -- REPAIR OR REPLACE HARNESS OR CONNECTOR

OK -- REPLACE ECM Removal