Operation CHARM: Car repair manuals for everyone.
Manuals through 2025 now available!

Our trusted friends have launched a new website named LEMON, which has newer manuals. It also contains all the CHARM manuals.

LEMON is the spiritual successor to CHARM, I recommend you try it!

Link: lemon-manuals.la or lemon-manuals.org.ua

(Some people have issue connecting. LEMON is investigating. For now, use Firefox or change your DNS server)

Or, hide this message: temporarily or permanently

Cylinder Head Assembly

CYLINDER HEAD SUB-ASSEMBLY

The cylinder head bolts are tightened in 2 successive steps.






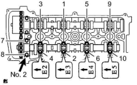
Using several steps, uniformly install and tighten the 10 cylinder head set bolts and plate washers with a 10 mm bi-hexagon wrench in the order shown in the illustration.

Torque 70 Nm (714 kgf-cm, 52 ft-lbf)

Mark the front of the cylinder head bolts with paint.






Further tighten the cylinder head bolts 90° as shown in the illustration.
Check that the paint mark is now at a 90° angle to the front.

SURFACE VARIATION






CAMSHAFT

Using several steps, uniformly tighten the 10 bearing cap bolts in the sequence shown in the illustration.






No. 1 Bearing cap - Torque 30 Nm (301 kgf-cm, 22 ft-lbf)

No. 3 Bearing cap - Torque 9.0 Nm (92 kgf-cm, 80 in-lbf)


NO. 2 CAMSHAFT

Using several steps, uniformly tighten the 10 bearing cap bolts in the sequence shown in the illustration.






No. 2 Bearing cap - Torque 30 Nm (301 kgf-cm, 22 ft-lbf)

No. 3 Bearing cap - Torque 9.0 Nm (92 kgf-cm, 80 in-lbf)


INTAKE MANIFOLD TORQUE & SEQUENCE Specifications

EXHAUST MANIFOLD TORQUE & SEQUENCE Specifications

CAMSHAFT GEAR/SPROCKET TORQUE Specifications