Operation CHARM: Car repair manuals for everyone.
Manuals through 2025 now available!

Our trusted friends have launched a new website named LEMON, which has newer manuals. It also contains all the CHARM manuals.

LEMON is the spiritual successor to CHARM, I recommend you try it!

Link: lemon-manuals.la or lemon-manuals.org.ua

(Some people have issue connecting. LEMON is investigating. For now, use Firefox or change your DNS server)

Or, hide this message: temporarily or permanently

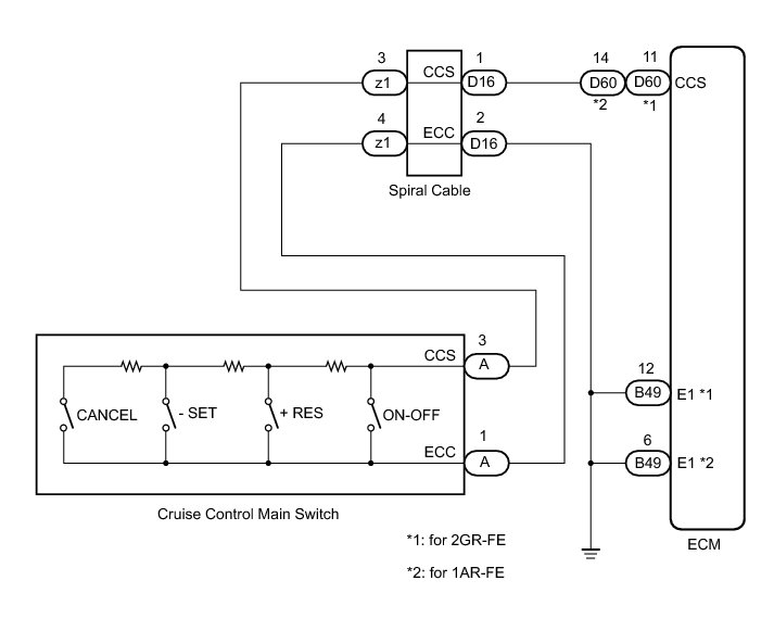
Cruise Control Switch Circuit





CRUISE CONTROL: CRUISE CONTROL SYSTEM: Cruise Control Switch Circuit
- Cruise Control Switch Circuit

DESCRIPTION

The cruise control main switch operates 7 functions: SET, - (COAST), TAP-DOWN, RES (RESUME), + (ACCEL), TAP-UP, and CANCEL. The SET, TAP-DOWN, and - (COAST) functions, and the RES (RESUME), TAP-UP, and + (ACCEL) functions are operated with the same switch. The cruise control main switch is an automatic return type switch which turns on only while it is operated in the direction of each arrow and turns off after being released. The internal contact point of the cruise control main switch is turned on with the switch operation. Then the ECM reads the voltage value that has been changed by the switch operation to control SET, - (COAST), RES (RESUME), + (ACCEL), and CANCEL.

WIRING DIAGRAM





INSPECTION PROCEDURE

PROCEDURE

1. READ VALUE USING TECHSTREAM

(a) Connect the Techstream to the DLC3.





(b) Turn the ignition switch on (IG).

(c) Turn the Techstream main switch on.

(d) Select the following menu items: Powertrain / Cruise Control / Data List.

(e) Check the Data List for proper functioning of the cruise control main switch.

Cruise Control





OK:

The display changes as shown above according to switch operation.

Result





C -- REPLACE CRUISE CONTROL MAIN SWITCH Removal

B -- INSPECT CRUISE CONTROL MAIN SWITCH

A -- PROCEED TO NEXT SUSPECTED AREA SHOWN IN PROBLEM SYMPTOMS TABLE Symptom Related Diagnostic Procedures

2. INSPECT CRUISE CONTROL MAIN SWITCH

(a) Remove the cruise control main switch Removal.

(b) Measure the resistance according to the value(s) in the table below.





Standard Resistance:





(c) Install the cruise control main switch.

NG -- REPLACE CRUISE CONTROL MAIN SWITCH Removal
OK -- Continue to next step.

3. CHECK HARNESS AND CONNECTOR (CRUISE CONTROL MAIN SWITCH - SPIRAL CABLE)

(a) Disconnect the spiral cable connector.





(b) Measure the resistance according to the value(s) in the table below.

Standard Resistance:





(c) Reconnect the spiral cable connector.

NG -- REPAIR OR REPLACE HARNESS OR CONNECTOR (CRUISE CONTROL MAIN SWITCH - SPIRAL CABLE)
OK -- Continue to next step.

4. CHECK SPIRAL CABLE

NOTICE:
The spiral cable is an important part of the SRS airbag system. Incorrect removal or installation of the spiral cable may prevent the airbag from deploying. Be sure to read the page shown in the brackets.

HINT
* Removal Removal
* Installation Installation

(a) Remove the spiral cable.





(b) Measure the resistance according to the value(s) in the table below.

Standard Resistance:





HINT
The spiral cable makes a maximum of approximately 5 rotations.

NG -- REPLACE SPIRAL CABLE Removal
OK -- Continue to next step.

5. CHECK HARNESS AND CONNECTOR (SPIRAL CABLE - ECM AND BODY GROUND)

(a) Disconnect the ECM connector.

(b) Measure the resistance according to the value(s) in the table below.





Standard Resistance (for 2GR-FE):





Standard Resistance (for 1AR-FE):





Result:





(c) Reconnect the ECM connector.

C -- REPLACE ECM (1AR-FE) Removal

B -- REPLACE ECM (2GR-FE) Removal

A -- REPAIR OR REPLACE HARNESS OR CONNECTOR