Operation CHARM: Car repair manuals for everyone.
Manuals through 2025 now available!

Our trusted friends have launched a new website named LEMON, which has newer manuals. It also contains all the CHARM manuals.

LEMON is the spiritual successor to CHARM, I recommend you try it!

Link: lemon-manuals.la or lemon-manuals.org.ua

(Some people have issue connecting. LEMON is investigating. For now, use Firefox or change your DNS server)

Or, hide this message: temporarily or permanently

Component Tests and General Diagnostics





1AR-FE ENGINE CONTROL SYSTEM: SFI SYSTEM: ECM Power Source Circuit
- ECM Power Source Circuit

DESCRIPTION

When the ignition switch is turned to ON, the battery voltage is applied to terminal IGSW of the ECM. The ECM MREL output signal causes a current to flow to the coil, closing the contacts of the EFI relay and supplying power to terminal +B, +B2 of the ECM.

If the ignition switch is turned off, the ECM holds the EFI relay ON for a maximum of 2 seconds to allow for the initial setting of the throttle valve.

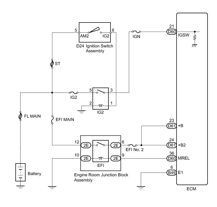
WIRING DIAGRAM





INSPECTION PROCEDURE

NOTICE:
Inspect the fuses for circuits related to this system before performing the following inspection procedure.

PROCEDURE

1. INSPECT ECM (+B VOLTAGE)

(a) Turn the ignition switch to ON.





(b) Measure the voltage according to the value(s) in the table below.

Standard Voltage:





NG -- CHECK HARNESS AND CONNECTOR (ECM - BODY GROUND)

OK -- PROCEED TO NEXT SUSPECTED AREA SHOWN IN PROBLEM SYMPTOMS TABLE Symptom Related Diagnostic Procedures

2. CHECK HARNESS AND CONNECTOR (ECM - BODY GROUND)

(a) Disconnect the ECM connector.

(b) Measure the resistance according to the value(s) in the table below.

Standard Resistance (Check for Open):





(c) Reconnect the ECM connector.

NG -- REPAIR OR REPLACE HARNESS OR CONNECTOR
OK -- Continue to next step.

3. INSPECT ECM (MREL VOLTAGE)

(a) Turn the ignition switch to ON.





(b) Measure the voltage according to the value(s) in the table below.

Standard Voltage:





NG -- INSPECT ECM (IGSW VOLTAGE)
OK -- Continue to next step.

4. INSPECT ENGINE ROOM JUNCTION BLOCK ASSEMBLY (EFI RELAY)

(a) Inspect the EFI relay Integration Relay.

NG -- REPLACE ENGINE ROOM JUNCTION BLOCK ASSEMBLY Removal
OK -- Continue to next step.

5. CHECK HARNESS AND CONNECTOR (EFI RELAY - ECM)

(a) Remove the engine room junction block assembly from the engine room relay block.

(b) Disconnect the ECM connector.

(c) Measure the resistance according to the value(s) in the table below.

Standard Resistance (Check for Open):





Standard Resistance (Check for Short):





(d) Reinstall the engine room junction block assembly.

(e) Reconnect the ECM connector.

NG -- REPAIR OR REPLACE HARNESS OR CONNECTOR
OK -- Continue to next step.

6. CHECK HARNESS AND CONNECTOR (EFI RELAY - BODY GROUND)

(a) Remove the engine room junction block assembly from the engine room relay block.

(b) Measure the resistance according to the value(s) in the table below.

Standard Resistance (Check for Open):





(c) Reinstall the engine room junction block assembly.

NG -- REPAIR OR REPLACE HARNESS OR CONNECTOR
OK -- Continue to next step.

7. CHECK HARNESS AND CONNECTOR (EFI RELAY - ECM)

(a) Remove the engine room junction block assembly from the engine room relay block.

(b) Disconnect the ECM connector.

(c) Measure the resistance according to the value(s) in the table below.

Standard Resistance (Check for Open):





Standard Resistance (Check for Short):





(d) Reinstall the engine room junction block assembly.

(e) Reconnect the ECM connector.

NG -- REPAIR OR REPLACE HARNESS OR CONNECTOR

OK -- REPAIR OR REPLACE HARNESS OR CONNECTOR (BATTERY - EFI RELAY)

8. INSPECT ECM (IGSW VOLTAGE)

(a) Turn the ignition switch to ON.





(b) Measure the voltage according to the value(s) in the table below.

Standard Voltage:





NG -- CHECK HARNESS AND CONNECTOR (ECM - IG2 RELAY)

OK -- REPLACE ECM Removal

9. CHECK HARNESS AND CONNECTOR (ECM - IG2 RELAY)

(a) Remove the IG2 relay from the engine room relay block.

(b) Disconnect the ECM connector.

(c) Measure the resistance according to the value(s) in the table below.

Standard Resistance:





(d) Reconnect the ECM connector.

(e) Reinstall the IG2 relay.

NG -- CHECK HARNESS AND CONNECTOR (IGNITION SWITCH ASSEMBLY - IG2 RELAY)
OK -- Continue to next step.

10. INSPECT RELAY (IG2 RELAY)

(a) Remove the IG2 relay from the engine room relay block.





(b) Measure the resistance according to the value(s) in the table below.

Standard Resistance:





(c) Reinstall the IG2 relay.

NG -- REPLACE RELAY (IG2 RELAY)
OK -- Continue to next step.

11. CHECK HARNESS AND CONNECTOR (IG2 RELAY POWER SOURCE)

(a) Remove the IG2 relay from the engine room relay block.

(b) Measure the voltage according to the value(s) in the table below.

Standard Voltage:





(c) Reinstall the IG2 relay.

NG -- REPAIR OR REPLACE HARNESS OR CONNECTOR (BATTERY - IG2 RELAY)
OK -- Continue to next step.

12. CHECK HARNESS AND CONNECTOR (IG2 RELAY - BODY GROUND)

(a) Remove the IG2 relay from the engine room relay block.

(b) Measure the resistance according to the value(s) in the table below.

Standard Resistance:





(c) Reinstall the IG2 relay.

NG -- REPAIR OR REPLACE HARNESS OR CONNECTOR
OK -- Continue to next step.

13. CHECK HARNESS AND CONNECTOR (IGNITION SWITCH ASSEMBLY - IG2 RELAY)

(a) Remove the IG2 relay from the engine room relay block.

(b) Disconnect the ignition switch assembly connector.

(c) Measure the resistance according to the value(s) in the table below.

Standard Resistance (Check for Open):





Standard Resistance (Check for Short):





(d) Reinstall the IG2 relay.

(e) Reconnect the ignition switch assembly connector.

NG -- REPAIR OR REPLACE HARNESS OR CONNECTOR
OK -- Continue to next step.

14. INSPECT IGNITION SWITCH ASSEMBLY

(a) Inspect the ignition switch assembly Testing and Inspection.

NG -- REPLACE IGNITION SWITCH ASSEMBLY Removal

OK -- REPAIR OR REPLACE HARNESS OR CONNECTOR (IGNITION SWITCH ASSEMBLY - BATTERY)