Operation CHARM: Car repair manuals for everyone.
Manuals through 2025 now available!

Our trusted friends have launched a new website named LEMON, which has newer manuals. It also contains all the CHARM manuals.

LEMON is the spiritual successor to CHARM, I recommend you try it!

Link: lemon-manuals.la or lemon-manuals.org.ua

(Some people have issue connecting. LEMON is investigating. For now, use Firefox or change your DNS server)

Or, hide this message: temporarily or permanently

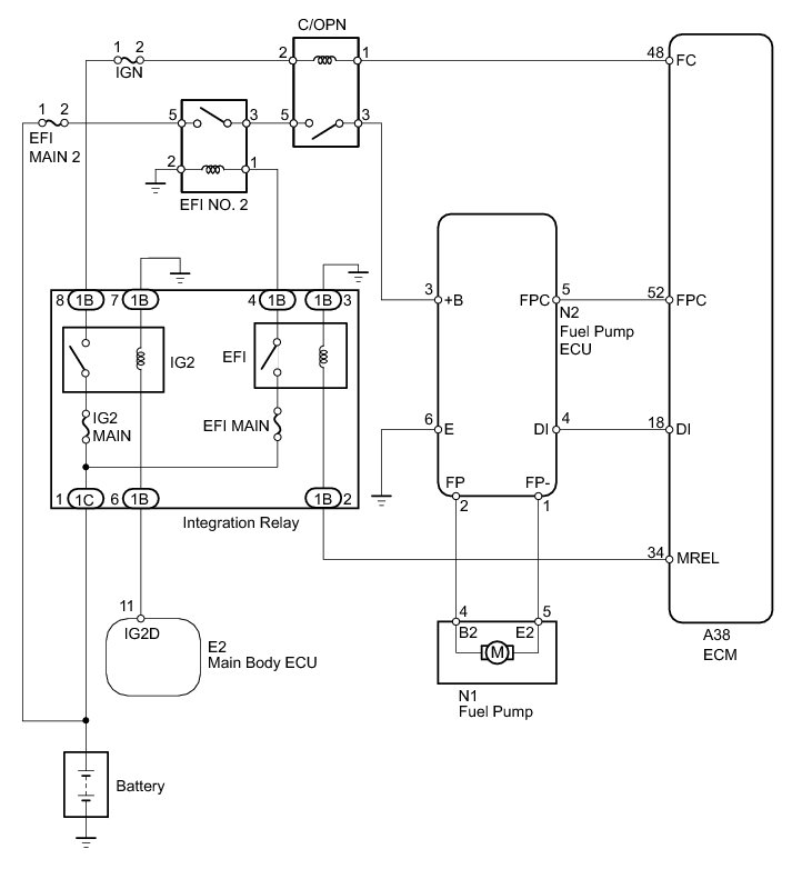
Fuel Pump Control Circuit





3UR-FE ENGINE CONTROL: SFI SYSTEM: Fuel Pump Control Circuit
- Fuel Pump Control Circuit

DESCRIPTION

The fuel pump circuit consists of the ECM, fuel pump and fuel pump ECU (which operates the fuel pump). Based on the engine output, the ECM determines the fuel pump speed. The speed is then converted to a duty signal and sent to the fuel pump ECU. Based on the signal sent from the ECM, the fuel pump ECU adjusts the fuel pump operation speed between 3 settings.

WIRING DIAGRAM





INSPECTION PROCEDURE

This troubleshooting procedure is based on the premise that the engine is started. If the engine is not started, proceed to the Problem Symptoms Table Symptom Related Diagnostic Procedures.

NOTICE:
Inspect the fuses for circuits related to this system before performing the following inspection procedure.

PROCEDURE

1. PERFORM ACTIVE TEST USING TECHSTREAM (FUEL PUMP)

(a) Connect the Techstream to the DLC3.

(b) Turn the engine switch on (IG) and turn the Techstream on.

(c) Enter the following menus: Powertrain / Engine and ECT / Active Test / Control the Fuel Pump / Speed.

(d) Check whether operating sounds can be heard while operating the fuel pump using the Techstream.

OK:

Operating sounds can be heard from fuel pump.

NG -- INSPECT CIRCUIT OPENING RELAY (C/OPN)
OK -- Continue to next step.

2. CHECK HARNESS AND CONNECTOR (FUEL PUMP ECU - ECM, BODY GROUND)





(a) Disconnect the N2 fuel pump ECU connector.

(b) Disconnect the A38 ECM connector.

(c) Measure the resistance according to the value(s) in the table below.

Standard Resistance:





NG -- REPAIR OR REPLACE HARNESS OR CONNECTOR
OK -- Continue to next step.

3. REPLACE FUEL PUMP ECU

(a) Replace the fuel pump ECU Removal.

NEXT -- Continue to next step.

4. CONFIRM WHETHER MALFUNCTION HAS BEEN SUCCESSFULLY REPAIRED

(a) Check the fuel pump operation.

OK:

Malfunction has been repaired successfully.

NG -- REPLACE ECM Removal

OK -- END

5. INSPECT CIRCUIT OPENING RELAY (C/OPN)





(a) Remove the circuit opening relay (C/OPN) from the engine room relay block.

(b) Measure the resistance according to the value(s) in the table below.

Standard Resistance:





NG -- REPLACE CIRCUIT OPENING RELAY (C/OPN)
OK -- Continue to next step.

6. INSPECT CIRCUIT OPENING RELAY (POWER SOURCE VOLTAGE)





(a) Remove the circuit opening relay (C/OPN) from the engine room relay block.

(b) Turn the engine switch on (IG).

(c) Measure the voltage according to the value(s) in the table below.

Standard Voltage:





NG -- CHECK HARNESS AND CONNECTOR (CIRCUIT OPENING RELAY - EFI NO. 2 RELAY, IGN FUSE)
OK -- Continue to next step.

7. CHECK HARNESS AND CONNECTOR (CIRCUIT OPENING RELAY - ECU, FUEL PUMP ECU)





(a) Remove the circuit opening relay (C/OPN) from the engine room relay block.

(b) Disconnect the A38 ECM connector.

(c) Disconnect the N2 fuel pump ECU connector.

(d) Measure the resistance according to the value(s) in the table below.

Standard Resistance:





NG -- REPAIR OR REPLACE HARNESS OR CONNECTOR
OK -- Continue to next step.

8. CHECK HARNESS AND CONNECTOR (FUEL PUMP - FUEL PUMP ECU)





(a) Disconnect the N1 fuel pump connector.

(b) Disconnect the N2 fuel pump ECU connector.

(c) Measure the resistance according to the value(s) in the table below.

Standard Resistance:





NG -- REPAIR OR REPLACE HARNESS OR CONNECTOR
OK -- Continue to next step.

9. INSPECT FUEL PUMP

(a) Inspect the fuel pump Fuel Pump.

NG -- REPLACE FUEL PUMP Removal
OK -- Continue to next step.

10. CHECK HARNESS AND CONNECTOR (FUEL PUMP ECU - ECM, BODY GROUND)





(a) Disconnect the N2 fuel pump ECU connector.

(b) Disconnect the A38 ECM connector.

(c) Measure the resistance according to the value(s) in the table below.

Standard Resistance:





NG -- REPAIR OR REPLACE HARNESS OR CONNECTOR
OK -- Continue to next step.

11. REPLACE FUEL PUMP ECU

(a) Replace the fuel pump ECU Removal.

NEXT -- Continue to next step.

12. CONFIRM WHETHER MALFUNCTION HAS BEEN SUCCESSFULLY REPAIRED

(a) Check the fuel pump operation.

OK:

Malfunction has been repaired successfully.

NG -- REPLACE ECM Removal

OK -- END

13. CHECK HARNESS AND CONNECTOR (CIRCUIT OPENING RELAY - EFI NO. 2 RELAY, IGN FUSE)





(a) Remove the circuit opening relay (C/OPN) from the engine room relay block.

(b) Remove the EFI NO. 2 relay (EFI NO. 2) from the engine room relay block.

(c) Remove the IGN fuse from the engine room relay block.

(d) Measure the resistance according to the value(s) in the table below.

Standard Resistance:





NG -- REPAIR OR REPLACE HARNESS OR CONNECTOR
OK -- Continue to next step.

14. INSPECT EFI NO. 2 RELAY (EFI NO. 2)





(a) Remove the EFI NO. 2 relay (EFI NO. 2) from the engine room relay block.

(b) Measure the resistance according to the value(s) in the table below.

Standard Resistance:





NG -- REPLACE EFI NO. 2 RELAY (EFI NO. 2)
OK -- Continue to next step.

15. CHECK HARNESS AND CONNECTOR (EFI NO. 2 RELAY - INTEGRATION RELAY, BATTERY AND BODY GROUND)





(a) Remove the EFI MAIN 2 fuse from the engine room relay block.

(b) Measure the resistance according to the value(s) in the table below.

Standard Resistance:





(c) Reinstall the EFI MAIN 2 fuse.

(d) Remove the EFI NO. 2 relay (EFI NO. 2) from the engine room relay block.

(e) Remove the integration relay from the engine room relay block.

(f) Disconnect the 1B integration relay connector.

(g) Disconnect the cable from the positive (+) battery terminal.

(h) Measure the resistance according to the value(s) in the table below.

Standard Resistance:





NG -- REPAIR OR REPLACE HARNESS OR CONNECTOR

OK -- GO TO ECM POWER SOURCE CIRCUIT Component Tests and General Diagnostics