Operation CHARM: Car repair manuals for everyone.
Manuals through 2025 now available!

Our trusted friends have launched a new website named LEMON, which has newer manuals. It also contains all the CHARM manuals.

LEMON is the spiritual successor to CHARM, I recommend you try it!

Link: lemon-manuals.la or lemon-manuals.org.ua

(Some people have issue connecting. LEMON is investigating. For now, use Firefox or change your DNS server)

Or, hide this message: temporarily or permanently

VC Output Circuit





3UR-FE ENGINE CONTROL: SFI SYSTEM: VC Output Circuit
- VC Output Circuit

DESCRIPTION

The ECM constantly generates 5 V power from the battery voltages supplied to the +B (BATT) terminal to operate the microprocessor. The ECM also provides this power to the sensors through the VC output circuit.





When the VC circuit is short-circuited, the microprocessor in the ECM and sensors that are supplied with power through the VC circuit are inactivated because the power is not supplied from the VC circuit. Under this condition, the system does not start up and the MIL does not illuminate even if the system malfunctions.

HINT
Under normal conditions, the MIL is illuminated for several seconds when the engine switch is first turned on (IG). The MIL goes off when the engine is started.

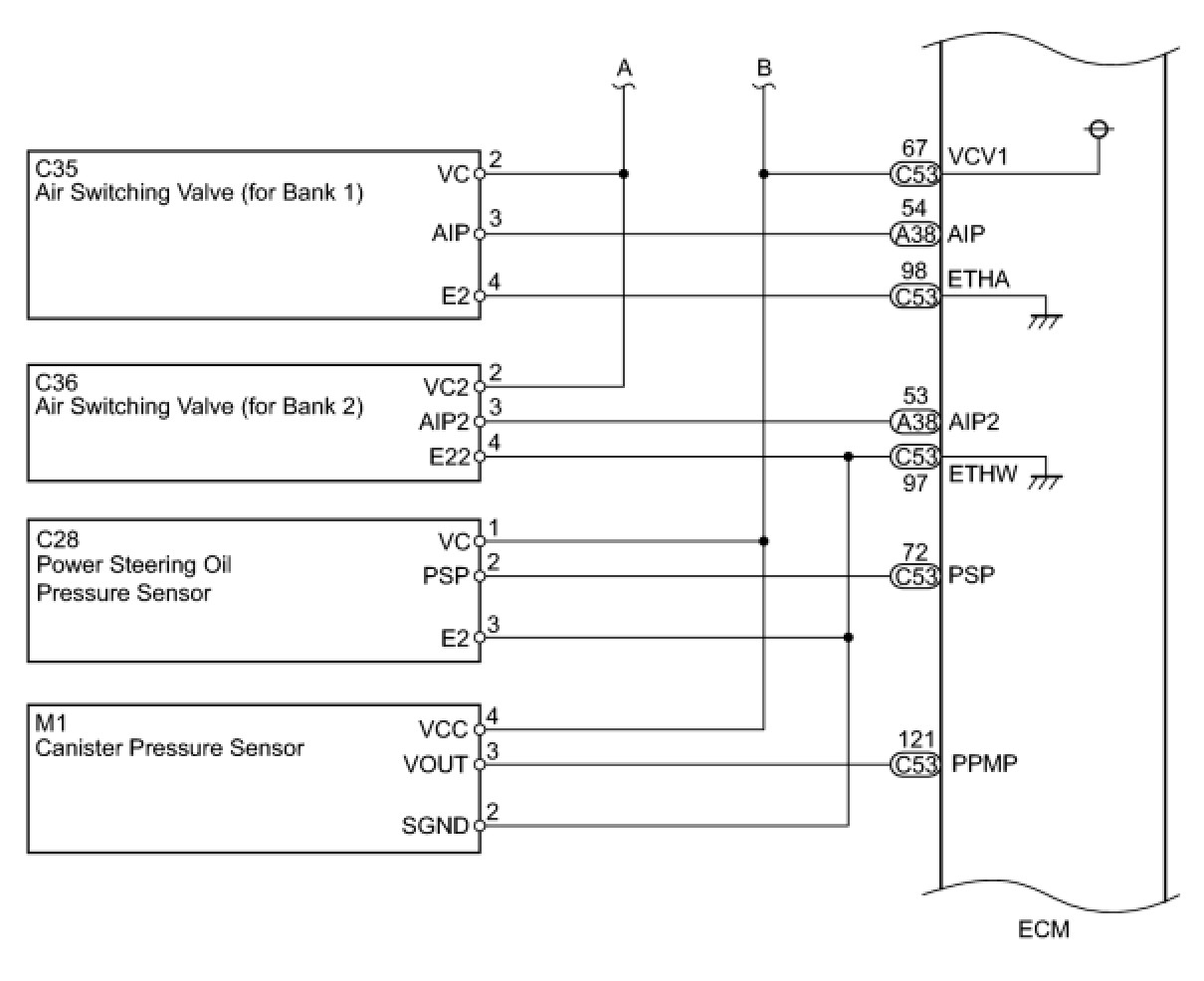
WIRING DIAGRAM













INSPECTION PROCEDURE

PROCEDURE

1. CHECK MIL

(a) Check that the Malfunction Indicator Lamp (MIL) lights up when turning the engine switch on (IG).

OK:

MIL lights up

NG -- CHECK COMMUNICATION BETWEEN TECHSTREAM AND ECM

OK -- SYSTEM OK

2. CHECK COMMUNICATION BETWEEN TECHSTREAM AND ECM

(a) Connect the Techstream to the DLC3.

(b) Turn the engine switch on (IG) and Techstream on.

(c) Check the communication between the Techstream and ECM.

Result





A -- GO TO MIL CIRCUIT Testing and Inspection
B -- Continue to next step.

3. CHECK MIL (THROTTLE POSITION SENSOR)

(a) Disconnect the C4 throttle body connector.

(b) Turn the engine switch on (IG).

(c) Check the MIL.

Result





A -- REPLACE THROTTLE BODY ASSEMBLY Removal
B -- Continue to next step.

4. CHECK MIL (ACCELERATOR PEDAL POSITION SENSOR)

(a) Disconnect the A31 accelerator pedal position sensor connector.

(b) Turn the engine switch on (IG).

(c) Check the MIL.

Result





A -- REPLACE ACCELERATOR PEDAL POSITION SENSOR Removal
B -- Continue to next step.

5. CHECK MIL (CANISTER PUMP MODULE)

(a) Disconnect the M1 canister pump module connector.





(b) Turn the engine switch on (IG).

(c) Check the MIL.

Result





A -- REPLACE CANISTER ASSEMBLY Removal
B -- Continue to next step.

6. CHECK MIL (AIR SWITCHING VALVE for Bank 1)

(a) Disconnect the C35 air switching valve connector.

(b) Turn the engine switch on (IG).

(c) Check the MIL.

Result





A -- REPLACE AIR SWITCHING VALVE Removal
B -- Continue to next step.

7. CHECK MIL (AIR SWITCHING VALVE for Bank 2)

(a) Disconnect the C36 air switching valve connector.

(b) Turn the engine switch on (IG).

(c) Check the MIL.

Result





A -- REPLACE AIR SWITCHING VALVE Removal
B -- Continue to next step.

8. CHECK MIL (POWER STEERING OIL PRESSURE SENSOR)

(a) Disconnect the C28 power steering oil pressure sensor connector.

(b) Turn the engine switch on (IG).

(c) Check the MIL.

Result





A -- REPLACE POWER STEERING OIL PRESSURE SENSOR Removal
B -- Continue to next step.

9. CHECK MIL (CAMSHAFT POSITION SENSOR)

(a) Disconnect the C2 camshaft position sensor connector.

(b) Turn the engine switch on (IG).

(c) Check the MIL.

Result





A -- REPLACE CAMSHAFT POSITION SENSOR Removal
B -- Continue to next step.

10. CHECK MIL (CRANKSHAFT POSITION SENSOR)

(a) Disconnect the C1 crankshaft position sensor connector.

(b) Turn the engine switch on (IG).

(c) Check the MIL.

Result





A -- REPLACE CRANKSHAFT POSITION SENSOR Removal
B -- Continue to next step.

11. CHECK MIL (VVT SENSOR for Intake Side of Bank 1)

(a) Disconnect the C20 VVT sensor (for Intake Side of Bank 1) connector.

(b) Turn the engine switch on (IG).

(c) Check the MIL.

Result





A -- REPLACE VVT SENSOR (for Intake Side of Bank 1) Removal
B -- Continue to next step.

12. CHECK MIL (VVT SENSOR for Exhaust Side of Bank 1)

(a) Disconnect the C22 VVT sensor (for Exhaust Side of Bank 1) connector.

(b) Turn the engine switch on (IG).

(c) Check the MIL.

Result





A -- REPLACE VVT SENSOR (for Exhaust Side of Bank 1) Removal
B -- Continue to next step.

13. CHECK MIL (VVT SENSOR for Intake Side of Bank 2)

(a) Disconnect the C21 VVT sensor (for Intake Side of Bank 2) connector.

(b) Turn the engine switch on (IG).

(c) Check the MIL.

Result





A -- REPLACE VVT SENSOR (for Intake Side of Bank 2) Removal
B -- Continue to next step.

14. CHECK MIL (VVT SENSOR for Exhaust Side of Bank 2)

(a) Disconnect the C23 VVT sensor (for Exhaust Side of Bank 2) connector.

(b) Turn the engine switch on (IG).

(c) Check the MIL.

Result





A -- REPLACE VVT SENSOR (for Exhaust Side of Bank 2) Removal
B -- Continue to next step.

15. CHECK HARNESS AND CONNECTOR

(a) Disconnect the C4 throttle body connector.

(b) Disconnect the A31 accelerator pedal position sensor connector.

(c) Disconnect the M1 canister pump module connector.

(d) Disconnect the C35 air switching valve connector.

(e) Disconnect the C36 air switching valve connector.

(f) Disconnect the C28 power steering oil pressure sensor connector.

(g) Disconnect the C2 camshaft position sensor connector.

(h) Disconnect the C1 crankshaft position sensor connector.

(i) Disconnect the C20 VVT sensor (for Intake Side of Bank 1) connector.

(j) Disconnect the C22 VVT sensor (for Exhaust Side of Bank 1) connector.

(k) Disconnect the C21 VVT sensor (for Intake Side of Bank 2) connector.

(l) Disconnect the C23 VVT sensor (for Exhaust Side of Bank 2) connector.

(m) Disconnect the A38 and C53 ECM connectors.





(n) Measure the resistance according to the value(s) in the table below.

Standard Resistance:





NG -- REPAIR OR REPLACE HARNESS OR CONNECTOR

OK -- REPLACE ECM Removal