Operation CHARM: Car repair manuals for everyone.
Manuals through 2025 now available!

Our trusted friends have launched a new website named LEMON, which has newer manuals. It also contains all the CHARM manuals.

LEMON is the spiritual successor to CHARM, I recommend you try it!

Link: lemon-manuals.la or lemon-manuals.org.ua

(Some people have issue connecting. LEMON is investigating. For now, use Firefox or change your DNS server)

Or, hide this message: temporarily or permanently

Starting System: Testing and Inspection





THEFT DETERRENT / KEYLESS ENTRY: SMART KEY SYSTEM (for Start Function): Engine does not Start
- Engine does not Start

DESCRIPTION

1. ENGINE START SYSTEM OPERATION

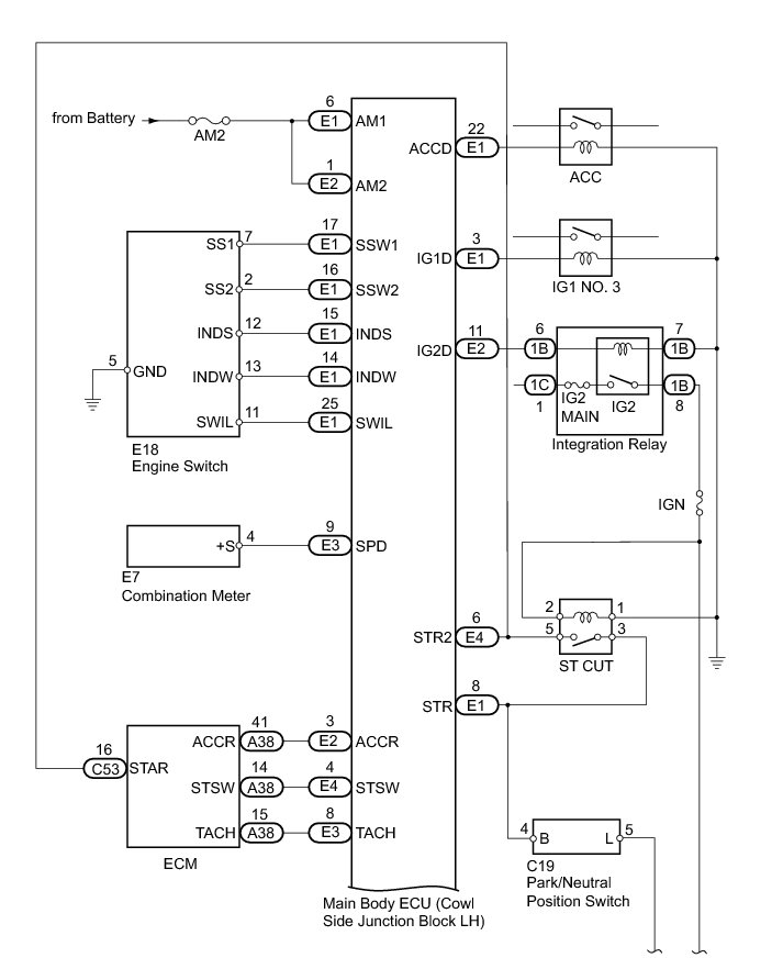
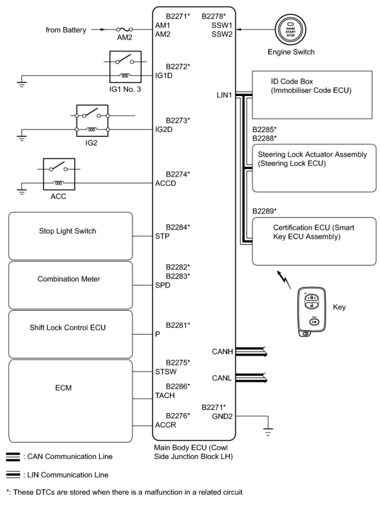
(a) When the engine switch is pressed with the brake pedal depressed and the shift lever in P, the main body ECU determines that it is an engine start request.

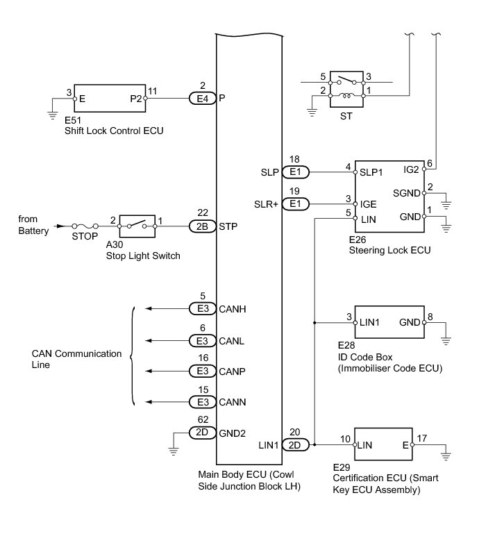
(b) The certification ECU (smart key ECU assembly) and other ECUs perform key verification via the LIN communication line. The engine switch indicator light illuminates in green.

(c) The main body ECU activates the IG1 No. 3 relay, ACC relay and integration relay (IG2 relay).

(d) The certification ECU (smart key ECU assembly) outputs a steering unlock signal. The signal is sent to the steering lock ECU via the LIN communication line.

(e) The main body ECU sends an engine start request signal to the ECM.

(f) The main body ECU deactivates the ACC relay until the ECU detects an engine start.

(g) The ECU reactivates the ACC relay and turns off the engine switch indicator light.









WIRING DIAGRAM









INSPECTION PROCEDURE

PROCEDURE

1. CHECK ENGINE SWITCH (SWITCH CONDITION)

(a) Check the power source mode change.

(1) When the key is inside the vehicle and the shift lever is in P, check that pressing the engine switch causes the power source mode to change as follows:

OK:

off -> on (ACC) -> on (IG) -> off

NG -- GO TO SMART KEY SYSTEM (FOR START FUNCTION) (POWER SOURCE MODE DOES NOT CHANGE) Power Source Mode Does Not Change
OK -- Continue to next step.

2. CHECK WHETHER DTC OUTPUT RECURS

(a) Clear the DTCs Smart Key System (for Start Function).

(b) Check whether the trouble recurs 5 seconds after the engine switch is turned on (IG).

(c) Check whether DTCs for the main body ECU or certification ECU (smart key ECU assembly) are output.

Result





D -- GO TO ENGINE IMMOBILISER SYSTEM (DIAGNOSTIC TROUBLE CODE CHART) Engine Immobiliser System

C -- GO TO STEERING LOCK SYSTEM (DIAGNOSTIC TROUBLE CODE CHART) How to Proceed With Troubleshooting

B -- GO TO SMART KEY SYSTEM (FOR START FUNCTION) (DIAGNOSTIC TROUBLE CODE CHART) Smart Key System (for Start Function)
A -- Continue to next step.

3. CHECK CRANKING FUNCTION

(a) Check the engine cranking function.

(1) When there is fuel in the fuel tank, the key is inside the vehicle and the shift lever is in P, check that depressing the brake pedal and pressing the engine switch cranks the engine.

OK:

Engine cranks.

NG -- READ VALUE USING TECHSTREAM (SHIFT LOCK CONTROL ECU)
OK -- Continue to next step.

4. READ VALUE USING TECHSTREAM (L CODE)

(a) Use the Data List to check if L code certification is functioning properly.

Smart Key





OK:

OK is displayed on the Techstream.

NG -- REPLACE STEERING LOCK ACTUATOR ASSEMBLY (STEERING LOCK ECU)
OK -- Continue to next step.

5. READ VALUE USING TECHSTREAM (ENGINE START CONDITION)

(a) Use the Data List to check if the engine start is functioning properly.

Smart Key





OK:

OK is displayed on the Techstream.

NG -- REPLACE CERTIFICATION ECU (SMART KEY ECU ASSEMBLY)
OK -- Continue to next step.

6. READ VALUE USING TECHSTREAM (S CODE)

(a) Use the Data List to check if S code certification is functioning properly.

Smart Key





OK:

OK is displayed on the Techstream.

NG -- REPLACE CERTIFICATION ECU (SMART KEY ECU ASSEMBLY)
OK -- Continue to next step.

7. REPLACE ID CODE BOX (IMMOBILISER CODE ECU)

(a) Replace the ID code box (immobiliser code ECU) Removal.

(b) Register the recognition code (ECU code) Engine Immobiliser System.

(c) Check that the engine starts.

OK:

Engine starts.

NG -- REPLACE ECM Removal

OK -- END

8. READ VALUE USING TECHSTREAM (SHIFT LOCK CONTROL ECU)

(a) Use the Data List to check if the shift position signal is functioning properly.

Main Body





OK:

ON (shift lever in P) and OFF (shift lever not in P) are displayed on the Techstream.

NG -- CHECK SHIFT LOCK CONTROL ECU
OK -- Continue to next step.

9. READ VALUE USING TECHSTREAM (PARK/NEUTRAL POSITION SWITCH)

(a) Use the Data List to check if the park/neutral switch is functioning properly.

Main Body





OK:

ON (shift lever in P or N) and OFF (shift lever not in P or N) are displayed on the Techstream.

NG -- INSPECT STARTER RELAY (ST)
OK -- Continue to next step.

10. READ VALUE USING TECHSTREAM (STOP LIGHT SWITCH)

(a) Use the Data List to check if the stop light switch is functioning properly.

Main Body





OK:

ON (brake pedal is depressed) and OFF (brake pedal is released) are displayed on the Techstream.

NG -- INSPECT FUSE (STOP)
OK -- Continue to next step.

11. CHECK STEERING LOCK

(a) Check if the steering lock is released when turning the engine switch on (ACC).

OK:

The steering lock is released.

NG -- GO TO STEERING LOCK SYSTEM (HOW TO PROCEED WITH TROUBLESHOOTING) How to Proceed With Troubleshooting
OK -- Continue to next step.

12. CHECK MAIN BODY ECU





(a) Measure the voltage according to the value(s) in the table below.

HINT
The voltage is generated at terminal STSW for 0.3 seconds when the engine cranks.

Standard Voltage:





NG -- REPLACE MAIN BODY ECU

OK -- REPLACE ECM Removal

13. CHECK SHIFT LOCK CONTROL ECU





(a) Disconnect the E51 shift lock control ECU connector.

(b) Measure the resistance according to the value(s) in the table below.

Standard Resistance:





NG -- REPLACE SHIFT LOCK CONTROL ECU Disassembly
OK -- Continue to next step.

14. CHECK HARNESS AND CONNECTOR (SHIFT LOCK CONTROL ECU - MAIN BODY ECU AND BODY GROUND)





(a) Disconnect the E4 main body ECU connector.

(b) Disconnect the E51 shift lock control ECU connector.

(c) Measure the resistance according to the value(s) in the table below.

Standard Resistance:





NG -- REPAIR OR REPLACE HARNESS OR CONNECTOR

OK -- REPLACE MAIN BODY ECU

15. INSPECT STARTER RELAY (ST)

(a) Remove the ST relay from the engine room relay block.





(b) Measure the resistance according value(s) in the table below.

Standard Resistance:





NG -- REPLACE STARTER RELAY
OK -- Continue to next step.

16. INSPECT PARK/NEUTRAL POSITION SWITCH

(a) Disconnect the C19 park/neutral position switch connector.





(b) Measure the resistance according to the value(s) in the table below.

Standard Resistance:





NG -- REPLACE PARK/NEUTRAL POSITION SWITCH Removal
OK -- Continue to next step.

17. CHECK HARNESS AND CONNECTOR (MAIN BODY ECU - PARK/NEUTRAL POSITION SWITCH)





(a) Measure the resistance according to the value(s) in the table below.

Standard Resistance:





NG -- REPAIR OR REPLACE HARNESS OR CONNECTOR
OK -- Continue to next step.

18. CHECK HARNESS AND CONNECTOR (STARTER RELAY - PARK/NEUTRAL POSITION SWITCH AND BODY GROUND)





(a) Measure the resistance according to the value(s) in the table below.

Standard Resistance:





NG -- REPAIR OR REPLACE HARNESS OR CONNECTOR

OK -- REPLACE MAIN BODY ECU

19. INSPECT FUSE (STOP)

(a) Remove the STOP fuse from the engine room relay block.

(b) Measure the resistance according to the value(s) in the table below.

Standard Resistance:





NG -- REPLACE FUSE
OK -- Continue to next step.

20. INSPECT STOP LIGHT SWITCH





(a) Disconnect the A30 stop light switch connector.

(b) Measure the resistance according to the value(s) in the table below.

Standard Resistance:





NG -- REPLACE STOP LIGHT SWITCH Removal
OK -- Continue to next step.

21. CHECK HARNESS AND CONNECTOR (STOP LIGHT SWITCH - MAIN BODY ECU AND BATTERY)





(a) Disconnect the 2B main body ECU connector.

(b) Disconnect the A30 stop light switch connector.

(c) Measure the voltage and resistance according to the value(s) in the table below.

Standard Voltage:





Standard Resistance:





NG -- REPAIR OR REPLACE HARNESS OR CONNECTOR

OK -- REPLACE MAIN BODY ECU

22. REPLACE STEERING LOCK ACTUATOR ASSEMBLY (STEERING LOCK ECU)

(a) Replace the steering lock actuator assembly (steering lock ECU) Disassembly.

(b) Register the recognition code (ECU code) Engine Immobiliser System.

(c) Check that the engine starts.

OK:

Engine starts.

NG -- REPLACE ID CODE BOX (IMMOBILISER CODE ECU) Removal

OK -- END

23. REPLACE CERTIFICATION ECU (SMART KEY ECU ASSEMBLY)

(a) Replace the certification ECU (smart key ECU assembly) Removal.

(b) Register the recognition code (ECU code) Engine Immobiliser System.

(c) Check that the engine starts.

OK:

Engine starts.

NG -- REPLACE ID CODE BOX (IMMOBILISER CODE ECU) Removal

OK -- END