Operation CHARM: Car repair manuals for everyone.
Manuals through 2025 now available!

Our trusted friends have launched a new website named LEMON, which has newer manuals. It also contains all the CHARM manuals.

LEMON is the spiritual successor to CHARM, I recommend you try it!

Link: lemon-manuals.la or lemon-manuals.org.ua

(Some people have issue connecting. LEMON is investigating. For now, use Firefox or change your DNS server)

Or, hide this message: temporarily or permanently

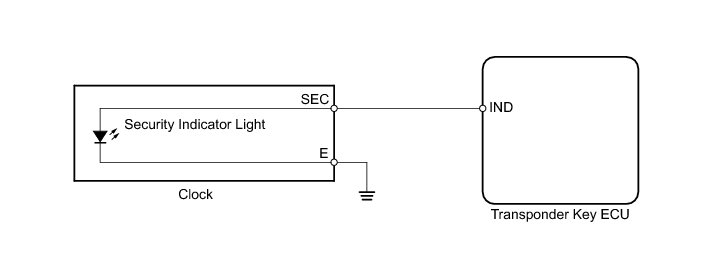
Security Indicator Light Circuit





ENGINE IMMOBILISER: ENGINE IMMOBILISER SYSTEM (w/o Smart Key System): Security Indicator Light Circuit
- Security Indicator Light Circuit

DESCRIPTION

When the transponder key is registered, the transponder key ECU indicates the key registration condition by lighting up, blinking or turning off the security indicator.

WIRING DIAGRAM





INSPECTION PROCEDURE

PROCEDURE

1. PERFORM ACTIVE TEST USING TECHSTREAM (SECURITY INDICATOR LIGHT)

(a) Operate the Techstream according to the steps on the display and select "Active Test" Engine Immobiliser System (w/o Smart Key System).

Immobiliser:





OK:

Security indicator light ON / OFF using the Techstream.

NG -- INSPECT CLOCK (SECURITY INDICATOR LIGHT)

OK -- REPLACE TRANSPONDER KEY ECU Removal

2. INSPECT CLOCK (SECURITY INDICATOR LIGHT)

(a) Remove the clock.





(b) Apply battery voltage between the terminals of the clock, and check that the security indicator light illuminates.

OK:

for TMMC Made





for TMC Made





NG -- REPLACE CLOCK (SECURITY INDICATOR LIGHT)
OK -- Continue to next step.

3. CHECK HARNESS AND CONNECTOR (CLOCK - TRANSPONDER KEY ECU AND BODY GROUND)

(a) Disconnect the E22*1 or E90*2 clock connector.





*1: for TMMC Made

*2: for TMC Made

(b) Disconnect the E46 ECU connector.

(c) Measure the resistance according to the value(s) in the table below.

Standard Resistance:

for TMMC Made





for TMC Made





NG -- REPAIR OR REPLACE HARNESS OR CONNECTOR

OK -- REPLACE TRANSPONDER KEY ECU Removal