Operation CHARM: Car repair manuals for everyone.
Manuals through 2025 now available!

Our trusted friends have launched a new website named LEMON, which has newer manuals. It also contains all the CHARM manuals.

LEMON is the spiritual successor to CHARM, I recommend you try it!

Link: lemon-manuals.la or lemon-manuals.org.ua

(Some people have issue connecting. LEMON is investigating. For now, use Firefox or change your DNS server)

Or, hide this message: temporarily or permanently

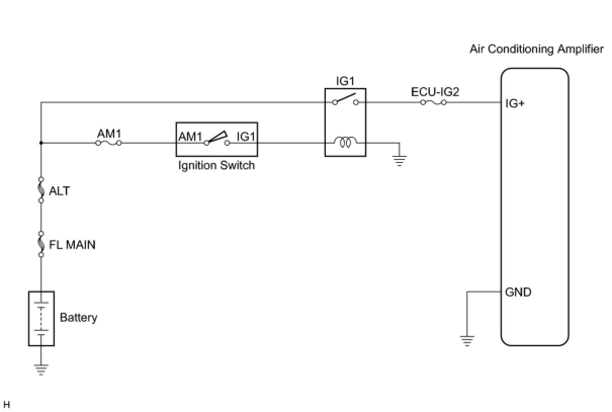
IG Power Source Circuit





AIR CONDITIONING: AIR CONDITIONING SYSTEM (for Automatic Air Conditioning System): IG Power Source Circuit
- IG Power Source Circuit

DESCRIPTION

This is the main power source supplied to the air conditioning amplifier when the ignition switch is ON. This power source is used for operating components, such as the air conditioning amplifier and servo motors.

WIRING DIAGRAM





INSPECTION PROCEDURE

PROCEDURE

1. INSPECT FUSE (ECU-IG2)

(a) Remove the ECU-IG2 fuse from the instrument panel junction block.

(b) Measure the resistance of the fuse.

Standard resistance:

Below 1 Ohms

NG -- REPLACE FUSE
OK -- Continue to next step.

2. CHECK WIRE HARNESS (AIR CONDITIONING AMPLIFIER - BATTERY)





(a) Disconnect the E37 amplifier connector.

(b) Measure the voltage of the wire harness side connector.

Standard voltage:





NG -- REPAIR OR REPLACE HARNESS AND CONNECTOR
OK -- Continue to next step.

3. CHECK WIRE HARNESS (AIR CONDITIONING AMPLIFIER - BODY GROUND)





(a) Disconnect the E37 amplifier connector.

(b) Measure the resistance of the wire harness side connector.

Standard resistance:





NG -- REPAIR OR REPLACE HARNESS AND CONNECTOR

OK -- PROCEED TO NEXT CIRCUIT INSPECTION SHOWN IN PROBLEM SYMPTOMS TABLE